Foram encontradas 100 questões.
Observe a figura a seguir.

Assinale a opção que apresenta corretamente o tipo de esforço nas barras da treliça acima, considerando Cos 45º = 0,707.
Provas
Considere o triângulo DEF apresentado a seguir.

Este triângulo foi dividido em duas partes por meio de uma reta paralela a sua base. Assinale a opção que apresenta os valores dos segmentos x; y; e z, respectivamente.
Provas
Em uma transmissão por correias, a polia motora possui diâmetro de 200mm e está sujeita a uma força tangencial de 600N e uma rotação de 2300rpm.
Assinale a opção que apresenta corretamente os valores da velocidade angular, da frequência e da potência do motor, respectivamente.
Provas
Observe a figura abaixo.

A medida, em milímetros, indicada pelo instrumento corresponde a:
Provas
Na aplicação da técnica de inspeção por líquidos penetrantes em uma superfície com resíduos de carbono, qual é o procedimento mais indicado para a limpeza e correção desta superfície de exame?
Provas
Dentre os processos de tratamentos termoquímicos, a nitretação é caracterizada por:
Provas
Considere que um omelete feito com 2 ovos e 30 gramas de queijo contém 280 calorias e que um outro omelete, feito com 3 ovos e 10 gramas de queijo, contém também 280 calorias.
Em relação a essas informações, assinale a opção que apresenta a quantidade de calorias que possui um ovo.
Provas
Assinale a opção que apresenta a representação correta das tolerâncias geométricas de forma e orientação.
Provas
Em relação aos tratamentos térmicos aplicados aos aços, é correto afirmar que:
Provas
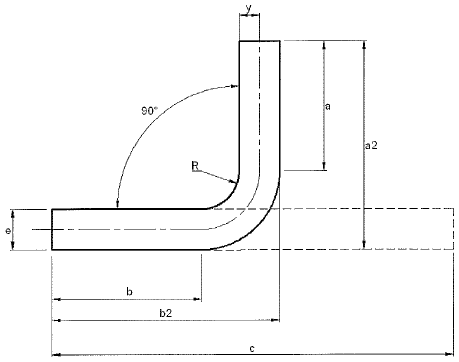
Observe a figura a seguir.

Determine, em milímetros, o comprimento da cota "c", da tira de chapa correspondente a peça acima, sabendo que as demais dimensões, em milímetros, são: a= 50; b = 25; R = 12; e= 6, e assinale a opção correta.
Provas
Caderno Container