Foram encontradas 50 questões.
Considere que seja necessário fazer um reparo em um circuito digital, que apresenta uma porta lógica NOR avariada. Não dispondo de outra porta NOR para substituição, qual das opções abaixo apresenta uma configuração que pode ser utilizada para substituir a porta NOR avariada, sem que haja alteração nas funções lógicas do circuito?
Provas
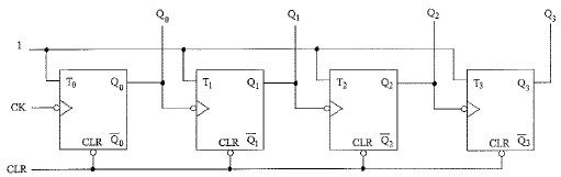
Observe a figura a seguir.

De acordo com o circuito digital representado acima, qual é a relação entre as frequências dos sinais de saída Q3/Q0?
Provas
Observe a figura a seguir.

No circuito acima, o amplificador operacional é ideal. Nesta condição, qual é o valor do resistor R para que se tenha uma tensão de saída Vout igual a 300mV?
Provas
Com relação às três regiões de trabalho do transistor de junção bipolar NPN, é correto afirmar que:
Provas
Em relação semicondutor, à polarização da junção é correto afirmar que: PN de um diodo
Provas
Em relação aos amplificadores de potência, assinale a opção correta.
Provas
Ao converter o número decimal 12,875 para a forma binária, encontra-se:
Provas
Coloque V (Verdadeiro) ou F (Falso) nas afirmativas abaixo em relação aos controladores lógicos-programáveis (CLP) e, em seguida, assinale a opção que apresenta a sequência correta.
( ) Os CLP têm contatares e as suas variáveis válvulas, atuando sensores de diversos tipos. de entrada coletadas por no sistema por meio de
( ) A aplicação do CLP traz consigo muitas vantagens, dentre elas: a possibilidade de mudança no controle, fazendo-se alterações apenas no programa, sem que seja sempre necessário o rearranjo na montagem dos componentes eletromecânicos.
( ) A linguagem de programação do CLP, adotada pela maioria dos fabricantes, possui padrão internacional IEC 1131.
Provas
Considere a lista de instruções a seguir.
LD %Il.O
ORN %Il.l
AND %Il.2
ANDN %Il.3
ST %Q2.0
Assinale a opção que apresenta o diagrama de contatos correspondente à lista de instruções acima.
Provas
A forma de onda da tensão na saída de um retificador monofásico de onda completa é representada, em função do tempo, pela seguinte equação: !$ v(t) \, = \, \mid 220 \sqrt{2} \, sen \, (377t) \mid. !$
Assinale a opção que apresenta, respectivamente, os valores de pico, eficaz e médio da tensão, em volts.
Provas
Caderno Container