Foram encontradas 1.300 questões.
Considerando o número binário de 8-bits "10110000", na notação de complemento de 2, assinale a opção que apresenta corretamente este número na base decimal.
Provas
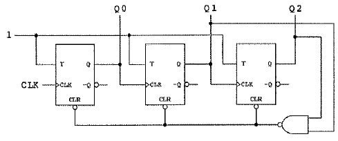
Analise o circuito a seguir.

Considerando Q2 o MSB, qual é a função do circuito acima?
Provas
Analise a expressão a seguir.
\( S=A.B.C+\bar{B}.C+\bar{A}.C \)
Simplifique a expressão acima utilizando Álgebra de Boole e assinale a opção correta.
Provas
Em relação às características das bobinas, assinale a opção correta.
Provas
Assinale a opção correta em relação às características dos amplificadores.
Provas
O funcionamento do CLP (Controlador Lógico Programável) é baseado num sistema microprocessado em que há uma estrutura de software que realiza continuamente ciclos de leitura, chamados de scan. Assinale a opção abaixo que apresenta os três processos que constituem o scan.
Provas
Analise o circuito a seguir.

O circuito acima ilustra uma tentativa de implementar um somador completo (full adder). Assinale a opção que apresenta o elemento que falta para que este circuito seja realmente um somador completo.
Provas
Os amplificadores podem operar segundo as classes A, B, AB e C, conforme mostra a figura a seguir, segundo o contido no livro "Telecomunicações" (Nascimento, 1992).

Em relação à figura apresentada, sabe-se que o dispositivo amplificador é polarizado exatamente no ponto de corte, ou seja, no limite entre a região de corte e a de condução. Na ausência de sinal, o consumo de corrente é nulo, sendo, de uma maneira geral, não empregada em amplificadores lineares. Sendo assim, é correto afirmar que o amplificador acima refere-se
Provas
Em relação à utilização de CLPs, assinale a opção INCORRETA.
Provas
Considere uma transmissão paralela de 4 bits de dados (D0, D1, D2 e D3) e 1 bit de paridade (P).
Assinale a opção que apresenta a equação que define a lógica para o bit de paridade P sabendo que: P=1 se for transmitido um número par de bits iguais a 1; e P=0 se for transmitido um número ímpar de bits iguais a 1.
Provas
Caderno Container