Foram encontradas 1.300 questões.
Que diodo de silício é otimizado pelo fabricante para operar na região de ruptura, sendo, por isso, também conhecido como diodo de ruptura?
Provas
Assinale a opção que apresenta, respectivamente, a potência e a energia consumida por um ferro elétrico de 50 ohms, em 5 h, em uma linha de 110V.
Provas
Que fenômeno ligado à propagação eletromagnética pode ser explicado pelo Princípio de Huygens, que diz que cada frente de onda equivale a uma coleção de radiadores infinitesimais, radiando para frente de ondas esféricas?
Provas
Assinale a opção que apresenta o valor equivalente, em decimal, do número 1FF (16)?
Provas
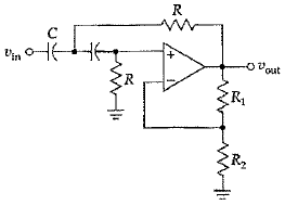
Observe o circuito a seguir.

O circuito acima representa um filtro
Provas
Qual é o valor equivalente, em decimal, do número 101001(2) , sabendo que (2) significa sistema binário?
Provas
Em relação aos tipos de memória, analise as afirmativas abaixo.
I - Memória ROM: projetada para armazenamento permanente de um determinado programa ou de dados. Após a gravação do seu conteúdo, este somente pode ser lido e nunca mais alterado. Desta forma, por natureza, as memórias ROM são imunes a alterações por ruídos elétricos e por perda de energia.
II - Memória RAM: desenvolvida para que a informação possa ser escrita ou lida em qualquer posição de memória com alta velocidade. Esse tipo de memória é volátil, ou seja, não retém a informação se a fonte de alimentação for desligada.
III - Memória FLASH: é uma memória PROM que pode ser reprogramada depois de ser inteiramente apagada por uma fonte de luz ultravioleta. O apagamento completo do conteúdo do chip necessita que a janela do chip seja exposta a uma fonte de luz ultravioleta por aproximadamente 20 minutos.
Assinale a opção correta.
Provas
Em relação à teoria sobre circuitos elétricos, assinale a opção INCORRETA:
Provas
Analise o circuito a seguir.

Assinale a opção que apresenta a saída S do circuito CMOS acima.
Provas
Assinale a opção que apresenta os componentes básicos de um sensor indutivo.
Provas
Caderno Container