Foram encontradas 1.350 questões.
Observe as figuras a seguir.

As válvulas representadas acima são classificadas, respectivamente, como válvula
Provas
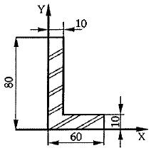
Observe a figura a seguir.

Sabendo-se que as dimensões apresentadas na figura acima estão em milímetros, assinale a opção que apresenta as coordenadas do centro de gravidade da cantoneira de abas desiguais dessa figura, com aproximação até a segunda casa decimal.
Provas
O sistema internacional de projeções utiliza o
Provas
O ensaio de impacto é feito para medir a
Provas
Observe a figura a seguir.

A figura acima representa uma válvula
Provas
Por definição, alongamento é o aumento do comprimento de um corpo de prova verificado no ensaio de tração até
Provas
Deve-se utilizar uma associação de bombas em série quando:
Provas
A escala 2:1 indica que o desenho apresenta tamanho
Provas
A treliça de cobertura é um sistema estrutural de madeira composto pelos seguintes elementos:
Provas
O ângulo de corte das junções varia de acordo com os móveis. Quais são os ângulos mais usados?
Provas
Caderno Container