Foram encontradas 566 questões.
Um técnico precisa projetar um par de engrenagens retas para um redutor, sabendo que a razão de engrenamento requerida é uma redução de 2:1 na velocidade, desde o eixo de entrada ao eixo de saída.
Se o técnico já projetou o pinhão com 20 dentes , quantos dentes terá a engrenagem?
Provas
Ao retirar a vareta de medição de nível de óleo de um equipamento de refrigeração que operava a – 40°C, um técnico constatou que o óleo não escorria, havendo ainda a presença de cristais. O técnico deduziu que não fora observada uma propriedade do lubrificante que é essencial para selecionar óleos que trabalham em temperaturas muito baixas.
Tal propriedade é o(a)
Provas

Qual é a função lógica S do circuito lógico representado na Figura acima?
Provas
O esquema abaixo representa um retificador monofásico de meia onda controlado, que usa um SCR (retificador controlado de silício), no qual todos os elementos do circuito são ideais.

O circuito de disparo é feito por um divisor de tensão entre o resistor R1 e o resistor variável R2 que fornece a tensão de disparo ao terminal G do SCR.
Considere que o ângulo de disparo seja medido a partir do ponto em que a senoide de alimentação passa pelo zero (corta o eixo horizontal), com inclinação crescente (positiva).
Nessas condições, qual é o valor limite máximo, em graus, do ângulo de disparo permitido com esse circuito?
Dados
√2 = 1,4
√3 = 1,7
π = 3,14
Provas
O circuito lógico abaixo será testado usando-se para cada entrada excitações lógicas representadas por: Zero lógico - “0” (falso) e Um lógico “1” (verdadeiro).

Na condição A = “0”, B = “1”, C = “1” e D = “1”, os valores lógicos das saídas S1, S2 e S são, respectivamente,
Provas
Para fins de cálculo, considere todos os elementos do circuito representado abaixo como ideais.

O valor da relação V0 / Vi, ganho de tensão, do circuito é
Provas

O esquema acima representa um circuito inversor que usa um amplificador operacional. Considere que todos os componentes representados no circuito sejam ideais.
Sabendo-se que a relação V0 / Vi = -100, e que o resistor R1 = 1 kΩ, qual o valor, em kΩ, de R2?
Provas

O retificador trifásico de meia onda, sem filtro, mostrado acima, alimenta uma carga resistiva de 10 Ω que consome uma corrente média de 5 A. É composto de um transformador, mostrado de forma simplificada, ligado em triângulo-estrela com alimentação primária em 220 V eficazes de linha, 60 Hz e tensão eficaz secundária Vs, de fase, e de três diodos iguais, além da carga R.
Considere todos os elementos do circuito como ideais.
Qual o valor eficaz, em Volts, da tensão Vs, de fase, do secundário do transformador usado no circuito?
Dados
√2 = 1,4
√3 = 1,7
π = 3,14
Provas

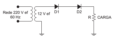
O circuito representado acima é um retificador monofásico de meia onda, sem filtro, após a manutenção, alimentado por um transformador cujo enrolamento secundário apresenta a tensão eficaz de 12 V. Este circuito está recebendo no enrolamento primário a tensão eficaz de 220 V da rede local de 60 Hz. A carga está representada pelo resistor R, cujo valor em Ohms não é necessário para os cálculos solicitados. Considere os elementos do circuito como sendo ideais.
Na manutenção, foi necessário substituir o único diodo do circuito original, que estava danificado, por dois diodos iguais ligados em série e que suportassem a mesma corrente exigida pelo circuito original.
A tensão de pico inverso, Vpi, que cada um dos dois diodos usados na manutenção suporta permite o funcionamento normal do circuito, isto é, conforme ocorria no circuito original.
Dessa forma, a tensão de pico inverso, Vpi, em volts, é tal que
Dados√2 = 1,4
√3 = 1,7
π = 3,14
Provas
Um retificador monofásico, de onda completa, com transformador de tomada central, center tape, com primário ligado à rede de 60 Hz e com filtro capacitivo C alimenta uma carga resistiva R. Os diodos usados no circuito estão dimensionados muito acima das necessidades exigidas pelo circuito e, dentre outras características, suportam corrente de surto e tensão de pico inverso com valores elevados.
Considere todos os elementos do circuito como sendo ideais.
Que medidas devem ser tomadas por um técnico de manutenção, com o objetivo de reduzir a amplitude da ondulação na tensão desenvolvida na carga?
Provas
Caderno Container