Foram encontradas 566 questões.
Um motor elétrico de indução trifásico de 6 terminais, 440 V e 60 Hz, apresenta suas bobinas com impedância de igual valor. Estando os enrolamentos ligados em triângulo, é feita a medição de corrente de fase com um amperímetro, encontrando-se o valor de 50√2 A .
O valor, em ampéres, da corrente na linha que esse motor irá apresentar no amperímetro correspondente será
Provas

A Figura acima mostra um transformador de potência trifásico, muito presente em indústrias. As equipes de manutenção devem seguir rigorosamente os programas de manutenção de forma a garantir o bom funcionamento desses transformadores.
Observando a Figura acima, dentre os vários componentes instalados, NÃO faz parte desse equipamento o(a)
Provas
Duas fontes de tensão contínua alimentam uma carga resistiva de 40 Ω, através do circuito resistivo mostrado na Figura a seguir.

Qual a potência elétrica, em watts, dissipada pela carga?
Provas
Considere que, no circuito elétrico mostrado na Figura a seguir, o capacitor está inicialmente descarregado.

Após o fechamento da chave, quando a carga no capacitor atingir o estado estacionário permanente, a tensão no capacitor, em volts, será de
Provas
A Figura abaixo mostra uma fonte de tensão contínua alimentando um circuito puramente resistivo. Um amperímetro A, considerado ideal, é inserido para medir a corrente total fornecida pela fonte.

Com os pontos a e b em aberto, observa-se uma primeira medida de corrente no amperímetro. Uma segunda medida é efetuada ao conectar-se um resistor de 40 ohm entre os pontos a e b do circuito.
Comparando com a primeira medida realizada, a segunda medida
Provas
O diagrama da Figura mostra um circuito elétrico puramente resistivo, no qual se deseja medir o valor desconhecido da resistência RX. Para tal, deve-se conectar um amperímetro A, um potenciômetro RP e o resistor RX conforme mostra a Figura.

O ensaio é feito variando-se o potenciômetro até que a corrente medida no amperímetro seja nula. Após o ajuste acima descrito, o valor medido no potenciômetro foi de 120 Ω.
Nessas condições, qual o valor, em Ohms, do resistor RX?
Provas
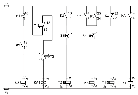
Um quadro de comando de motores apresenta diagrama de comando como o mostrado abaixo.

Ao ser pressionado o botão de ligar, a ordem em que os contatores são energizados é
Provas

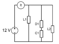
O circuito de emergência mostrado acima corresponde à instalação em uma sala de equipamentos elétricos. Nesse circuito, L1 é uma lâmpada incandescente de potência elétrica 36 W, D1 é um desumidificador de resistência 1Ω, C1 é um carregador de resistência 3Ω e L2 é uma lâmpada de resistência desconhecida.
Sabendo-se que o amperímetro It está acusando corrente elétrica de 12 A, o valor da resistência, em Ω, da lâmpada L2 é
Provas
Um eletrotécnico necessita determinar o comprimento de um circuito de iluminação para área de manutenção, que será feito com condutores elétricos em cobre, utilizando critério da ampacidade e queda de tensão. Os condutores possuem isolação em PVC e serão instalados no interior de eletroduto metálico, este com montagem aparente. A corrente de projeto do circuito possui valor de 10 A para fator de potência superior a 0,90. A tensão de alimentação do circuito é de 220 V monofásica. Verificando a NBR 5410/2005, o eletrotécnico identificou o método de referência B1 para essa instalação, e o valor para correção da temperatura igual a 0,94, e o de agrupamento de circuitos igual a 0,70.

Com base nas Tabelas fornecidas, para uma queda de tensão no circuito igual a 3%, o eletrotécnico poderá ter para comprimento máximo desse circuito, L, um valor tal que:
Provas
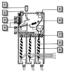
LEGENDA
1 – Botão de teste
2 – Botão de rearme
3 – Indicador de sobrecarga
4 – Contatos auxiliares 1NA + 1NF
5 – Dial de ajuste da corrente
6 – Lâmina bimetálica auxiliar
7 – Cusores de arraste e alavanca
8 – Lâmina bimetálica principal
9 – Elemento de aquecimento
O nome desse componente é
Provas
Caderno Container