Foram encontradas 504 questões.

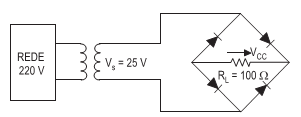
O circuito acima representa um retificador monofásico tipo ponte usando quatro diodos exatamente iguais. O transformador que o alimenta é um transformador monofásico com o primário recebendo a tensão da rede de 220 V, e o secundário apresentando tensão senoidal de 25 V eficazes. Sabendo-se que todos os elementos do circuito são ideais, determine, em volts, o valor médio da tensão Vcc na carga RL = 100 Ω.

Provas

NISKIER, J. ; MACINTYRE, A. J. Instalações elétricas. 6. ed. Rio de Janeiro: LTC, 2013. p.66.
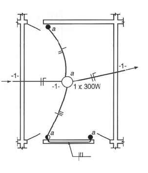
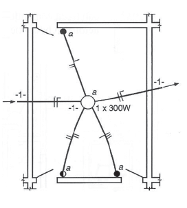
A Figura acima mostra o esquema de ligação de uma lâmpada utilizando interruptores paralelos.
Buscando identificar um problema nas ligações desse esquema, a equipe de manutenção deverá localizar a planta correspondente, a qual deve ter a seguinte apresentação:
Provas
Os sistemas de informações gerenciais (SIG) são instrumentos muito benéficos para o processo decisório institucional porque possibilitam
Provas
Provas
- Introdução à Gestão de Projetos
- PMBOKÁreas de ConhecimentoGerenciamento de Integração
- Gerenciamento de Projetos, Programas e Portfólio
- PRINCE2
Esse projeto possui sete atividades para as quais são indicados o tempo de duração e também a relação de antecedência entre elas, conforme se vê abaixo:

Provas
O valor dessa taxa deve ser igual ao da taxa
Provas
O processo que melhor retrata todas as atividades relacionadas à pesquisa, ao desenvolvimento e ao lançamento de produtos de alta qualidade, com rapidez e dentro do orçamento, é o de
Provas
No campo desse tema, a regra geral de proibição de acesso às comunicações, está-se protegendo o direito à
Provas
Provas
Provas
Caderno Container