Foram encontradas 70 questões.
O tipo de fusível indicado para a proteção de motores de baixa tensão é
Provas
Questão presente nas seguintes provas
A Figura abaixo ilustra um capacitor de placas paralelas, na qual ambas as placas são idênticas e estão separadas por uma distância d = 100 μm. Entre essas placas foram inseridos dois dielétricos, conforme mostrado na ilustração, um deles feito de mica, e o outro, de poliestireno.

As características elétricas de ambos os materiais estão listadas no Quadro a seguir.
Material Permissividade Relativa Rigidez Dielétrica (MV/m) Mica 5,0 120 Poliestireno 2,0 20
Considerando-se que o campo elétrico é uniforme entre as placas do capacitor, qual é a máxima tensão VC, em volts, que pode ser aplicada ao capacitor da Figura, sem que ocorra a ruptura da rigidez dielétrica?

As características elétricas de ambos os materiais estão listadas no Quadro a seguir.
Material Permissividade Relativa Rigidez Dielétrica (MV/m) Mica 5,0 120 Poliestireno 2,0 20
Considerando-se que o campo elétrico é uniforme entre as placas do capacitor, qual é a máxima tensão VC, em volts, que pode ser aplicada ao capacitor da Figura, sem que ocorra a ruptura da rigidez dielétrica?
Provas
Questão presente nas seguintes provas
No circuito da Figura abaixo, a frequência angular da fonte é igual a 200 rad/s.

O valor, em milifarad, da capacitância C para que a fonte só forneça potência ativa é de

O valor, em milifarad, da capacitância C para que a fonte só forneça potência ativa é de
Provas
Questão presente nas seguintes provas
- Instalações ElétricasEquipamentos em Baixa Tensão
- Instalações ElétricasEquipamentos em Média Tensão
- Proteção de Sistemas ElétricosProteção em Média Tensão
- Sistemas Elétricos de PotênciaDistribuição de Energia Elétrica
Considere a instalação elétrica e as curvas de proteção do disjuntor (D) e de fusíveis (F) representadas, respectivamente, no diagrama e nos gráficos a seguir.

Qual fusível deve ser utilizado para que a proteção seja seletiva?

Qual fusível deve ser utilizado para que a proteção seja seletiva?
Provas
Questão presente nas seguintes provas
Considere o circuito elétrico mostrado na Figura abaixo.

No exato instante em que um capacitor de 50 μF, completamente descarregado, é conectado entre os terminais 1 e 2 desse circuito, qual o valor, em ampères, da corrente fornecida pela fonte?

No exato instante em que um capacitor de 50 μF, completamente descarregado, é conectado entre os terminais 1 e 2 desse circuito, qual o valor, em ampères, da corrente fornecida pela fonte?
Provas
Questão presente nas seguintes provas
No circuito da Figura abaixo, a frequência angular da tensão da fonte é igual a 100 rad/s.

O valor, em watt, da potência dissipada no resistor é de

O valor, em watt, da potência dissipada no resistor é de
Provas
Questão presente nas seguintes provas
Em um determinado ponto de um sistema elétrico de potência, as impedâncias equivalentes das sequências positiva, negativa e zero, vistas desse ponto, respectivamente, são z1 = j0,2 p.u., z2 = j0,2 p.u. e z0 = j0,1 p.u. . A tensão de sequência positiva no ponto em questão para condições normais de operação é igual a 1∠0º p.u.. As grandezas são dadas em valores por unidade (p.u.) na base do sistema.
Dado √3 = 1,73
Sendo o curto-circuito entre a fase a e o nó de referência (terra) somente, e a impedância de falta igual a j0,1 p.u., então, o valor por unidade da corrente de curto-circuito na fase a é
Dado √3 = 1,73
Sendo o curto-circuito entre a fase a e o nó de referência (terra) somente, e a impedância de falta igual a j0,1 p.u., então, o valor por unidade da corrente de curto-circuito na fase a é
Provas
Questão presente nas seguintes provas
Considere o circuito RLC mostrado na Figura abaixo, no qual todos os componentes são considerados ideais.

Qual a expressão da impedância Z(s), expressa no domínio da variável complexa de Laplace “s”, vista dos terminais abertos do circuito?

Qual a expressão da impedância Z(s), expressa no domínio da variável complexa de Laplace “s”, vista dos terminais abertos do circuito?
Provas
Questão presente nas seguintes provas
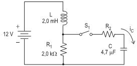
Considere que o circuito da Figura abaixo está inicialmente operando em regime permanente com a chave S1 aberta e o capacitor C completamente descarregado.

Dessa forma, qual deve ser o valor da resistência elétrica de R2 , em ohms, para que a corrente i C no capacitor seja de 5,0 mA, imediatamente após o fechamento da chave ideal S1 ?

Dessa forma, qual deve ser o valor da resistência elétrica de R2 , em ohms, para que a corrente i C no capacitor seja de 5,0 mA, imediatamente após o fechamento da chave ideal S1 ?
Provas
Questão presente nas seguintes provas
Considere o circuito RLC mostrado na Figura abaixo, no qual todos os componentes são considerados ideais.

Considerando R = 10 Ω L = 10 mH e C = 100 μF, qual o valor, em ohms, da impedância complexa equivalente Z(jω), na frequência de 103 rad/s?

Considerando R = 10 Ω L = 10 mH e C = 100 μF, qual o valor, em ohms, da impedância complexa equivalente Z(jω), na frequência de 103 rad/s?
Provas
Questão presente nas seguintes provas
Cadernos
Caderno Container