Foram encontradas 70 questões.
- Instalações ElétricasAterramentos
- Normas TécnicasNBRsNBR 5410: Instalações Elétricas de Baixa Tensão
Qual esquema de aterramento é proibido dentro de áreas classificadas como possuindo atmosfera explosiva?
Provas
Questão presente nas seguintes provas
Dentro das normas regulamentadoras relativas à segurança e higiene no trabalho, fica constituída uma instância, cujo objetivo é a prevenção de acidentes e de doenças decorrentes do trabalho, de modo a tornar compatível, permanentemente, o trabalho com a preservação da vida e a promoção da saúde do trabalhador, composta por representantes do empregador e dos empregados.
Essas características referem-se à
Essas características referem-se à
Provas
Questão presente nas seguintes provas
As funções matemáticas que descrevem a corrente e a tensão de uma carga monofásica, em função do tempo, são: i(t) = 20cos (2π60t + 15º ) A e v(t) = 180 cos (2π60t + 45º ) V, respectivamente.
O valor, em var, da potência reativa solicitada pela carga é de
O valor, em var, da potência reativa solicitada pela carga é de
Provas
Questão presente nas seguintes provas

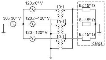
No circuito da Figura acima, o valor, em ampères, da amplitude da corrente de fase da carga é
Dado √3 = 1,73
Provas
Questão presente nas seguintes provas

No circuito da Figura acima, o valor, em volts, da tensão entre o neutro da fonte e o neutro da carga é
Dado √3 = 1,73
Provas
Questão presente nas seguintes provas
- Proteção de Sistemas ElétricosProteção em Média Tensão
- Transformadores e Máquinas Elétricas
- Sistemas Elétricos de PotênciaDistribuição de Energia Elétrica
O relé térmico é um dispositivo de proteção para motores, cuja função é protegê-los contra
Provas
Questão presente nas seguintes provas
A Figura a seguir apresenta parte do projeto elétrico de uma residência hipotética. Sabe-se que a concessionária de energia elétrica local fornece ao consumidor tensão fase-neutro em 127 V e tensão fase-fase em 220 V, e que os circuitos 1 e 2 são, respectivamente, monofásico e bifásico.

Diante do exposto, o retângulo desenhado com linhas tracejadas no projeto representa

Diante do exposto, o retângulo desenhado com linhas tracejadas no projeto representa
Provas
Questão presente nas seguintes provas

No circuito da Figura acima, o valor aproximado, em volts, do fasor da tensão entre a fase a e o neutro da carga é igual a
Provas
Questão presente nas seguintes provas
O prazo para a conclusão de um projeto foi levantado por meio do diagrama de redes PERT-CPM, tendo esse prazo coincidido com o estipulado pela administração.
A probabilidade de o projeto estar concluído dentro desse prazo é de
A probabilidade de o projeto estar concluído dentro desse prazo é de
Provas
Questão presente nas seguintes provas

Para que o fator de potência equivalente de uma indústria seja unitário, foi instalado um banco de capacitores na entrada em média tensão, utilizando um transformador, no qual sua relação de transformação é igual a N1 :N2 conforme indicado na Figura acima.
De acordo com as informações apresentadas, o valor de N1 :N2 é
Provas
Questão presente nas seguintes provas
Cadernos
Caderno Container