Foram encontradas 70 questões.
Uma barra condutora pode mover-se sem atrito, perpendicularmente a dois trilhos paralelos separados por 60 cm conforme ilustrado na Figura abaixo.

Nesse esquema, ambos os terminais dos trilhos possuem resistores a eles conectados. Já a barra e os trilhos possuem resistência elétrica desprezível.
Considerando-se que o esquema da Figura está imerso em um campo magnético uniforme com
= 2,0 T, qual deve ser a intensidade da força
,em newtons, a ser aplicada à barra móvel, de modo que ela se desloque com velocidade constante de 1,0 m/s?

Nesse esquema, ambos os terminais dos trilhos possuem resistores a eles conectados. Já a barra e os trilhos possuem resistência elétrica desprezível.
Considerando-se que o esquema da Figura está imerso em um campo magnético uniforme com
= 2,0 T, qual deve ser a intensidade da força
,em newtons, a ser aplicada à barra móvel, de modo que ela se desloque com velocidade constante de 1,0 m/s?Provas
Questão presente nas seguintes provas

A 3
B 4
C 2
D 6
E 2
F 3
G 3
H 4
I 5
J 3
K 4
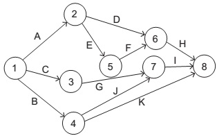
A Figura acima apresenta o diagrama de redes PERT-CPM e seu Quadro com os tempos das atividades em unidades de tempo (ut) de um projeto.
As atividades que compõem o caminho crítico desse projeto são:
Provas
Questão presente nas seguintes provas
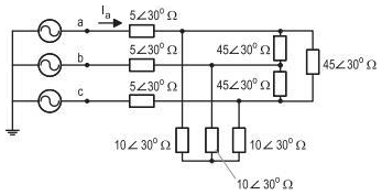
No circuito da Figura abaixo, a tensão da fonte é trifásica e de sequência positiva, sendo a tensão entre a fase a e o neutro igual a 220∠Oº V.

De acordo com as informações apresentadas, o fasor, em ampères, da corrente Ia , indicada na Figura, é

De acordo com as informações apresentadas, o fasor, em ampères, da corrente Ia , indicada na Figura, é
Provas
Questão presente nas seguintes provas
O sistema de proteção de uma instalação de baixa tensão é seletivo quando
Provas
Questão presente nas seguintes provas
Considere a curva característica de um relé térmico da Figura e os dados de um motor constantes do Quadro, a seguir.


Dados do motor
Tipo / fases Indução / trifásico
Corrente nominal (IN) 10 A
Corrente nominal de partida (INP) 6 x IN
Tempo de rotor bloqueado (TRB) 10 s
Tempo de partida (TP) 5 s
Qual é o valor, em ampères, da corrente de ajuste IAJ que protege adequadamente esse motor?
Provas
Questão presente nas seguintes provas
No circuito da Figura abaixo, a corrente da fonte é igual a 120 A.
O valor, em ampères, da corrente que passa pelo resistor de 25 Ω é de
O valor, em ampères, da corrente que passa pelo resistor de 25 Ω é de
Provas
Questão presente nas seguintes provas

Para o circuito resistivo e de corrente contínua, mostrado na Figura acima, o valor, em volt, da fonte de tensão e o valor, em Ohms, da resistência, para o equivalente Thevenin medido entre os pontos 1 e 2, respectivamente, são
Provas
Questão presente nas seguintes provas
- Instalações ElétricasAterramentos
- Normas TécnicasNBRsNBR 5410: Instalações Elétricas de Baixa Tensão

A respeito da instalação de DPS no quadro principal de uma edificação que possui dispositivo DR, conforme a norma NBR 5410, o uso da configuração de instalação de DPS da figura acima é obrigatório quando a instalação for
Provas
Questão presente nas seguintes provas
O circuito elétrico de corrente contínua, mostrado na Figura abaixo, apresenta um capacitor que está inicialmente descarregado. Considere que após o fechamento da chave ch, a tensão do capacitor atingirá o seu valor máximo, quando forem decorridos cinco constantes de tempo.

Após o fechamento da chave, qual será, em segundos, o menor tempo decorrido para o capacitor atingir a sua tensão máxima?

Após o fechamento da chave, qual será, em segundos, o menor tempo decorrido para o capacitor atingir a sua tensão máxima?
Provas
Questão presente nas seguintes provas
O circuito puramente resistivo da Figura abaixo mostra uma fonte de tensão contínua Vƒ alimentando um conjunto de resistências. Sabe-se que a soma dos valores absolutos das correntes I 1 + I 2 = 1,6 A.

Qual o valor, em volts, da fonte de tensão Vƒ ?

Qual o valor, em volts, da fonte de tensão Vƒ ?
Provas
Questão presente nas seguintes provas
Cadernos
Caderno Container