Foram encontradas 577 questões.
Uma fonte de tensão alimenta uma carga resistiva variável. Efetuam-se duas medidas sobre a carga e constata-se que, quando a carga consome 2 A, a tensão sobre ela é de 9 V, e quando consome 4 A, a tensão cai para 6 V. Assinale a alternativa que apresenta a resistência interna da fonte.
Provas
O circuito ao lado representa uma fonte de tensão contínua, com resistência interna ri e E = 6 V, em vazio. A fonte alimenta uma carga resistiva\( R_L \) = 1 Ω, com tensão \( V_{RL} \)= 4 V, indicada pelo voltímetro V.

Assinale a alternativa que apresenta o valor da resistência interna ri.
Provas
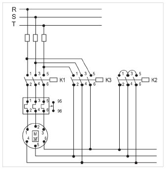
Considere o diagrama de força para partida de motores usando a chave estrela-triângulo, apresentado ao lado.

A respeito desse diagrama, considere as seguintes afirmativas:
1. No instante da partida do motor, somente as chaves contatoras K1 e K3 são energizadas.
2. Após chaveamento da ligação estrela para triângulo, somente as chaves contatoras K1 e K2 estarão energizadas.
3. No regime permanente de operação, somente as chaves contatoras K1 e K3 estarão energizadas.
4. A chave K2 está conectada incorretamente, considerando o esquema estrela-triângulo.
Assinale a alternativa correta.
Provas
Com relação à Lei de Faraday, considere as seguintes afirmativas:
1. A corrente elétrica induzida em um circuito fechado por um campo magnético é proporcional ao número de linhas do fluxo que atravessa a área envolvida do circuito, por unidade de tempo.
2. Uma força eletromotriz induzida gerada pode ser aumentada através do aumento da intensidade do campo magnético.
3. Quanto maior for a velocidade relativa entre o condutor e o campo magnético, menor será a força eletromotriz induzida.
4. A tensão induzida em um circuito aberto por um campo magnético é inversamente proporcional ao número de linhas do fluxo que atravessa a área envolvida do circuito, por unidade de tempo.
Assinale a alternativa correta.
Provas
A oposição oferecida por um material à passagem do fluxo magnético é denominada:
Provas
Assinale a alternativa que define corretamente a retentividade ou remanência de um material magnético.
Provas
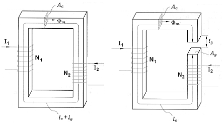
Para realizar alguns testes, dois transformadores idênticos foram utilizados. Todavia, em um dos transformadores, parte do circuito magnético foi cortado, formando um entreferro de ar com comprimento \( l_g \), conforme ilustrado na figura ao lado.

Despreze o efeito da dispersão magnética, das perdas no núcleo e da resistência das bobinas. Com base nas informações apresentadas e nas figuras, identifique como verdadeiras (V) ou falsas (F) as seguintes afirmativas:
( ) Se os dois transformadores estão submetidos à mesma tensão no primário e o secundário de ambos está em aberto, os dois transformadores vão apresentar a mesma tensão no secundário.
( ) Se os dois transformadores estão submetidos à mesma tensão no primário e o secundário de ambos está em aberto, o transformador com entreferro vai apresentar maior corrente no primário.
( ) Se os dois transformadores estão submetidos à mesma tensão no primário e o secundário de ambos está em aberto, os dois transformadores vão apresentar a mesma densidade de fluxo no material ferromagnético.
( ) Se os dois transformadores estão submetidos à mesma tensão no primário, a corrente de magnetização será igual nos dois transformadores.
Assinale a alternativa que apresenta a sequência correta, de cima para baixo.
Provas
A figura ao lado apresenta o circuito equivalente de um transformador monofásico.

A respeito dessa figura, considere como verdadeiras (V) ou falsas (F) as seguintes afirmativas:
( ) RC é referido como a resistência de magnetização ou resistência de perdas no núcleo.
( ) No enrolamento primário, o fluxo disperso induz uma tensão que se soma àquela produzida pelo fluxo mútuo. No circuito equivalente, a queda de tensão no primário devido ao fluxo disperso é representada pelo produto entre a corrente no primário do transformador e a reatância de dispersão de primário \( _{XL1} \).
( ) \( R_1 \) representa a resistência do enrolamento do primário do transformador.
( ) \( X_m \) é conhecida como reatância de magnetização.
Assinale a alternativa que apresenta a sequência correta, de cima para baixo.
Provas
Sobre os esquemas de aterramento, identifique como verdadeiras (V) ou falsas (F) as seguintes afirmativas:
( ) No esquema TT, um ponto da fonte é ligado diretamente à terra.
( ) No esquema TN-C, o condutor neutro é também usado como condutor de proteção.
( ) No esquema TN-S os condutores de proteção também são utilizados como neutro.
( ) No esquema TN-C-S, o esquema TN-C não deve nunca ser usado a jusante do sistema TNS.
Assinale a alternativa que apresenta a sequência correta, de cima para baixo.
Provas
O Sistema de Manutenção Planejada (SMP) é uma sistemática de ação dentro do escopo da manutenção preventiva, sendo constituído por elementos documentais que estabelecem o detalhamento de tarefas e de recursos necessários para a concretização do processo de manutenção. Tendo como base a SMP, identifique como verdadeiras (V) ou falsas (F) as seguintes afirmativas:
( ) Através do SMP, busca-se alcançar a máxima disponibilidade, confiabilidade e desempenho dos sistemas abrangidos; para tanto, buscar-se-á otimizar os recursos disponíveis para a atividade de manutenção.
( ) Através do SMP, as atividades de manutenção são planejadas de maneira macro, não sendo necessário observar os níveis e detalhes de operação dos setores da organização, dado que o foco é a atividade técnica dos equipamentos envolvidos e suas demandas específicas.
( ) A execução das tarefas de manutenção é uma atividade realizada inerentemente centralizada.
( ) A documentação do SMP demanda a constituição de um conjunto de documentos que embasam a operação de manutenção, dentre os quais o plano mestre de manutenção, que contém a distribuição de rotinas de manutenção para um determinado ciclo.
Assinale a alternativa que apresenta a sequência correta, de cima para baixo.
Provas
Caderno Container