Foram encontradas 577 questões.
Materiais condutores são utilizados em aplicações em que a corrente elétrica circula com as menores perdas possíveis. Considere as descrições de materiais de elevada condutividade elétrica e os tipos de materiais condutores apresentados a seguir:
P - Material de pequena resistividade, com características mecânicas favoráveis, baixa oxidação e que apresenta fácil deformação a frio e a quente. É obtido em forma eletrolítica.
Q - Material que, em sua forma pura, é usado nos casos em que as solicitações mecânicas são pequenas. Pode apresentar corrosão galvânica, dependendo do metal com que estiver em contato. É o segundo metal mais usado em eletricidade.
R - Material que apresenta bastante estabilidade química e uma fácil deformação mecânica. Em função de suas propriedades antioxidantes, é encontrado em peças de contato, anodos e fios de aquecimento.
Com base nessas descrições, considere os seguintes materiais condutores:
1. cobre.
2. alumínio.
3. prata.
4. chumbo.
5. platina.
Assinale a alternativa que apresenta a relação correta entre os materiais condutores apresentados e as descrições fornecidas.
Provas
No circuito elétrico apresentado na figura ao lado, um técnico deve atuar no potenciômetro P para anular a corrente medida no amperímetro A.

Assinale a alternativa que apresenta o valor da resistência de P que anula a corrente no amperímetro.
Provas
Considerando que dois wattímetros sejam utilizados para efetuar a medição da potência ativa total de uma carga trifásica alimentada por meio de três condutores, assinale a alternativa correta.
Provas
Em relação aos instrumentos de medidas elétricas, considere as seguintes afirmativas:
1. Os instrumentos básicos de medição analógicos são normalmente constituídos de um galvanômetro, acrescentando-se resistores em série para se obter o voltímetro e em paralelo para o amperímetro.
2. O voltímetro deve possuir resistência interna próxima de zero e o amperímetro deve possuir resistência interna a mais elevada possível.
3. Para se efetuar medidas com o voltímetro e o amperímetro, eles devem ser ligados em paralelo e em série, respectivamente, com o elemento a ser medido.
4. Para a medição de potência ativa, o wattímetro possui uma bobina de potencial e uma de corrente que devem ser ligadas em paralelo e em série, respectivamente, com o elemento a ser medido.
Assinale a alternativa correta.
Provas
A ruptura dielétrica ocorre em todos os materiais dielétricos reais (não ideais) e depende da intensidade do campo elétrico aplicado sobre a espessura do material (kV/mm). O menor valor de campo elétrico para o qual essa ruptura ocorre denomina-se:
Provas
Assinale a alternativa que apresenta a tensão v indicada no circuito elétrico ao lado.

Provas
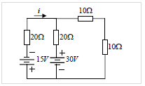
Assinale a alternativa que corresponde à corrente i, indicada no circuito elétrico ao lado.

Provas
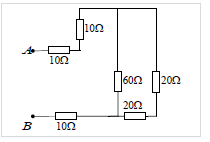
Assinale a alternativa que apresenta a resistência equivalente, vista entre os terminais A e B do circuito elétrico ao lado.

Provas
Para uma dada potência ativa de carga, o fator de potência com o qual uma máquina síncrona opera, e consequentemente a sua corrente de armadura, pode ser controlado ajustando-se a excitação de campo. A curva que mostra a relação entre corrente de armadura e campo, para uma tensão de terminal e uma potência ativa constante, é conhecida como curva V, devido a sua forma característica. Uma família de curvas V para um gerador síncrono tem a forma mostrada na figura abaixo.

Com base na figura e nas informações apresentadas, considere as seguintes afirmativas:
1. Para uma corrente de campo constante no gerador síncrono, o aumento da potência ativa na saída do gerador faz com que apresente uma característica cada vez mais capacitiva.
2. Para uma potência ativa constante na saída do gerador síncrono, a corrente de armadura é mínima quando o fator de potência é unitário, e aumenta à medida que o fator de potência diminui.
3. A potência reativa capacitiva máxima que essa máquina é capaz de produzir está limitada pelo aquecimento do enrolamento de campo.
4. No motor síncrono, o aumento da corrente de campo faz com que o fator de potência da máquina se torne cada vez mais capacitivo.
Assinale a alternativa correta.
Provas
A figura ao lado apresenta um transformador trifásico com ligação triângulo-estrela. As tensões de alimentação do transformador são equilibradas e as correntes no secundário do transformador estão equilibradas também, ou seja, as correntes são iguais nas três fases.

Com base na figura e nas informações apresentadas, assinale a alternativa que apresenta o valor aproximado da corrente de linha eficaz no secundário do transformador (\( I_S \)) quando a corrente de fase no primário do transformador (\( I_{fp} \)) for de 2 A eficaz.
Provas
Caderno Container