Magna Concursos

Foram encontradas 60 questões.

73687 Ano: 2011
Disciplina: Engenharia Elétrica
Banca: FCC
Orgão: INFRAERO
Provas:

As afirmações a seguir referem-se a tipos e características de excitatrizes:

I. A excitatriz rotativa é montada no eixo da máquina principal, fornecendo alimentação contínua ao enrolamento de campo através de escovas e anéis coletores.

II. A excitatriz estática consiste em um regulador eletrônico com circuitos de comando e controle, capazes de fornecer a excitação necessária ao enrolamento de campo da máquina síncrona através de anéis coletores e escovas.

III. A excitatriz rotativa possui resposta mais rápida às variações sentidas na tensão de saída do gerador do que os outros tipos de excitatrizes.

IV. Uma das desvantagens da excitatriz estática é possuir elevado nível de distorção harmônica da tensão de saída.

Está correto o que se afirma APENAS em

 

Provas

Questão presente nas seguintes provas
73686 Ano: 2011
Disciplina: Engenharia Eletrônica
Banca: FCC
Orgão: INFRAERO
Provas:

A figura a seguir representa o diagrama em blocos básico de um no-break on-line:

Enunciado 3456912-1

Os blocos 1, 2, 3 e 4 representam, respectivamente,

 

Provas

Questão presente nas seguintes provas
73685 Ano: 2011
Disciplina: Engenharia Eletrônica
Banca: FCC
Orgão: INFRAERO
Provas:

A figura a seguir representa um circuito formado por portas lógicas:

Enunciado 3456911-1

A expressão Booleana que representa a sua função lógica é

 

Provas

Questão presente nas seguintes provas
73684 Ano: 2011
Disciplina: Engenharia Elétrica
Banca: FCC
Orgão: INFRAERO
Provas:

Em cabeamento estruturado para montagem de um cabo UTP crossover deve-se

 

Provas

Questão presente nas seguintes provas
73683 Ano: 2011
Disciplina: Engenharia Eletrônica
Banca: FCC
Orgão: INFRAERO
Provas:

Em relação à geração do sinal PCM em telefonia, considere:

I. O sinal de voz passa sequencialmente por 3 etapas, que são: amostragem, amplificação e quantização.

II. A frequência de amostragem é 8 kHz.

III. A codificação é realizada por 8 bits.

IV. A taxa de transmissão de cada canal é 64 kbps.

Está correto o que se afirma em

 

Provas

Questão presente nas seguintes provas
73682 Ano: 2011
Disciplina: Engenharia Elétrica
Banca: FCC
Orgão: INFRAERO
Provas:

Considere:

Em radiocomunicação, a faixa de ...I..., comumente utilizada em transmissão de sinais de ...II..., utiliza a faixa de frequências de ...III... .

Substituirá corretamente I, II e III o que consta no quadro abaixo em:

I

II III
 

Provas

Questão presente nas seguintes provas
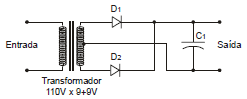
73681 Ano: 2011
Disciplina: Engenharia Elétrica
Banca: FCC
Orgão: INFRAERO
Provas:

Considere o circuito a seguir:

Enunciado 3456907-1

Trata-se de uma fonte de tensão ...I... de ...II... . O circuito formado por D1 e D2 é um ...III... .

Substituirá corretamente I, II e III o que consta no quadro abaixo em:

I II III
 

Provas

Questão presente nas seguintes provas
73680 Ano: 2011
Disciplina: Engenharia Eletrônica
Banca: FCC
Orgão: INFRAERO
Provas:

Considere o circuito e a carta de tempos dos sinais de entrada dados a seguir:

Enunciado 3456906-1

O nível lógico da saída S nos instantes t1, t2 e t3 são, respectivamente,

 

Provas

Questão presente nas seguintes provas
73679 Ano: 2011
Disciplina: Engenharia Elétrica
Banca: FCC
Orgão: INFRAERO
Provas:

Considere:

São equipamentos utilizados para gerar tensão alternada com saída variável em tensão e frequência e muito utilizados para controlar a velocidade de motores de indução.

A descrição acima refere-se aos

 

Provas

Questão presente nas seguintes provas
A exploração de serviços aéreos públicos dependerá sempre da prévia concessão, quando se tratar de transporte aéreo regular, ou de autorização no caso de transporte aéreo não regular ou de serviços especializados. A concessão somente será dada à pessoa jurídica brasileira que tiver sede
Questão Anulada

Provas

Questão presente nas seguintes provas