Foram encontradas 60 questões.

O verbo que se encontra flexionado nos mesmos tempo e modo do grifado acima está em:
Provas
O pronome grifado na frase acima substitui, considerando- se o contexto, a expressão
Provas
texto abaixo.

Transpondo-se a frase acima para a voz passiva, a forma verbal resultante será:
Provas
texto abaixo.

Provas
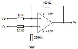
Considere o circuito a seguir:

Sabendo-se que VE1 = 150 mV e VE2 = 250 mV, a saída VS vale, em V:
Provas
Considere as competências a seguir referentes à segurança no trabalho:
I. A empresa é obrigada a fornecer gratuitamente aos empregados os equipamentos de proteção individuais (EPIs) em perfeito estado de conservação e adequados aos riscos.
II. Cabe ao empregado cumprir as determinações do empregador sobre o uso adequado do EPI quando este não atrapalhar na eficiência de execução de suas tarefas.
III. Cabe ao empregado zelar pela sua segurança e a de outras pessoas que possam ser afetadas por suas ações ou omissões no trabalho.
Está correto o que se afirma em
Provas
Pela 2a Lei de Ohm, a resistência de um material é
Provas
Um transformador com tensão de primário de 110 V e de secundário de 12 V está alimentando um circuito que consome 500 mA.
Nestas condições, a corrente do primário vale, aproximadamente, em mA:
Provas
Considere:
É o acompanhamento periódico dos equipamentos, baseado na análise de dados coletados através de monitoração ou inspeções em campo.
A afirmação refere-se a um tipo de manutenção denominada
Provas
Duas resistências em paralelo (R1 e R2) estão ligadas a uma fonte de alimentação de 12 V. Sabe-se que R1 = 1 k\( \Omega \) e que consome 1/4 da corrente total fornecida pela fonte.
Ao dobrar a tensão da fonte de alimentação, o valor da corrente que passaria por R2 seria de, em mA:
Provas
Caderno Container