Foram encontradas 1.174 questões.
O proprietário de uma aeronave da "Empresa ABC Ltda." pretende obter certificado de homologação de tipo de aeronave. Para a emissão desse certificado o interessado deverá providenciar o documento denominado certificado de
Provas
O Diretor de Administração da INFRAERO, nos termos do memorando encaminhado ao Superintendente de Licitações e Contratos, indaga sobre a existência de norma legal disciplinando a escolha da modalidade de licitação que não seja em razão do valor estimado da contratação. Em resposta, o Superintendente esclareceu que a lei de regência das licitações e contratos administrativos autoriza, nos casos em que couber
Provas
Todo aquele que prestar assistência voluntária de busca e salvamento obtendo resultado útil, salvando pessoas ou concorrendo para salvá-las terá direito à remuneração. O prazo para valer esse direito será de
Provas
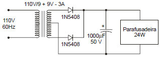
Primeiramente, o técnico pesquisou na Internet o datasheet do diodo 1N5408, de onde obteve as especificações IFAV = 3 A e VR = 1000 V, que significam, respectivamente, corrente
Provas
Antes de medir a tensão máxima de saída da fonte, o técnico realizou o seu cálculo para compará-la com o valor medido. Esse cálculo correto está representado em:
Dados:
\( \sqrt2=1,4 \)
Tensão de condução do diodo = 0,7 V
Provas
O texto e o circuito elétrico apresentados abaixo refere-se a questão.
Uma parafusadeira elétrica de 24 W funciona conectada a uma fonte de alimentação. Como a parafusadeira parou de funcionar, um técnico procurou primeiramente analisar as condições da fonte de alimentação, iniciando pelo levantamento do seu circuito elétrico, conforme está apresentado abaixo.

A função do capacitor na fonte é
Provas
Para se medir a tensão de uma tomada bifásica, 60Hz, com um multímetro digital, o seletor deve estar posicionado em
Provas
Na ventilação de um recinto de 32 m3, constatou-se a necessidade de 4 minutos por troca de ar. Como a máxima velocidade permitida ao ar é de 200 m/min, a área mínima da seção transversal dos dutos de insuflamento é, em m2, de
Provas
Numa escala de medida de temperatura denominada hipotética e representada por H, 10 °C correspondem a 10 H e 50 °C a 40 H. A relação que possibilita a conversão de uma escala à outra é
Provas
Métodos de proteção dos metais contra a corrosão, utilizando coberturas metálicas do tipo anódica, entre outros metais, empregam
Provas
Caderno Container