Foram encontradas 511 questões.
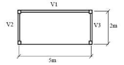
A laje de concreto armado da figura está apoiada nas vigas V1, V2 e V3 e possui um bordo livre. O carregamento atuante nessa laje é uniformemente distribuído e igual a 7 kN/m2:

As reações dessa laje nas vigas V1 e V2 são as seguintes:
Provas
A viga contínua da figura está submetida a uma carga uniformemente distribuída e sua seção transversal é constante ao longo de todo o seu comprimento:

Os momentos fletores máximos positivo e negativo atuantes nessa viga são os seguintes:
Provas
A sapata da figura de base quadrada deve ser projetada como uma sapata rígida para suportar uma carga vertical centrada de um pilar quadrado de lado igual a 20cm:

Considerando-se que o peso próprio da sapata já está incluído nesta carga vertical e que a pressão admissível do solo é de 300 kN/m2, as menores dimensões dessa sapata rígida devem ser as seguintes:
Provas
O muro de arrimo da figura está suportando um solo de peso específico igual a 16 kN/m3 e com um coeficiente de empuxo ativo igual a 1/3:

Pelo Método de Rankine, o valor total do empuxo ativo sobre este muro será igual a
Provas
Provas
- Análise de Demonstrações ContábeisÍndices
- Análise de Demonstrações ContábeisRetorno sobre Capital Empregado
Provas
- Análise de Demonstrações ContábeisÍndices
- Análise de Demonstrações ContábeisRetorno sobre Capital Empregado
Provas
Provas
Provas
Quais foram as principais fontes de financiamento do II Plano Nacional de Desenvolvimento?
Provas
Caderno Container