Foram encontradas 80 questões.

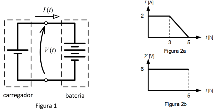
Considere um sistema de carga de bateria hipotético, mostrada na Figura 1, no qual, os gráficos da corrente I(t) e da tensão V (t) são mostradas nas Figuras 2a e 2b. Ao longo do período de carga, que é de 5 h, a energia fornecida pelo carregador, em kJ, é:
Provas

Na Figura 1, é apresentado um manômetro de Hg, graduado em cm, que aprisiona uma certa massa de gás ideal em equilíbrio. Adiciona-se uma nova quantidade de Hg pela extremidade aberta do manômetro e, após o novo equilíbrio, obtém-se a configuração da Figura 2.
Sabendo que a temperatura ambiente se manteve constante, desprezando-se qualquer vazamento de gás e sendo 70 cmHg a pressão atmosférica, o valor da graduação \( x \), em cm, é:
Provas

Na figura, são mostradas três partículas fixadas e uma quarta partícula pendurada por um fio inextensível. As quatro partículas estão carregadas eletricamente e em equilíbrio nos vértices de um quadrado de lado L.
Dado:
• constante elétrica do meio: k.
Observação:
• as cargas de cada partícula estão indicadas na figura.
A tração no fio é:
Provas

Cinco discos A, B, C, D e E, de centros fixos, giram solidariamente conforme a geometria da figura. Duas partículas de massas m e 2m enrolam ou desenrolam fios inextensíveis às mesmas velocidades escalares das bordas de seus respectivos discos.
Dados:
• aceleração da gravidade: g;
Observações:
• os cinco discos estão inicialmente em repouso; • os cinco centros dos discos estão na mesma horizontal;
• o disco A está engrenado ao disco B;
• ao girar, o disco B faz o disco C girar à mesma velocidade angular, pois B e C são concêntricos;
• o disco C está engrenado ao disco D;
• ao girar, o disco D faz o disco E girar à mesma velocidade angular, pois D e E são concêntricos;
• a partícula de menor massa está associada ao disco A e a de maior massa ao disco E;
• despreze as massas dos discos e desconsidere quaisquer deslizamentos.
Pelo princípio da conservação da energia, a aceleração (módulo e sentido) da partícula de maior massa, após o início de seu movimento, é:
Provas
No cubo \( ABCDEFGH \), a aresta mede \( l \). Conforme a figura, o ponto \( B_1 \), sobre a aresta \( AB \), é tal que \( \overline{AB_1} = l/3 \); o ponto \( D_1 \), sobre a aresta \( AD \), é tal que \( \overline{AD_1} = l/3 \) e o ponto \( H_1 \), sobre a aresta \( GH \), é tal que \( \overline{GH_1} = l/3 \).
A área do triângulo \( B_1D_1H_1 \) é
Provas
São dados \( n \) círculos de mesmo raio \( r \), cujos centros são os vértices de um polígono regular \( P \) de \( n \) lados, de forma que cada círculo tangencia externamente dois outros círculos. Seja \( R \) o raio do círculo circunscrito a \( P \).
O valor de \( n \) quando \( R = 2r \) é
Provas
Seja \( I \) o incentro do triângulo \( ABC \) e \( L \) a interseção da semi-reta \( \vec{AI} \) com a circunferência circunscrita ao triângulo \( ABC \), com \( A \) e \( L \) distintos.
Dado que \( \overline{AB}+\overline{AC}=2\overline{BC} \), o valor de \( \dfrac{\overline{BL}}{\overline{AL}} \) é
Provas
Considere um triângulo com vértices em \( A(1,2), B(2,2) \) e \( C(4,0) \).
A equação da reta que é a bissetriz interna do triângulo referente ao vértice A é
Provas
O número de soluções da equação \( cos^3(x) + sen^3(x)+\dfrac{1}{2}sen(2x)=1 \) no intervalo \( [0,2\pi) \) é
Provas
Seja \( \sqrt{3-\sqrt{3}+\sqrt{2+2\sqrt{2}\sqrt{3+\sqrt{\sqrt{2}-\sqrt{12}+\sqrt{18-\sqrt{128}}}}}} \). Sobre a \( \sqrt{2025+\sqrt{t}}+\sqrt{2025-\sqrt{t}}\le \sqrt{2025r} \)inequação pode-se afirmar que a mesma
Provas
Caderno Container