Foram encontradas 1.765 questões.
As técnicas de magnetização no ensaio de partículas magnéticas são:
Provas
Analisando as afirmativas sobre a técnica preditiva de radiografia industrial:
I) O material a ser ensaiado é posicionado entre uma fonte emissora de radiação e um filme. Uma parte dos raios emitidos é absorvida pelo material e a outra parte irá atravessá-lo, sensibilizando o filme e produzindo nele uma imagem do material ensaiado. Após a revelação, temos uma chapa radiográfica para ser analisada e interpretada.
II) Os raios X são gerados através de elementos chamados de isótopos, que emitem, espontaneamente, do núcleo partículas e radiações eletromagnéticas.
III) Os raios gama são gerados ao se acelerar, por meio de uma fonte externa de energia, os elétrons de um cátodo. Esses elétrons saem em alta velocidade em direção ao ânodo. Ao colidirem com o ânodo, esses elétrons penetram na eletrosfera do metal do ânodo, causando sua instabilidade, com grande liberação de calor e de ondas eletromagnéticas.
IV) Depois que o filme é exposto à radiação, os grãos dos sais de prata reagem quimicamente em contato com o revelador, transformando-se em prata metálica enegrecida.
É essa prata escurecida que forma a imagem na chapa radiográfica. Qual(is) está(ão) CORRETA(S)?
Provas
Sobre a técnica de ultrassom NÃO podemos afirmar:
Provas
Líquido penetrante é uma técnica utilizada na manutenção preditiva para análise estrutural de peças que compõem as máquinas e equipamentos. Sobre essa técnica podemos afirmar que:
Provas
Para ser executada, a manutenção preditiva exige a utilização de aparelhos adequados, capazes de registrar falhas, tais como rolamentos deteriorados, engrenagens defeituosas, acoplamentos desalinhados e rotores desbalanceados. Esses defeitos podem ser detectados por:
Provas
São fatores implementadores do processo de qualidade na manutenção, EXCETO?
Provas
Analisando as afirmativas sobre qualidade da manutenção:
I) A razão de ser da atividade de manutenção é a operação. Por isso é muito importante conhecer bem suas necessidades, o que se precisa para atendê-lo bem e superar suas expectativas.
II) As gerências ou as lideranças não precisam informar, debater, motivar e orientar as pessoas, pois o sucesso da atividade de manutenção está ligado à ação de cada indivíduo isoladamente.
III) É preciso ter um exato conhecimento de onde se está e onde se quer chegar, estabelecendo indicadores para que se possa medir o resultado do plano de ação.
IV) Gerenciar processos é planejar, acompanhar a execução, verificar se há desvios e, quando necessário, fazer as devidas correções.
Qual(is) está(ão) INCORRETA(S)?
Provas
As afirmativas abaixo:
I) Indica as condições reais de funcionamento das máquinas com base em dados que informam o seu desgaste ou processo de degradação.
II) Obedece a um padrão previamente esquematizado, que estabelece paradas periódicas com a finalidade de permitir a troca de peças gastas por novas, assegurando assim o funcionamento perfeito da máquina por um período predeterminado.
III) Não existe filosofia, teoria ou fórmula para dimensionar uma equipe, pois nunca se sabe quando alguém vai ser solicitado para atender aos eventos que requerem a presença dos mantenedores.
São referentes, respectivamente, à?
Provas
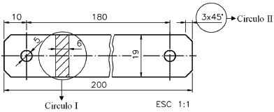
Analisando o desenho da peça abaixo, podemos concluir:

Provas
O que representam as cotagens assinaladas com círculos no desenho abaixo?

Provas
Caderno Container