Foram encontradas 1.765 questões.
Oxicorte é o nome dado a um grupo de processos de corte de metais e ligas por reação química entre oxigênio e o metal preaquecido. Assinale a alternativa em que ambas as ligas relacionadas possam ser facilmente cortadas ao maçarico.
Provas
A Norma DIN 8524 classifica trincas associadas a soldagem em dois grupos: trincas a quente, associadas com a presença de um filme líquido, e trincas a frio, que ocorrem com o material t otalmente n o e stado s ólido. A ssinale a o pção q ue, s egundo a N orma DIN 8524, é classificada como uma trinca a quente:
Provas
Os processos de soldagem necessitam de fontes de energia de alta intensidade, sendo uma dessas fontes baseada no princípio do arco elétrico. Assinale a opção em que todos os processos de soldagem relacionados correspondem a processos de soldagem por arco elétrico.
Provas
Considere um sistema de transmissão composto por uma polia motora de diâmetro 100 mm, uma polia movida de diâmetro 450mm e uma correia que conecta as polias. Assinale a alternativa que apresenta a velocidade aproximada da polia movida quando a polia motora está girando a 1700 RPM.
Provas
Eixos árvore são elementos destinados a suportar outros elementos como engrenagens e polias. Os eixos árvore apresentam ainda a finalidade de transmitir movimento. A junção dos eixos árvore com os outros elementos pode se dar por atrito ou por ligação de forma. São tipos de junções por ligação de forma:
Provas
Existem rolamentos de diversos tipos, e cada tipo de rolamento apresenta uma aplicação. Qual o tipo de rolamento adequado para resistir a esforços combinados moderados e a trabalhos em altas rotações?
Provas
Rolamentos são elementos de máquina que podem ser submetidos a esforços radiais, esforços axiais ou esforços combinados. Com relação aos rolamentos, um esforço radial corresponde a:
Provas
Um motor, para que seja funcional, necessita de meios para transmitir sua potência a outros mecanismos. Assinale a opção em que todos os dispositivos relacionados correspondem a elementos de transmissão de movimento:
Provas
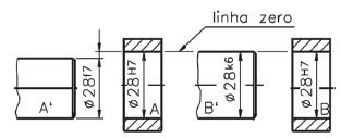
Analisando a figura abaixo, podemos concluir que:

Provas
Sobre o vocabulário da metrologia, qual das afirmativas abaixo está INCORRETA?
Provas
Caderno Container