Foram encontradas 395 questões.
Um usuário de um laboratório do Instituto Federal do Tocantins (IFTO) relatou que gostaria de informações para se sentir mais protegido de ataques cibernéticos.
Quais das opções abaixo podem ser consideradas boas práticas para aumentar o nível de segurança ao navegar na web?
Provas
Os sistemas de controle de automação industrial podem ser classificados em controle de processos contínuos ou controle de processos discretos. Analise as seguintes afirmativas:
I. Em um sistema de controle contínuo, todas as variáveis são funções de um tempo contínuo.
II. Sinais definidos apenas em determinados instantes de tempo são chamados de sinais de tempo discreto.
III. Um sinal senoidal é um sinal de tempo discreto.
IV. Chaves fim de curso são dispositivos que recebem apenas sinais contínuos.
É CORRETO apenas o que se afirma em:
Provas
Em um jantar na casa de Rafael surge a necessidade de abrir um recipiente de champignon em conserva cuja tampa está emperrada. Sabendo que a tampa desse recipiente é de alumínio e seu corpo de vidro, foi sugerido por sua namorada, com o intuito de facilitar a abertura do mesmo, expor a tampa ao fogo por algum tempo. Imediatamente depois desse processo, afastou-se da alta temperatura e voltou-se a tentar abrir a tampa. O procedimento sugerido pela namorada de Rafael possibilitou uma folga entre a tampa e o recipiente, permitindo que ela fosse aberta mais facilmente, isso porque:
Provas
Um técnico de laboratório do Instituto Federal do Tocantins (IFTO) percebeu que um aluno foi alvo de um ataque cibernético de phishing.
Qual das seguintes afirmativas define corretamente o phishing?
Provas
No universo dos sistemas automatizados, destacam-se os sistemas industriais de produção. Esses sistemas podem ser classificados quanto ao seu nível de flexibilidade. Analise as assertivas a seguir:
I. Está baseada em uma linha de produção especialmente projetada para a fabricação de um produto específico e determinado. É utilizada quando o volume de produção deve ser muito elevado, e o equipamento é projetado adequadamente para produzir altas quantidades de um único produto ou uma única peça de forma rápida e eficiente, isto é, para ter uma alta taxa de produção.
II. É baseada em um equipamento com capacidade de fabricar uma variedade de produtos com características diferentes, segundo um programa de instruções previamente introduzido. Esse tipo de automação é utilizado quando o volume de produção de cada item é baixo. O equipamento de produção é projetado para ser adaptável às diferentes características e configurações dos produtos fabricados. Essa adaptabilidade é conseguida mediante a operação do equipamento sob controle de um programa de instruções preparado para o produto em questão.
III. Pode ser entendida como uma solução de compromisso entre os outros dois tipos de automação. Também é conhecida como sistema de Manufatura Integrada por Computador e, em geral, parece ser mais indicado para o volume médio de produção.
Nesse tipo de fabricação, diferentes produtos podem ser fabricados ao mesmo tempo no mesmo sistema, bastando programar o computador central para desviar as diferentes peças e materiais para as estações de trabalho adequadas. Portanto, a potência computacional do controlador é o que torna essa versatilidade possível.
As assertivas I, II e III tratam, respectivamente, de automação:
Provas
Suponha que um fazendeiro no Tocantins precise construir uma represa com uma queda d’água de 20 m e seja necessário calcular o volume de água para obter 260 kWh de energia elétrica para abastecer sua residência. Considere que a energia potencial gravitacional da água seja totalmente transformada em energia elétrica. Aproxime a aceleração da gravidade para g = 9,8 m/s2. Estime a densidade da água para 1000 kg/m3. Com base nos dados informados, o volume de água que o fazendeiro precisa para gerar essa energia elétrica é:
Provas
Em uma reunião com a gestão de um campus, determinado técnico expôs os motivos para escolher determinado tipo de cabeamento para um laboratório.
De acordo com os padrões estabelecidos pelas normas da EIA/TIA-568-B, os cabos de par trançado, também conhecidos como cabos UTP, de categoria 5, podem ter uma velocidade máxima suportada para 100 metros de:
Provas
Imagine que você está no laboratório de Física do IFTO em 2024 e precise realizar um experimento em que a energia interna U de determinada quantidade de um material gasoso (considerado um gás ideal) está dentro de um recipiente e é diretamente proporcional à temperatura T, é possível calcular seu valor com a expressão (U = 12,4T). Expresse a energia em joules e a temperatura em kelvins. Se no início do processo o gás estava a uma temperatura de T = 190 K, considerando a transformação com volume constante, e recebendo posteriormente 980 J de uma fonte de calor, sua temperatura final será:
Provas
Em um experimento para estudo da conservação de energia, uma esfera é liberada do topo de uma rampa a partir de uma altura inicial até atingir a parte plana e horizontal da rampa. Nesse percurso ela passa inicialmente por um sensor fotoelétrico que inicia a contagem do intervalo de tempo até que ela passe pelo segundo sensor que encerra a mesma. Ambos os sensores se encontram na parte horizontal da rampa e medem o intervalo de tempo para percorrer uma distância de 30,0 cm. Sabendose que a esfera é considerada como uma partícula e que o intervalo de tempo obtido é de 0,160 s, determine qual deve ser a altura inicial aproximada, em unidades do Sistema Internacional, caso o sistema seja considerado conservativo. Considere g = 10,0 m/s².
Provas
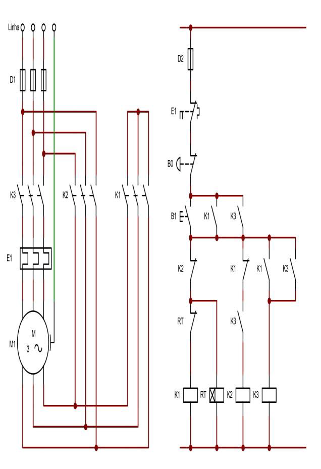
A figura a seguir apresenta o diagrama para partida de um motor. Pode-se afirmar que:

Provas
Caderno Container