Foram encontradas 40 questões.
Observe a obra de Munch

Edvard Munch. The Death Bed 1895, Rasmus
Meyer Collection, Bergen.
Segundo as Técnicas de Comunicação Visual descritas por Donis A. Dondis em Sintaxe da Linguagem Visual (2003), considere as seguintes afirmações sobre a obra The Death Bed de Edvard Munch.
I. A obra apresenta profundidade, pois sugere a aparência natural de dimensão basicamente pelo uso da perspectiva.
II. A obra apresenta simetria, pois cada unidade situada de um lado da linha central é rigorosamente repetida de outro lado.
III. A obra apresenta distorção, pois o realismo foi adulterado e controlado seus efeitos através do desvio da forma regular.
Estão corretas as afirmativas
Provas
Questão presente nas seguintes provas
Conforme a NBR 10068 – Folha de Desenho – a largura da margem esquerda para as folhas de desenho da série A deve ser
Provas
Questão presente nas seguintes provas
Ainda no texto “As negociações da diferença: Arte-educação como desfiliação na era pós-moderna”, jan jagodzinski argumenta que deve permanecer como prioridade do educador de arte o “como” a obra de arte é estruturada e “os efeitos de sua visão”. Porém, para que possa ser alcançado um programa de arte culturalmente diverso, o autor defende a introdução, divisão e mistura de três textos visuais dentro das salas de aula.
Assinale com V (verdadeira) ou F (falsa) as seguintes afirmações, de acordo com jan jagodzinski, quanto aos textos visuais a serem utilizados em sala de aula.
( ) Inclusão do Cânone artístico estabelecido – deve ser lido como um discurso desfiliatório, integrando e desconstruindo os seus binarismos. Professor e estudantes podem descanonizar os “clássicos” de acordo com perspectivas alternativas.
( ) Inclusão de textos relevantes de tantas culturas quantas pedagogicamente forem necessárias, isto é, textos visuais e artefatos que têm significado especial para uma cultura. Estes são identificados de acordo com o significado do conteúdo para o grupo que é social e politicamente “dominante”.
( ) Inclusão da Cultura popular de textos de mídia (especialmente música, filme, vídeo, televisão, anúncio), que pode ser acessível tanto ao cânone histórico da arte, quanto ao texto relevante das culturas minoritárias dominantes.
A seqüência correta de preenchimento dos parênteses, de cima para baixo, é
Provas
Questão presente nas seguintes provas
Considerando-se um cone, cuja geratriz forma com sua base um ângulo de 60°, seccionado por um plano, que forma um ângulo de 30º com sua base, a seção obtida será uma
Provas
Questão presente nas seguintes provas
A escala indica a relação que existe entre o tamanho real de uma peça com o tamanho do seu desenho. De acordo com a norma NBR 8196 – Emprego de Escalas em Desenho Técnico - é considerada uma escala recomendável para a ampliação de um desenho técnico
Provas
Questão presente nas seguintes provas
De acordo com as normas da ABNT, no método de projeção ortográfica, fixando a vista frontal, pode-se afirmar que:
I. no 3º diedro, a vista lateral esquerda é posicionada à direita.
II. no 1º diedro, a vista superior é posicionada acima.
III. tanto no 1º quanto no 3º diedro, a vista posterior pode ser posicionada à direita ou à esquerda, conforme a conveniência.
Está(ão) correta(s) a(s) afirmativa(s)
Provas
Questão presente nas seguintes provas
Observe o desenho apresentado abaixo.

O ponto A1 foi obtido
Provas
Questão presente nas seguintes provas
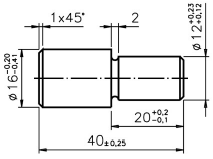
Observe o desenho abaixo.

No Desenho Técnico algumas cotas em milímetros (mm) estão indicando os afastamentos de acordo com as necessidades funcionais de cada parte da peça. Assim pode-se afirmar que
I. a dimensão efetiva do diâmetro maior é maior que a dimensão nominal.
II. a tolerância do comprimento da peça é de 0,5mm.
III. a dimensão mínima do diâmetro menor é 12,12mm.
Está(ão) correta(s) a(s) afirmativa(s)
Provas
Questão presente nas seguintes provas
Quanto à aplicação de meio-corte em Desenho Técnico, afirma-se que:
I. apenas a metade do objeto é cortada, permanecendo a outra metade em vista externa, ou seja, sem indicação de linhas tracejadas.
II. onde a linha de simetria é vertical, o corte deve ser representado na metade direita da vista ortográfica.
III. este tipo de corte é peculiar aos objetos simétricos.
Está(ão) correta(s) a(s) afirmativa(s)
Provas
Questão presente nas seguintes provas
A representação gráfica no desenho da característica do elemento, através de linhas, símbolos, notas e valor numérico numa unidade de medida é denominada
Provas
Questão presente nas seguintes provas
Cadernos
Caderno Container