Foram encontradas 720 questões.

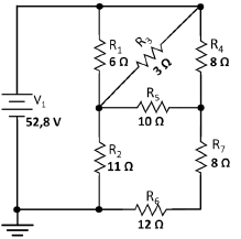
Qual o valor aproximado da potência dissipada pelo resistor 4 (PR4), que constitui o circuito representado na figura acima?
Provas
Questão presente nas seguintes provas

Qual o valor aproximado da corrente que circula pelo resistor 3 (IR3) para o circuito representado na figura acima?
Provas
Questão presente nas seguintes provas
Quanto ao processo de fresamento, é correto afirmar que no fresamento
Provas
Questão presente nas seguintes provas
Quanto aos movimentos entre a ferramenta e a peça, é correto afirmar que o(s) movimento(s)
Provas
Questão presente nas seguintes provas
Quanto ao formato da ponta da ferramenta, quando o material é de
Provas
Questão presente nas seguintes provas
Quanto ao processo de usinagem, é correto afirmar:
Provas
Questão presente nas seguintes provas
Sobre os mecanismos de formação do cavaco, é correto afirmar:
Provas
Questão presente nas seguintes provas
Observe os tipos de juntas representadas nas figuras abaixo.

Os tipos de contato entre os elementos na figura 1, na figura 2 e na figura 3 são respectivamente:
Provas
Questão presente nas seguintes provas
O centro instantâneo de rotação é um ponto comum a dois corpos no plano de movimento, o qual tem a mesma velocidade instantânea em cada corpo.
Conforme a regra de Kennedy, qual é o número de centros instantâneos de rotação para um mecanismo de quatro barras?
Provas
Questão presente nas seguintes provas

Observe o mecanismo representado na figura acima.
No mecanismo representado, o ângulo de transmissão (μ) é definido como o ângulo entre o elo de saída e o acoplador, θ2 (entrada) é igual a 135 ° e as medidas das barras são: a (entrada) = 0,4 m; b = 1,8 m; c (saída) = 1,5 m e d =0,8 m.
Qual é o ângulo de transmissão (μ)?
Provas
Questão presente nas seguintes provas
Cadernos
Caderno Container