Foram encontradas 40 questões.
Provas
Provas
Provas
De acordo com o disposto nos artigos 7º e 8º da Lei nº 11.892 de 29 de dezembro de 2008 - Institui a Rede Federal de Educação Profissional, Científica e Tecnológica, cria os Institutos Federais de Educação, Ciência e Tecnologia, e dá outras providências, o Instituto Federal, em cada exercício, deverá garantir o mínimo de:
I. 30% (trinta por cento) de suas vagas para atender à educação profissional técnica de nível médio, prioritariamente na forma de cursos integrados, para os concluintes do ensino fundamental e para o público da educação de jovens e adultos.
II. 50% (cinquenta por cento) de suas vagas para atender à educação profissional técnica de nível médio, prioritariamente na forma de cursos integrados, para os concluintes do ensino fundamental e para o público da educação de jovens e adultos.
III. 20% (vinte por cento) de suas vagas para atender aos cursos de licenciatura, bem como programas especiais de formação pedagógica, com vistas na formação de professores para a educação básica, sobretudo nas áreas de ciências e matemática, e para a educação profissional.
IV. 20% (vinte por cento) de suas vagas para atender aos cursos superiores de tecnologia visando à formação de profissionais para os diferentes setores da economia.
Das afirmativas propostas:
Provas
As projeções ortogonais são aplicadas para representar formas tridimensionais de uma peça por meio de figuras planas. Deste modo e com base na figura a seguir, que contém o desenho de uma peça em perpectiva isométrica, selecione a alternativa que melhor represente uma das vistas da peça em projeção ortogonal.

Provas
Provas
Uma transmissão por correia em “V” é utilizada para acionar um sistema de ventilação, a partir de um motor elétrico de 3 kW e rotação constante de 1720 rpm. A polia motora tem diâmetro de 100 mm, enquanto que o diâmetro da polia movida é de 200 mm. O rendimento desta transmissão é de 90%.
O torque e a rotação no eixo de saída desta transmissão são, respectivamente:
Provas
Provas
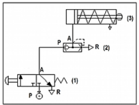
O circuito pneumático, representado na figura abaixo, é um diagrama acerca de uma aplicação qualquer. Nesse mesmo diagrama, excetuando-se as representações das mangueiras, existem três elementos.

Assinale a alternativa que descreve CORRETAMENTE tais elementos.
Provas
O eixo de entrada da transmissão por engrenagens da figura abaixo gira a 1800 rpm e a rotação do eixo de saída é 150 rpm. Todas as engrenagens desta transmissão têm módulo igual a 4 mm.

O número de dentes e o diâmetro primitivo da engrenagem número 6 são, respectivamente,
Provas
Caderno Container