Foram encontradas 50 questões.
- Fundamentos de Sistemas OperacionaisBootDual Boot
- LinuxInstalação do Linux
- LinuxWINE
- Sistemas de ArquivosParticionamento de Disco
Um software - recentemente adquirido - só pode ser executado em ambiente Linux(tm), em uma corporação na qual todos os demais softwares são executados em ambiente Windows(tm). Visto que, esse novo software deve ser instalado em TODOS os equipamentos, qual das ações abaixo descrevem possíveis soluções a serem adotadas?
I) Remover o ambiente Windows(tm) de todos os equipamentos, substituindo pelo ambiente Linux( tm);
II) Instaura-se uma nova partição nos discos das máquinas, que necessitam executar o novo software, instalando o ambiente Linux(tm), e mantendo o ambiente Windows(tm) existente;
III) Instalar, dentro do ambiente Windows(tm), um emulador de ambiente Linux(tm) e, dentro desse ambiente emulado, realizar a instalação do software em questão.
Provas
Questão presente nas seguintes provas
O equivalente de Norton do circuito da figura a seguir, In e Zn, correspondem respectivamente a:

Provas
Questão presente nas seguintes provas
O texto abaixo servirá como base das três seguintes
questões de Legislação.
questões de Legislação.
Péricles é ocupante do cargo de Auxiliar de Biblioteca em um câmpus do IFSP localizado no interior. Fora empossado em 15 de setembro de 2015 e com data de entrada em efetivo exercício no dia 28 de setembro de 2015. Na hora do almoço desenvolve conversa informal com Sofia, também servidora pública federal, assistente de alunos, que, dentre outras manifestações, orgulha-se de ser uma veterana na instituição, pois já ocupa o cargo há mais de quatro anos.
Enquanto Sofia já goza da estabilidade funcional, Péricles ainda passa por um período chamado de “Estágio Probatório”, que terá duração total de I meses, sendo que durante esse tempo o servidor terá avaliada sua aptidão e capacidade para o desempenho do cargo, observados fatores como: II ; disciplina; capacidade de iniciativa; produtividade e III .
A alternativa que preenche CORRETAMENTE as lacunas I, II e III, de acordo com a Lei n. 8.112 de 1990 e suas alterações, respectivamente:
Provas
Questão presente nas seguintes provas
Um estudante de eletrônica, durante uma aula prática de retificadores no IFSP, analisou duas fontes de tensão contínua, uma formada por diodos e outra por SCRs. Com base nessas duas fontes ele elaborou as seguintes afirmações:
I- Tanto o diodo como o SCR funcionam como retificadores de onda. Dessa forma, ambos somente permitem a passagem da corrente elétrica na polarização direta e mantêm-se bloqueados na polarização reversa, tendo apenas uma pequena corrente conhecida como corrente de fuga;
II- O diodo e o SCR permanecem bloqueados quando polarizados reversamente, com anodo positivo em relação ao catodo;
III- A diferença do diodo para o SCR é que, na polarização direta, o diodo entra em condução enquanto que o SCR só entrará em condução se for injetada uma corrente no terminal de gatilho ou exceder a tensão de ruptura direta;
IV- U ma vez disparado o SCR deve-se, em qualquer condição, manter o sinal de gatilho para que ele não saia de operação;
V- Num diodo, o bloqueio ocorre com tensão reversa. Num SCR, o bloqueio pode ocorrer tanto com tensão reversa quanto pela queda da corrente entre anodo e catodo abaixo de um valor mínimo de manutenção.
Com base nas afirmações feitas pelo estudante, assinale a alternativa que apresenta o que é verdadeiro:
Provas
Questão presente nas seguintes provas
Alguns pesquisadores resolveram, em seu trabalho de campo, comparar as massas de três animais: uma arara, uma raposa e uma lebre. Fizeram as pesagens da seguinte forma: primeiro pesaram a arara e a lebre juntas e obtiveram 6 kg; depois, pesaram a raposa e a lebre juntas e obtiveram 13,5 kg; e, por último, pesaram a arara e a raposa juntas e obtiveram 10,5 kg. Dessa forma, a massa dos três animais somados em kg, é:
Provas
Questão presente nas seguintes provas
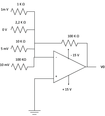
Calcule o valor da tensão Vo:

Provas
Questão presente nas seguintes provas
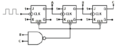
O circuito da figura corresponde a um contador assíncrono.

Figura acima – Contador assíncrono
As saídas A, B e C são responsáveis por indicar a contagem binária, sendo a saída A referente ao bit menos significativo. As saídas B e C são também conectadas às entradas da porta NAND.
Assumindo que inicialmente que as saídas C, B e A estão com valor binário 000, ou seja, C=0, B=0 e A=0, qual o valor binário presente nessas saídas após 10 pulsos de clock?
Provas
Questão presente nas seguintes provas
De acordo com o Decreto n. 5825/2006, o Programa de Avaliação de Desempenho, como processo pedagógico, coletivo e participativo, abrangerá, de forma integrada, a avaliação, exceto :
Provas
Questão presente nas seguintes provas
Três amigas, Arlete, Bete e Cirlene foram à feira comprar abacaxis, mamões e graviolas. Arlete comprou três vezes mais abacaxis do que Bete. Bete comprou a mesma quantidade de abacaxis, mamões e graviolas, sendo que a quantidade de abacaxis comprados por ela foi apenas a metade da quantidade de abacaxis que Cirlene comprou. Cirlene comprou 5 graviolas, uma a mais que Arlete. As três juntas compraram 39 frutas, sendo 12 graviolas. Quantos mamões elas compraram?
Provas
Questão presente nas seguintes provas
- Agentes PúblicosCargos, Empregos e Funções PúblicasAcumulação de Cargos, Empregos e Funções Públicas
Considerando-se a Lei n. 8112/1990, em seu capítulo sobre Acumulação, analise as afirmativas a seguir:
I. Para o servidor, toda acumulação de cargos é ilícita;
II. O servidor não poderá exercer mais de um cargo em comissão, exceto se for nomeado para ter exercício, interinamente, em outro cargo de confiança, sem prejuízo das atribuições do que atualmente ocupa, hipótese em que deverá optar pela remuneração de um deles durante o período da interinidade;
III. O servidor vinculado ao regime desta Lei, que acumular licitamente dois cargos efetivos, quando investido em cargo de provimento em comissão, ficará afastado de ambos os cargos efetivos, sem exceção;
IV. O servidor não poderá ser remunerado por participar do Conselho Superior, órgão deliberativo dos Institutos Federais.
São corretas as afirmativas:
Provas
Questão presente nas seguintes provas
Cadernos
Caderno Container