Foram encontradas 640 questões.
- EletrotécnicaCircuitos Elétricos em Eletrotécnica
- EletrotécnicaInstalações Elétricas em Eletrotécnica
- Equipamentos e Componentes
- Instrumentos e Medições
Provas
Analise o circuito da Figura 6 e as informações disponíveis na Figura 7:

Assinale a alternativa que apresenta a forma de onda que está presente na carga 10M Ohms.
Provas
- EletrotécnicaCircuitos Elétricos em Eletrotécnica
- EletrotécnicaComponentes Eletrônicos em Eletrotécnica
- Equipamentos e Componentes
- Instrumentos e Medições
• Cabo cobre antichama flexível de 1,5 mm2 cor vermelha (comprimento adequado para instalação).
• Cabo cobre antichama flexível de 1,5 mm2 cor azul-claro (comprimento adequado para instalação).
• Cabo cobre antichama flexível de 2,5 mm2 cor verde (comprimento adequado para instalação).
• Torneira elétrica metálica, monofásica (3000 W/127 V) com aterramento.
• Disjuntor 30 A.
• Conector barra sindal e demais itens diversos para instalação.
Considerando a descrição apresentada e a lista de compras, analise as assertivas abaixo:
I. Não está incluído o condutor de neutro na lista de compras.
II. O único dimensionamento correto dos condutores é o do condutor de terra.
III. O disjuntor está adequadamente dimensionado para o circuito da torneira elétrica.
Quais estão corretas?
Provas
- EletrotécnicaCircuitos Elétricos em Eletrotécnica
- EletrotécnicaComponentes Eletrônicos em Eletrotécnica
- EletrotécnicaInstalações Elétricas em Eletrotécnica
- Equipamentos e Componentes
- Interpretação de diagramas
- Instrumentos e Medições
Coluna 1
1. Fase. 2. Neutro. 3. Retorno. 4. Chave S.
Coluna 2
( ) Conectado na chave S e na carga 100 W. ( ) Energiza a carga 100 W quando fechada. ( ) Conectado na carga 100 W. ( ) Segue pelo conduíte da carga (1) até a chave S.
A ordem correta de preenchimento dos parênteses, de cima para baixo, é:
Provas
- EletrotécnicaCircuitos Elétricos em Eletrotécnica
- EletrotécnicaInstalações Elétricas em Eletrotécnica
- Equipamentos e Componentes
- Interpretação de diagramas
- Instrumentos e Medições
Leitura dos valores conforme a sequência da Tabela 1 abaixo:
De acordo com os dados apresentados, assinale a alternativa que indica a corrente total fornecida pela fonte.
Provas
Considerando o osciloscópio apresentado na Figura 3, analise as assertivas abaixo:

I. O sinal de entrada é senoidal.
II. O sinal de entrada tem Vpp (tensão pico a pico) de 2 V.
III. O sinal de entrada tem frequência de 250 Hz.
IV. A amplitude do sinal de entrada (Vp) é de 2 V.
Quais estão corretas?
Provas
Analise o esquema de aterramento apresentado na Figura 2 abaixo:

Assinale a alternativa que indica o tipo de esquema apresentado.
Provas
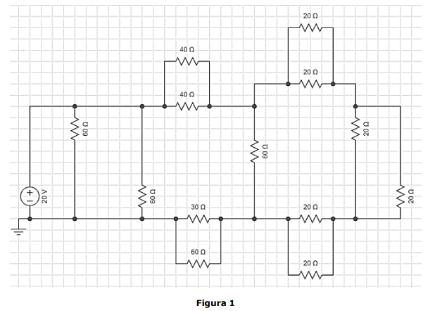
Analise a Figura 1 abaixo:

Assinale a alternativa que indica a corrente total fornecida pela fonte.
Provas
- Educação e Filosofia
- LegislaçãoPCN: Parâmetros Curriculares Nacionais
- Temas Educacionais Pedagógicos
- Concepções de mundo, homem e educação
I. O texto traz, exclusivamente, a perspectiva do autor, não levando em consideração as análises feitas por outros pensadores sobre o tema.
II. Conforme o autor, trabalho e educação sempre tiveram caminhos apartados ao longo da história, sendo desprovidos, portanto, de qualquer relação.
III. O enfoque dado no texto é na falta de investimento público na formação dos estudantes das escolas primárias no Nordeste brasileiro.
Provas
I. A União, os Estados, o Distrito Federal e os Municípios organizarão, em regime de colaboração, os respectivos sistemas de ensino.
PORQUE
II. Todos os sistemas de ensino estão vinculados ao que estabelece as Diretrizes e Bases da Educação Nacional, sem que haja liberdade para alteração na sua organização.
A respeito dessas asserções, assinale a alternativa correta.
Provas
Caderno Container