Foram encontradas 640 questões.
Observe a Figura 12 e assinale a alternativa correta.

Provas
Coluna 1
1. Fogo classe A. 2. Fogo classe B. 3. Fogo classe C.
Coluna 2
( ) Fogo envolvendo equipamentos e instalações elétricas energizadas.
( ) Fogo envolvendo líquidos e/ou gases inflamáveis ou combustíveis, plásticos e graxas que se liquefazem por ação do calor e queimam somente em superfície.
( ) Fogo envolvendo materiais combustíveis sólidos, tais como madeiras, tecidos, papéis, borrachas, plásticos termoestáveis e outras fibras orgânicas, que queimam em superfície e profundidade, deixando resíduos.
A ordem correta de preenchimento dos parênteses, de cima para baixo, é:
Provas
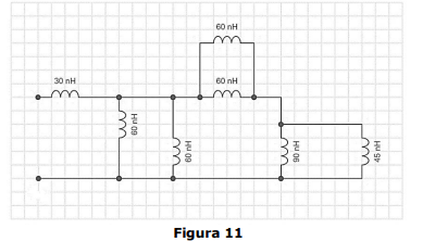
Analise a Figura 11 abaixo, que apresenta um circuito de associação de indutores:

Considerando as informações apresentadas, assinale a alternativa que indica o indutor equivalente.
Provas
Provas
- EletrotécnicaCircuitos Elétricos em Eletrotécnica
- EletrotécnicaInstalações Elétricas em Eletrotécnica
- Equipamentos e Componentes
- Interpretação de diagramas
- Instrumentos e Medições
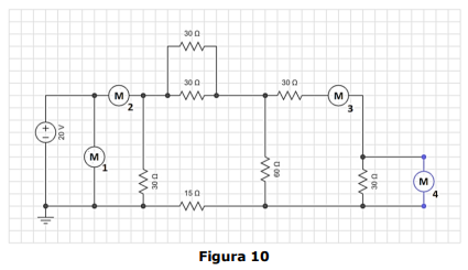
Para o circuito em questão, determine qual configuração de cada multímetro é a mais adequada para a realização das medidas. Considere que o multímetro terá comportamento ideal para todas as configurações apresentadas, e os instrumentos de medição não devem alterar o correto funcionamento do circuito.
Provas
- EletrotécnicaCircuitos Elétricos em Eletrotécnica
- EletrotécnicaTransformadores
- Equipamentos e Componentes
- Instrumentos e Medições
Provas
- EletrotécnicaCircuitos Elétricos em Eletrotécnica
- EletrotécnicaInstalações Elétricas em Eletrotécnica
- Equipamentos e Componentes
- Interpretação de diagramas
- Instrumentos e Medições
Considerando o circuito da Figura 9, analise as assertivas abaixo:

I. Trata-se de um amplificador operacional em circuito inversor.
II. Para Rf = 1 M Ohms, o ganho do circuito é de 20 dB.
III. Para Rf = 100 K Ohms, o ganho do circuito é de 10 dB.
IV. A expressão da saída do circuito é V out = Vin ( Rf / Rin).
Quais estão corretas?
Provas
Sobre acionamento de máquinas elétricas, relacione a Coluna 1 à Coluna 2.
Coluna 1
1. Partida estrela-triângulo.
2. Inversores de frequência.
3. Partida com rotor de anéis.
4. Inversão do sentido de rotação.
Coluna 2
( ) Aplica-se a motor de indução trifásico com rotor em gaiola.
( ) Alteração da sequência das fases de alimentação do motor de indução trifásico.
( ) Aplica-se a motor de indução trifásico com o rotor bobinado.
( ) Acionamento e controle da velocidade por variação de amplitude e frequência de alimentação do motor CA.
A ordem correta de preenchimento dos parênteses, de cima para baixo, é:
Provas
- EletrotécnicaCircuitos Elétricos em Eletrotécnica
- EletrotécnicaInstalações Elétricas em Eletrotécnica
- Equipamentos e Componentes
- Interpretação de diagramas
- Instrumentos e Medições
Para o circuito da Figura 8, considere os voltímetros e o amperímetro abaixo como ideais:

Analisando a disposição dos componentes e dos instrumentos de medida, analise as assertivas abaixo:
I. Todos os instrumentos de medida estão corretamente conectados.
II. Não existe corrente circulante no circuito, devido ao voltímetro V2.
III. O amperímetro A1 está incorretamente conectado no circuito.
IV. A tensão lida no voltímetro V1 é de 0 (zero) V.
Quais estão corretas?
Provas
Provas
Caderno Container