Foram encontradas 640 questões.
A construção do analógico consiste em ligar uma em série com o .
Assinale a alternativa que preenche, correta e respectivamente, as lacunas do trecho acima.
Assinale a alternativa que preenche, correta e respectivamente, as lacunas do trecho acima.
Provas
Questão presente nas seguintes provas
Segundo Balbinot (2010), para efetuar uma boa medição, é necessário o
conhecimento do(s) fenômenos(s) físico(s). Em outras palavras, o experimentalista precisa conhecer
as bases científicas relacionadas a esses fenômenos. Considerando o exposto, analise as afirmações
abaixo:
1. O efeito termoelétrico é utilizado para a medição da temperatura.
2. O efeito Josephson é utilizado para a medição da diferença de potencial elétrico.
3. O efeito Doppler é utilizado para a medição da velocidade.
4. O efeito Raman é utilizado para a medição do número de ondas de vibrações moleculares.
5. O efeito fotoelétrico é utilizado para a medição da quantidade de elétrons incidentes em uma superfície.
O resultado da somatória dos números correspondentes às afirmações corretas é:
1. O efeito termoelétrico é utilizado para a medição da temperatura.
2. O efeito Josephson é utilizado para a medição da diferença de potencial elétrico.
3. O efeito Doppler é utilizado para a medição da velocidade.
4. O efeito Raman é utilizado para a medição do número de ondas de vibrações moleculares.
5. O efeito fotoelétrico é utilizado para a medição da quantidade de elétrons incidentes em uma superfície.
O resultado da somatória dos números correspondentes às afirmações corretas é:
Provas
Questão presente nas seguintes provas
Segundo Chapman (2013), os transformadores de potência recebem diversos nomes,
dependendo do uso que é feito nos sistemas elétricos de potência. Além deles, dois transformadores
de finalidade especial são usados para medir a tensão e a corrente nas máquinas elétricas e nos
sistemas elétricos de potência. Relacione a Coluna 1 à Coluna 2, associando cada tipo de
transformador à sua aplicabilidade.
Coluna 1
1. Transformador da unidade de geração.
2. Transformador de subestação.
3. Transformador de distribuição.
4. Transformador de potencial.
5. Transformador com mudança de derivação sob carga.
Coluna 2
( ) Responsável por abaixar a tensão do nível de transmissão para o nível de distribuição (de 2,3 a 34,5 kV).
( ) Projetado para trabalhar com correntes menores, tem como finalidade tomar uma amostra de alta tensão e produzir uma baixa tensão secundária que lhe é diretamente proporcional.
( ) Tem a capacidade de alterar suas derivações enquanto está energizado, é formado por circuitos internos de sensoriamento de tensão que automaticamente trocam de derivação para manter a tensão do sistema constante.
( ) Conectado à saída de uma unidade geradora e usado para elevar a tensão até o nível de transmissão (110+ kV).
( ) Responsável por abaixar a tensão de distribuição para o nível final ou de entrega (110, 127, 220 V, etc.).
A ordem correta de preenchimento dos parênteses, de cima para baixo, é:
Coluna 1
1. Transformador da unidade de geração.
2. Transformador de subestação.
3. Transformador de distribuição.
4. Transformador de potencial.
5. Transformador com mudança de derivação sob carga.
Coluna 2
( ) Responsável por abaixar a tensão do nível de transmissão para o nível de distribuição (de 2,3 a 34,5 kV).
( ) Projetado para trabalhar com correntes menores, tem como finalidade tomar uma amostra de alta tensão e produzir uma baixa tensão secundária que lhe é diretamente proporcional.
( ) Tem a capacidade de alterar suas derivações enquanto está energizado, é formado por circuitos internos de sensoriamento de tensão que automaticamente trocam de derivação para manter a tensão do sistema constante.
( ) Conectado à saída de uma unidade geradora e usado para elevar a tensão até o nível de transmissão (110+ kV).
( ) Responsável por abaixar a tensão de distribuição para o nível final ou de entrega (110, 127, 220 V, etc.).
A ordem correta de preenchimento dos parênteses, de cima para baixo, é:
Provas
Questão presente nas seguintes provas
Um motor de indução trifásico, conectado em Y, com quatro polos, 30 HP, 127 V,
50 Hz, solicita uma corrente de 65 A da rede de alimentação, com um fator de potência de 0,85.
Nessas condições de operação, as perdas do motor são as seguintes:
• Perdas no cobre do estator = Pcu1 = 1189 W.
• Perdas no cobre do rotor = Pcu2 = 1376 W.
• Perdas no núcleo do estator = Pe = 567 W.
• Perdas rotacionais (atrito, ventilação e perdas no ferro devido à rotação) = Prot = 650 W.
• Perdas no cobre do estator = Pcu1 = 1189 W.
• Perdas no cobre do rotor = Pcu2 = 1376 W.
• Perdas no núcleo do estator = Pe = 567 W.
• Perdas rotacionais (atrito, ventilação e perdas no ferro devido à rotação) = Prot = 650 W.
Assinale a alternativa que apresenta a potência transferida através do entreferro.
Provas
Questão presente nas seguintes provas
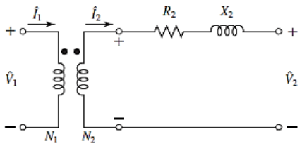
O circuito da figura apresenta um transformador ideal em que a
impedância R2 + jX2 = 5 + j20 Ω está conectada em série com o secundário. A relação de espiras é
N1 / N2 = 5:1. Considere uma tensão eficaz de primário de 220 V. Partindo de um circuito equivalente
cuja impedância em série esteja referida ao primário, assinale a alternativa que informa a corrente do
primário na ordem apresentada.


Provas
Questão presente nas seguintes provas
Em unidades do SI, a permeabilidade do vácuo é µ0 = 4π x 10−7 henrys por metro. A permeabilidade dos materiais magnéticos lineares pode ser expressa em termos de sua permeabilidade relativa µr, ou seja, seu valor relativo ao do vácuo, ou µ = µrµ0 (Umans, 2014). Qual é a variação aproximada dos valores típicos de μr para os materiais usados em transformadores e máquinas rotativas?
Provas
Questão presente nas seguintes provas
O gerador polifásico é capaz de gerar mais de uma tensão CA para cada volta
completa do rotor. Relacione a Coluna 1 à Coluna 2, associando os conceitos relacionados a sistemas
polifásicos às suas definições.
Coluna 1
1. Tensão de linha.
2. Sequência de fase.
3. Gerador CA conectado em ∆.
4. Gerador trifásico conectado em Y.
5. Tensão de fase.
Coluna 2
( ) Tensão entre uma linha e um neutro de um gerador conectado em Y ou tensão entre duas linhas de um gerador em ∆.
( ) Os três condutores usados para conectar os terminais à carga do circuito são chamados de linhas.
( ) Ordem na qual as tensões senoidais produzidas por um gerador polifásico afetam a carga na qual estão conectadas.
( ) As tensões de fase e de linha são equivalentes e têm o mesmo valor que as tensões induzidas nos enrolamentos.
( ) Diferença de potencial que existe entre as linhas de um sistema monofásico ou polifásico.
A ordem correta de preenchimento dos parênteses, de cima para baixo, é:
Coluna 1
1. Tensão de linha.
2. Sequência de fase.
3. Gerador CA conectado em ∆.
4. Gerador trifásico conectado em Y.
5. Tensão de fase.
Coluna 2
( ) Tensão entre uma linha e um neutro de um gerador conectado em Y ou tensão entre duas linhas de um gerador em ∆.
( ) Os três condutores usados para conectar os terminais à carga do circuito são chamados de linhas.
( ) Ordem na qual as tensões senoidais produzidas por um gerador polifásico afetam a carga na qual estão conectadas.
( ) As tensões de fase e de linha são equivalentes e têm o mesmo valor que as tensões induzidas nos enrolamentos.
( ) Diferença de potencial que existe entre as linhas de um sistema monofásico ou polifásico.
A ordem correta de preenchimento dos parênteses, de cima para baixo, é:
Provas
Questão presente nas seguintes provas
Segundo Boylestad (2012), em geral, existe uma preferência por sistemas trifásicos
em vez de monofásicos para transmissão de energia por diversas razões. Sobre isso, analise as
assertivas abaixo, assinalando V, se verdadeiras, ou F, se falsas.
( ) Condutores de menor diâmetro podem ser usados para transmitir a mesma potência à mesma tensão, o que reduz a quantidade de cobre necessário (normalmente, cerca de 25% a menos) e, consequentemente, os custos de fabricação e manutenção das linhas.
( ) Linhas mais robustas são mais fáceis de instalar e suas torres de sustentação podem ser mais delgadas e mais espaçadas.
( ) Equipamentos e motores trifásicos apresentam melhores características de partida e operação que os sistemas monofásicos, pois a transferência de potência da fonte para a carga nos sistemas monofásicos está menos sujeita à flutuação do que nos sistemas trifásicos.
( ) Em geral, a grande maioria dos motores de grande porte é trifásica porque a partida não precisa de um projeto especial ou de circuitos externos adicionais.
A ordem correta de preenchimento dos parênteses, de cima para baixo, é:
( ) Condutores de menor diâmetro podem ser usados para transmitir a mesma potência à mesma tensão, o que reduz a quantidade de cobre necessário (normalmente, cerca de 25% a menos) e, consequentemente, os custos de fabricação e manutenção das linhas.
( ) Linhas mais robustas são mais fáceis de instalar e suas torres de sustentação podem ser mais delgadas e mais espaçadas.
( ) Equipamentos e motores trifásicos apresentam melhores características de partida e operação que os sistemas monofásicos, pois a transferência de potência da fonte para a carga nos sistemas monofásicos está menos sujeita à flutuação do que nos sistemas trifásicos.
( ) Em geral, a grande maioria dos motores de grande porte é trifásica porque a partida não precisa de um projeto especial ou de circuitos externos adicionais.
A ordem correta de preenchimento dos parênteses, de cima para baixo, é:
Provas
Questão presente nas seguintes provas
Utilizando um multímetro para medida de tensão, considere o circuito a seguir:

Quais são as medidas para as tensões Vb, Vc e Vac, respectivamente?

Quais são as medidas para as tensões Vb, Vc e Vac, respectivamente?
Provas
Questão presente nas seguintes provas
Tendo como base o circuito a seguir, qual é o valor da resistência equivalente entre
os pontos A e B, considerando que todos os resistores (R) têm resistência igual a 12 Ω?


Provas
Questão presente nas seguintes provas
Cadernos
Caderno Container