Foram encontradas 40 questões.
Analise as seguintes asserções e a relação proposta entre elas:
I. Os sistemas de máquinas de visão utilizam câmeras inteligentes ou digitais com software de processamento de imagens baseados em computadores para realizar inspeções em peças que estão em fase de fabricação e avaliar sua qualidade, sendo também programados para realizar tarefas simples, como contar objetos em uma esteira, ler números seriais e medir peças.
PORQUE
II. Embora alguns algoritmos de máquinas de visão tenham sido desenvolvidos para imitar a percepção da visão humana, nenhuma máquina de sistema de visão tem a capacidade da visão humana em termos de compreensão de imagens, tolerância às variações de iluminação e variabilidade de partes.
A respeito dessas asserções, assinale a alternativa correta.
I. Os sistemas de máquinas de visão utilizam câmeras inteligentes ou digitais com software de processamento de imagens baseados em computadores para realizar inspeções em peças que estão em fase de fabricação e avaliar sua qualidade, sendo também programados para realizar tarefas simples, como contar objetos em uma esteira, ler números seriais e medir peças.
PORQUE
II. Embora alguns algoritmos de máquinas de visão tenham sido desenvolvidos para imitar a percepção da visão humana, nenhuma máquina de sistema de visão tem a capacidade da visão humana em termos de compreensão de imagens, tolerância às variações de iluminação e variabilidade de partes.
A respeito dessas asserções, assinale a alternativa correta.
Provas
Questão presente nas seguintes provas
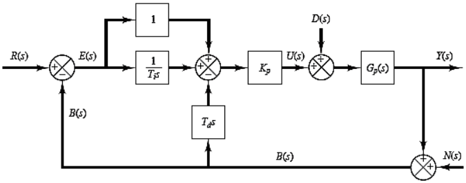
O sistema apresentado está relacionado a qual tipo de controle?


Provas
Questão presente nas seguintes provas
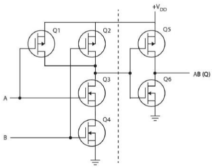
Os circuitos integrados são construídos, camada por camada, sobre uma pastilha de
silício ou de outro semicondutor. Isso pode ser feito por meio da impressão de um padrão na superfície,
do depósito de materiais no padrão e da gravação química na superfície. Muitas camadas podem ser
formadas dessas maneiras em uma única pastilha, produzindo múltiplos chips ou circuitos integrados,
que são então ligados aos conectores de metal condutor para que sejam introduzidos sinais ou tensões
no chip (Lamb, 2015). A figura a seguir apresenta uma combinação de transistores que correspondem
a qual lógica de comutação?


Provas
Questão presente nas seguintes provas
A imagem abaixo apresenta a tela de um osciloscópio digital.
Considere os seguintes ajustes para o canal 1:
• V/div = 4 V
• sec/div = 10 µs
Considere os seguintes ajustes para o canal 1:
• V/div = 4 V
• sec/div = 10 µs
Qual é a amplitude do pulso e a frequência do sinal, respectivamente?
Provas
Questão presente nas seguintes provas
Um amplificador de instrumentação com resistência externa para ajustar o ganho é apresentado na figura a seguir:
Considere que v1 = 2,002 V, v2 = 2,011 e R = 12 kΩ. Se RG for ajustado para 320 Ω, qual será o valor da tensão de saída (v0)?
Considere que v1 = 2,002 V, v2 = 2,011 e R = 12 kΩ. Se RG for ajustado para 320 Ω, qual será o valor da tensão de saída (v0)?
Provas
Questão presente nas seguintes provas
Seus perfis de comunicação utilizam um protocolo uniforme de acesso ao meio. Com
base no padrão de referência internacional OSI, esse protocolo de acesso ao meio é definido pela
camada 2. Quando uma estação tem permissão para transmitir dados, o procedimento de acesso é
controlado pelo Medium Access Control (MAC). O MAC deve garantir que apenas uma estação tenha
o direito de transmitir os dados. Com base nisso, assinale a alternativa que identifica o tipo de
protocolo de comunicação entre dispositivos.
Provas
Questão presente nas seguintes provas
A norma NBR 5419-3 estabelece condições para o posicionamento do subsistema de
captação utilizando o método das malhas. Uma malha de condutores pode ser considerada um bom
método de captação para proteger superfícies planas, mas, para tanto, devem ser cumpridos alguns
requisitos. Sobre o tema, analise as assertivas abaixo e assinale a alternativa correta.
I. O método das malhas é apropriado para proteger superfícies laterais planas contra descargas atmosféricas laterais.
II. Se o declive do telhado exceder 1/10, condutores paralelos, em vez de em malha, podem ser usados, adotando a distância entre os condutores não maior que a largura de malha exigida.
III. O conjunto de condutores do subsistema de captação deve ser construído de tal modo que a corrente elétrica da descarga atmosférica sempre encontre pelo menos duas rotas condutoras distintas para o subsistema de aterramento.
IV. O método das malhas é apropriado para telhados horizontais e inclinados sem curvatura.
I. O método das malhas é apropriado para proteger superfícies laterais planas contra descargas atmosféricas laterais.
II. Se o declive do telhado exceder 1/10, condutores paralelos, em vez de em malha, podem ser usados, adotando a distância entre os condutores não maior que a largura de malha exigida.
III. O conjunto de condutores do subsistema de captação deve ser construído de tal modo que a corrente elétrica da descarga atmosférica sempre encontre pelo menos duas rotas condutoras distintas para o subsistema de aterramento.
IV. O método das malhas é apropriado para telhados horizontais e inclinados sem curvatura.
Provas
Questão presente nas seguintes provas
Segundo Malvino (2011), existem dois modos básicos de ajustar o ponto de operação
de um transistor: polarizando a base e polarizando o emissor. Sendo assim, analise a sentença abaixo:
Polarizar a base produz um valor fixo na corrente da base, enquanto polarizar o emissor produz uma corrente fixa no emissor (1ª parte). A polarização da base é mais aplicada em circuitos amplificadores, enquanto a polarização do emissor é predominante em circuitos de chaveamento (2ª parte). Quando um transistor está saturado, um aumento na corrente da base produz uma corrente menor no coletor (3ª parte).
Quais partes estão corretas?
Polarizar a base produz um valor fixo na corrente da base, enquanto polarizar o emissor produz uma corrente fixa no emissor (1ª parte). A polarização da base é mais aplicada em circuitos amplificadores, enquanto a polarização do emissor é predominante em circuitos de chaveamento (2ª parte). Quando um transistor está saturado, um aumento na corrente da base produz uma corrente menor no coletor (3ª parte).
Quais partes estão corretas?
Provas
Questão presente nas seguintes provas
A figura a seguir representa qual esquema de aterramento?


Provas
Questão presente nas seguintes provas
A área útil ocupável pelos condutores pode ser determinada a partir dos seguintes
dados:
• De – diâmetro externo do eletroduto, em mm.
• ∆De – variação do diâmetro externo, em mm.
• Ep – espessura da parede do eletroduto, em mm.
Considerando:
• De = 62,5 mm
• ∆De = 0,7 mm
• Ep = 2,5 mm
Qual é a área útil compatível de um eletroduto de PVC rígido, tamanho 60, classe B?
• De – diâmetro externo do eletroduto, em mm.
• ∆De – variação do diâmetro externo, em mm.
• Ep – espessura da parede do eletroduto, em mm.
Considerando:
• De = 62,5 mm
• ∆De = 0,7 mm
• Ep = 2,5 mm
Qual é a área útil compatível de um eletroduto de PVC rígido, tamanho 60, classe B?
Provas
Questão presente nas seguintes provas
Cadernos
Caderno Container