Foram encontradas 45 questões.
MAIORIDADE PENAL: UMA ANÁLISE SOBRE O CÉREBRO DOS JOVENS
Carlos Orsi
Um dado curioso do debate brasileiro sobre maioridade penal é a insistência com que emerge a afirmação, peremptória, de que os jovens de hoje “não são ingênuos como os de antigamente” e “sabem muito bem o que estão fazendo”.
A primeira questão que um observador cético poderia levantar é: “de antigamente”, quando? Em 1874, os Estados Unidos condenavam Jesse Pomeroy, de 14 anos, à prisão perpétua por duplo homicídio. William Henry “Bonney” McCarthy, o “Billy the Kid” do Velho Oeste, matou pela primeira vez aos 17 e, aos 20, já tinha a cabeça a prêmio. Foi morto pouco depois, em 1881. Nathan Leopold e Richard Loeb, a dupla de assassinos que inspirou o filme “Festim Diabólico”, de Alfred Hitchcock, cometeram o assassinato pelo qual foram condenados, em 1924, quando já eram maiores de idade – tinham 19 e 18 anos, respectivamente – mas 9 haviam participado de crimes menores, antes.
Delinquência juvenil – incluindo crimes escabrosos, cometidos com arrogância, violência e crueldade – não é invenção dos tempos modernos. A percepção do problema talvez seja maior hoje do que foi no passado, mas, como apontou uma reportagem da Folha de S. Paulo, faltam dados para que possamos ter sua real dimensão.
Agora, se adolescentes que cometem crimes bárbaros não são exatamente uma invenção moderna, o que dizer da alegação de que eles “sabem muito bem o que estão fazendo”? Há alguns anos, nos Estados Unidos, foi produzida uma boa consolidação da ciência a respeito da capacidade do cérebro adolescente de, 17 exatamente, saber o que está fazendo. E isso por causa de Christopher Simmons.
Esse jovem havia sido condenado à morte, aos 17 anos, por um crime arrepiante: a vítima, uma mulher, foi amarrada com fita adesiva, cabos elétricos e jogada do alto de uma ponte. Em 2005, quando Simmons já estava com 28 anos, a Suprema Corte dos EUA determinou que a condenação à morte de menores de 18 anos era inconstitucional.
Em 2004, quando a questão ainda se encontrava em aberto, a revista Science publicou uma reportagem sobre 23 o papel da neurociência no julgamento. Resumindo, a melhor evidência científica diz que o cérebro de um jovem de 16 ou 17 anos ainda não atingiu o desenvolvimento pleno de áreas fundamentais para a responsabilidade criminal, como as envolvidas no controle das ações impulsivas, das emoções e da capacidade de resistir à tentação de prazer imediato. Ruben Gur, da Universidade da Pensilvânia, resumiu a questão assim: “A própria parte do cérebro que o sistema legal julga só entra em ação mais tarde”.
Desde que a neurociência ajudou a convencer a Suprema Corte a salvar a vida de Simmons (que hoje cumpre prisão perpétua), a questão do “teenage brain” – “cérebro adolescente” – assumiu um papel importante no sistema judiciário dos Estados Unidos. Alguns advogados logo tentaram usar a cartada da imaturidade juvenil para neutralizar, de vez, a culpabilidade de seus clientes, como se o cérebro imperfeito fosse a “verdadeira 32 causa” dos crimes.
Poucos cientistas endossam essa interpretação radical: ser adolescente não basta para transformar ninguém em criminoso. Há outros fatores envolvidos, inclusive sociais. Uma análise publicada recentemente, 35 envolvendo mais de 50 mil homicídios cometidos na Califórnia ao longo de duas décadas, mostra que a correlação entre idade adolescente e comportamento criminoso é mais forte nas parcelas mais pobres da população e praticamente desaparece entre os ricos.
O que se sabe, de fato, é que o cérebro jovem é mais vulnerável a estresse, a emoções fortes e tem baixa capacidade de analisar as consequências de longo prazo de suas ações. Jovens são naturalmente mais irresponsáveis, e não é muito difícil imaginar que as pressões trazidas pela pobreza aumentem a tentação de agir irresponsavelmente.
E o que tudo isso tem a ver com o caso concreto da maioridade penal? Não vou defender aqui a ideia de que ser irresponsável é ser inimputável. Como escreveu um poeta, “toda perversidade é fraqueza”; logo, ser fraco 44 não deveria bastar para desculpar ninguém.
Mas, se o jovem está disposto a cometer um crime e ainda não está mentalmente equipado para avaliar consequências de modo eficaz, será que o medo de “ser preso como adulto” vai impedi-lo?
Talvez, dado o modo como o cérebro adolescente funciona, o efeito dissuasório de uma redução da maioridade penal seja muito menor do que se imagina.
Claro, dissuasão não é a única função da pena. Há a questão da correção do comportamento e de se tirar elementos perigosos de circulação, poupando possíveis futuras vítimas.
Mas lembremo-nos de que o Brasil não tem prisão perpétua e de que um jovem, julgado e preso como adulto aos 16, muito provavelmente voltará às ruas antes dos 30, tendo passado os anos que, na população em geral, são usados para aprender uma profissão e começar uma carreira, trancafiado na companhia de bandidos experientes. Do jeito que a coisa está, os adolescentes presos sairão da cadeia, já adultos, graduados em colégios técnicos da crueldade e em universidades do crime.
Fonte: adaptado de <http://revistagalileu.globo.com>. Acesso em: 02 jul. 2015.
Considere o trecho:
| Desde que a neurociência ajudou a convencer a Suprema Corte a salvar a vida de Simmons (que hoje cumpre prisão perpetua), a questão do “teenage brain” – cérebro adolescente – assumiu um papel importante no sistema judiciário dos Estados Unidos. |
No que se refere à pontuação, é correto afirmar:
Provas
Questão presente nas seguintes provas
MAIORIDADE PENAL: UMA ANÁLISE SOBRE O CÉREBRO DOS JOVENS
Carlos Orsi
Um dado curioso do debate brasileiro sobre maioridade penal é a insistência com que emerge a afirmação, peremptória, de que os jovens de hoje “não são ingênuos como os de antigamente” e “sabem muito bem o que estão fazendo”.
A primeira questão que um observador cético poderia levantar é: “de antigamente”, quando? Em 1874, os Estados Unidos condenavam Jesse Pomeroy, de 14 anos, à prisão perpétua por duplo homicídio. William Henry “Bonney” McCarthy, o “Billy the Kid” do Velho Oeste, matou pela primeira vez aos 17 e, aos 20, já tinha a cabeça a prêmio. Foi morto pouco depois, em 1881. Nathan Leopold e Richard Loeb, a dupla de assassinos que inspirou o filme “Festim Diabólico”, de Alfred Hitchcock, cometeram o assassinato pelo qual foram condenados, em 1924, quando já eram maiores de idade – tinham 19 e 18 anos, respectivamente – mas 9 haviam participado de crimes menores, antes.
Delinquência juvenil – incluindo crimes escabrosos, cometidos com arrogância, violência e crueldade – não é invenção dos tempos modernos. A percepção do problema talvez seja maior hoje do que foi no passado, mas, como apontou uma reportagem da Folha de S. Paulo, faltam dados para que possamos ter sua real dimensão.
Agora, se adolescentes que cometem crimes bárbaros não são exatamente uma invenção moderna, o que dizer da alegação de que eles “sabem muito bem o que estão fazendo”? Há alguns anos, nos Estados Unidos, foi produzida uma boa consolidação da ciência a respeito da capacidade do cérebro adolescente de, 17 exatamente, saber o que está fazendo. E isso por causa de Christopher Simmons.
Esse jovem havia sido condenado à morte, aos 17 anos, por um crime arrepiante: a vítima, uma mulher, foi amarrada com fita adesiva, cabos elétricos e jogada do alto de uma ponte. Em 2005, quando Simmons já estava com 28 anos, a Suprema Corte dos EUA determinou que a condenação à morte de menores de 18 anos era inconstitucional.
Em 2004, quando a questão ainda se encontrava em aberto, a revista Science publicou uma reportagem sobre 23 o papel da neurociência no julgamento. Resumindo, a melhor evidência científica diz que o cérebro de um jovem de 16 ou 17 anos ainda não atingiu o desenvolvimento pleno de áreas fundamentais para a responsabilidade criminal, como as envolvidas no controle das ações impulsivas, das emoções e da capacidade de resistir à tentação de prazer imediato. Ruben Gur, da Universidade da Pensilvânia, resumiu a questão assim: “A própria parte do cérebro que o sistema legal julga só entra em ação mais tarde”.
Desde que a neurociência ajudou a convencer a Suprema Corte a salvar a vida de Simmons (que hoje cumpre prisão perpétua), a questão do “teenage brain” – “cérebro adolescente” – assumiu um papel importante no sistema judiciário dos Estados Unidos. Alguns advogados logo tentaram usar a cartada da imaturidade juvenil para neutralizar, de vez, a culpabilidade de seus clientes, como se o cérebro imperfeito fosse a “verdadeira 32 causa” dos crimes.
Poucos cientistas endossam essa interpretação radical: ser adolescente não basta para transformar ninguém em criminoso. Há outros fatores envolvidos, inclusive sociais. Uma análise publicada recentemente, 35 envolvendo mais de 50 mil homicídios cometidos na Califórnia ao longo de duas décadas, mostra que a correlação entre idade adolescente e comportamento criminoso é mais forte nas parcelas mais pobres da população e praticamente desaparece entre os ricos.
O que se sabe, de fato, é que o cérebro jovem é mais vulnerável a estresse, a emoções fortes e tem baixa capacidade de analisar as consequências de longo prazo de suas ações. Jovens são naturalmente mais irresponsáveis, e não é muito difícil imaginar que as pressões trazidas pela pobreza aumentem a tentação de agir irresponsavelmente.
E o que tudo isso tem a ver com o caso concreto da maioridade penal? Não vou defender aqui a ideia de que ser irresponsável é ser inimputável. Como escreveu um poeta, “toda perversidade é fraqueza”; logo, ser fraco 44 não deveria bastar para desculpar ninguém.
Mas, se o jovem está disposto a cometer um crime e ainda não está mentalmente equipado para avaliar consequências de modo eficaz, será que o medo de “ser preso como adulto” vai impedi-lo?
Talvez, dado o modo como o cérebro adolescente funciona, o efeito dissuasório de uma redução da maioridade penal seja muito menor do que se imagina.
Claro, dissuasão não é a única função da pena. Há a questão da correção do comportamento e de se tirar elementos perigosos de circulação, poupando possíveis futuras vítimas.
Mas lembremo-nos de que o Brasil não tem prisão perpétua e de que um jovem, julgado e preso como adulto aos 16, muito provavelmente voltará às ruas antes dos 30, tendo passado os anos que, na população em geral, são usados para aprender uma profissão e começar uma carreira, trancafiado na companhia de bandidos experientes. Do jeito que a coisa está, os adolescentes presos sairão da cadeia, já adultos, graduados em colégios técnicos da crueldade e em universidades do crime.
Fonte: adaptado de <http://revistagalileu.globo.com>. Acesso em: 02 jul. 2015.
A ideia principal do texto encontra-se
Provas
Questão presente nas seguintes provas
MAIORIDADE PENAL: UMA ANÁLISE SOBRE O CÉREBRO DOS JOVENS
Carlos Orsi
Um dado curioso do debate brasileiro sobre maioridade penal é a insistência com que emerge a afirmação, peremptória, de que os jovens de hoje “não são ingênuos como os de antigamente” e “sabem muito bem o que estão fazendo”.
A primeira questão que um observador cético poderia levantar é: “de antigamente”, quando? Em 1874, os Estados Unidos condenavam Jesse Pomeroy, de 14 anos, à prisão perpétua por duplo homicídio. William Henry “Bonney” McCarthy, o “Billy the Kid” do Velho Oeste, matou pela primeira vez aos 17 e, aos 20, já tinha a cabeça a prêmio. Foi morto pouco depois, em 1881. Nathan Leopold e Richard Loeb, a dupla de assassinos que inspirou o filme “Festim Diabólico”, de Alfred Hitchcock, cometeram o assassinato pelo qual foram condenados, em 1924, quando já eram maiores de idade – tinham 19 e 18 anos, respectivamente – mas 9 haviam participado de crimes menores, antes.
Delinquência juvenil – incluindo crimes escabrosos, cometidos com arrogância, violência e crueldade – não é invenção dos tempos modernos. A percepção do problema talvez seja maior hoje do que foi no passado, mas, como apontou uma reportagem da Folha de S. Paulo, faltam dados para que possamos ter sua real dimensão.
Agora, se adolescentes que cometem crimes bárbaros não são exatamente uma invenção moderna(1ª), o que dizer da alegação de que eles “ sabem muito bem o que estão fazendo”?(2ª) Há alguns anos, nos Estados Unidos, foi produzida uma boa consolidação da ciência a respeito da capacidade do cérebro adolescente de, 17 exatamente, saber o que está fazendo. E isso por causa de Christopher Simmons.
Esse jovem havia sido condenado à morte, aos 17 anos, por um crime arrepiante: a vítima, uma mulher, foi amarrada com fita adesiva, cabos elétricos e jogada do alto de uma ponte. Em 2005, quando Simmons já estava com 28 anos, a Suprema Corte dos EUA determinou que a condenação à morte de menores de 18 anos era inconstitucional.
Em 2004, quando a questão ainda se encontrava em aberto, a revista Science publicou uma reportagem sobre 23 o papel da neurociência no julgamento. Resumindo, a melhor evidência científica diz que o cérebro de um jovem de 16 ou 17 anos ainda não atingiu o desenvolvimento pleno de áreas fundamentais para a responsabilidade criminal, como as envolvidas no controle das ações impulsivas, das emoções e da capacidade de resistir à tentação de prazer imediato. Ruben Gur, da Universidade da Pensilvânia, resumiu a questão assim: “A própria parte do cérebro que o sistema legal julga só entra em ação mais tarde”.
Desde que a neurociência ajudou a convencer a Suprema Corte a salvar a vida de Simmons (que hoje cumpre prisão perpétua), a questão do “teenage brain” – “cérebro adolescente” – assumiu um papel importante no sistema judiciário dos Estados Unidos. Alguns advogados logo tentaram usar a cartada da imaturidade juvenil para neutralizar, de vez, a culpabilidade de seus clientes, como se o cérebro imperfeito fosse a “verdadeira 32 causa” dos crimes.
Poucos cientistas endossam essa interpretação radical: ser adolescente não basta para transformar ninguém em criminoso. Há outros fatores envolvidos, inclusive sociais. Uma análise publicada recentemente, 35 envolvendo mais de 50 mil homicídios cometidos na Califórnia ao longo de duas décadas, mostra que a correlação entre idade adolescente e comportamento criminoso é mais forte nas parcelas mais pobres da população e praticamente desaparece entre os ricos.
O que se sabe, de fato, é que o cérebro jovem é mais vulnerável a estresse, a emoções fortes e tem baixa capacidade de analisar as consequências de longo prazo de suas ações. Jovens são naturalmente mais irresponsáveis, e não é muito difícil imaginar que as pressões trazidas pela pobreza aumentem a tentação de agir irresponsavelmente.
E o que tudo isso tem a ver com o caso concreto da maioridade penal? Não vou defender aqui a ideia de que ser irresponsável é ser inimputável. Como escreveu um poeta, “toda perversidade é fraqueza”; logo, ser fraco 44 não deveria bastar para desculpar ninguém.
Mas, se o jovem está disposto a cometer um crime e ainda não está mentalmente equipado para avaliar consequências de modo eficaz, será que o medo de “ser preso como adulto” vai impedi-lo?
Talvez, dado o modo como o cérebro adolescente funciona, o efeito dissuasório de uma redução da maioridade penal seja muito menor do que se imagina.
Claro, dissuasão não é a única função da pena. Há a questão da correção do comportamento e de se tirar elementos perigosos de circulação, poupando possíveis futuras vítimas.
Mas lembremo-nos de que o Brasil não tem prisão perpétua e de que um jovem, julgado e preso como adulto aos 16, muito provavelmente voltará às ruas antes dos 30, tendo passado os anos que, na população em geral, são usados para aprender uma profissão e começar uma carreira, trancafiado na companhia de bandidos experientes. Do jeito que a coisa está, os adolescentes presos sairão da cadeia, já adultos, graduados em colégios técnicos da crueldade e em universidades do crime.
Fonte: adaptado de <http://revistagalileu.globo.com>. Acesso em: 02 jul. 2015.
Considere o trecho:
| Agora, se adolescentes que cometem crimes bárbaros não são exatamente uma invenção moderna (1ª), o que dizer da alegação de que eles “sabem muito bem o que estão fazendo”(2ª)? |
Em relação aos segmentos destacados, é correto afirmar:
Provas
Questão presente nas seguintes provas
Considere o circuito RLC representado na figura abaixo.

Fonte: FUNCERN, 2015.
A corrente total do circuito é de
Provas
Questão presente nas seguintes provas
Em relação ao dimensionamento do conjunto inversor de frequência e motor AC assíncrono de gaiola de esquilo autoventilado, assinale a opção correta.
Provas
Questão presente nas seguintes provas
Considere o circuito elétrico representado na figura abaixo.

Fonte: FUNCERN, 2015
A resistência elétrica entre os pontos A e B é de
Provas
Questão presente nas seguintes provas
MAIORIDADE PENAL: UMA ANÁLISE SOBRE O CÉREBRO DOS JOVENS
Carlos Orsi
Um dado curioso do debate brasileiro sobre maioridade penal é a insistência com que emerge a afirmação, peremptória, de que os jovens de hoje “não são ingênuos como os de antigamente” e “sabem muito bem o que estão fazendo”.
A primeira questão que um observador cético poderia levantar é: “de antigamente”, quando? Em 1874, os Estados Unidos condenavam Jesse Pomeroy, de 14 anos, à prisão perpétua por duplo homicídio. William Henry “Bonney” McCarthy, o “Billy the Kid” do Velho Oeste, matou pela primeira vez aos 17 e, aos 20, já tinha a cabeça a prêmio. Foi morto pouco depois, em 1881. Nathan Leopold e Richard Loeb, a dupla de assassinos que inspirou o filme “Festim Diabólico”, de Alfred Hitchcock, cometeram o assassinato pelo qual foram condenados, em 1924, quando já eram maiores de idade – tinham 19 e 18 anos, respectivamente – mas 9 haviam participado de crimes menores, antes.
Delinquência juvenil – incluindo crimes escabrosos, cometidos com arrogância, violência e crueldade – não é invenção dos tempos modernos. A percepção do problema talvez seja maior hoje do que foi no passado, mas, como apontou uma reportagem da Folha de S. Paulo, faltam dados para que possamos ter sua real dimensão.
Agora, se adolescentes que cometem crimes bárbaros não são exatamente uma invenção moderna, o que dizer da alegação de que eles “sabem muito bem o que estão fazendo”? Há alguns anos, nos Estados Unidos, foi produzida uma boa consolidação da ciência a respeito da capacidade do cérebro adolescente de, 17 exatamente, saber o que está fazendo. E isso por causa de Christopher Simmons.
Esse jovem havia sido condenado à morte, aos 17 anos, por um crime arrepiante: a vítima, uma mulher, foi amarrada com fita adesiva, cabos elétricos e jogada do alto de uma ponte. Em 2005, quando Simmons já estava com 28 anos, a Suprema Corte dos EUA determinou que a condenação à morte de menores de 18 anos era inconstitucional.
Em 2004, quando a questão ainda se encontrava em aberto, a revista Science publicou uma reportagem sobre 23 o papel da neurociência no julgamento. Resumindo, a melhor evidência científica diz que o cérebro de um jovem de 16 ou 17 anos ainda não atingiu o desenvolvimento pleno de áreas fundamentais para a responsabilidade criminal, como as envolvidas no controle das ações impulsivas, das emoções e da capacidade de resistir à tentação de prazer imediato. Ruben Gur, da Universidade da Pensilvânia, resumiu a questão assim: “A própria parte do cérebro que o sistema legal julga só entra em ação mais tarde”.
Desde que a neurociência ajudou a convencer a Suprema Corte a salvar a vida de Simmons (que hoje cumpre prisão perpétua), a questão do “teenage brain” – “cérebro adolescente” – assumiu um papel importante no sistema judiciário dos Estados Unidos. Alguns advogados logo tentaram usar a cartada da imaturidade juvenil para neutralizar, de vez, a culpabilidade de seus clientes, como se o cérebro imperfeito fosse a “verdadeira 32 causa” dos crimes.
Poucos cientistas endossam essa interpretação radical: ser adolescente não basta para transformar ninguém em criminoso. Há outros fatores envolvidos, inclusive sociais. Uma análise publicada recentemente, 35 envolvendo mais de 50 mil homicídios cometidos na Califórnia ao longo de duas décadas, mostra que a correlação entre idade adolescente e comportamento criminoso é mais forte nas parcelas mais pobres da população e praticamente desaparece entre os ricos.
O que se sabe, de fato, é que o cérebro jovem é mais vulnerável a estresse, a emoções fortes e tem baixa capacidade de analisar as consequências de longo prazo de suas ações. Jovens são naturalmente mais irresponsáveis, e não é muito difícil imaginar que as pressões trazidas pela pobreza aumentem a tentação de agir irresponsavelmente.
E o que tudo isso tem a ver com o caso concreto da maioridade penal? Não vou defender aqui a ideia de que ser irresponsável é ser inimputável. Como escreveu um poeta, “toda perversidade é fraqueza”; logo, ser fraco 44 não deveria bastar para desculpar ninguém.
Mas, se o jovem está disposto a cometer um crime e ainda não está mentalmente equipado para avaliar consequências de modo eficaz, será que o medo de “ser preso como adulto” vai impedi-lo?
Talvez, dado o modo como o cérebro adolescente funciona, o efeito dissuasório de uma redução da maioridade penal seja muito menor do que se imagina.
Claro, dissuasão não é a única função da pena. Há a questão da correção do comportamento e de se tirar elementos perigosos de circulação, poupando possíveis futuras vítimas.
Mas lembremo-nos de que o Brasil não tem prisão perpétua e de que um jovem, julgado e preso como adulto aos 16, muito provavelmente voltará às ruas antes dos 30, tendo passado os anos que, na população em geral, são usados para aprender uma profissão e começar uma carreira, trancafiado na companhia de bandidos experientes. Do jeito que a coisa está, os adolescentes presos sairão da cadeia, já adultos, graduados em colégios técnicos da crueldade e em universidades do crime.
Fonte: adaptado de <http://revistagalileu.globo.com>. Acesso em: 02 jul. 2015.
Considere o trecho:
| Alguns advogados logo tentaram usar a cartada (1ª) da imaturidade juvenil para neutralizar (2ª), de vez, a culpabilidade de seus clientes, como se o cérebro imperfeito fosse a “verdadeira” causa dos crimes. |
Em relação ao sentido das palavras destacadas, é correto afirmar:
Provas
Questão presente nas seguintes provas
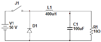
A figura abaixo representa um circuito de um conversor CC-CC buck . A chave J1 opera a uma frequência de 20 kHz com um ciclo de trabalho de 20 kHz com um ciclo de trabalho !$ d = 0,4 !$.

Fonte: FUNCERN, 2015.
Supondo os componentes ideais, a corrente máxima, no indutor será de
Provas
Questão presente nas seguintes provas
Considere o circuito elétrico de corrente alternada RL representado na figura abaixo, no qual a fonte de tensão elétrica é de 100 Vrms e a frequência é de 60 Hz.

Fonte: FUNCERN, 2015.
A tensão rms no indutor representado é de
Provas
Questão presente nas seguintes provas
Observe o circuito elétrico de corrente contínua representado abaixo.

Fonte: FUNCERN, 2015.
Considerando a intensidade de corrente de malha !$ I = 2 A !$, a tensão elétrica V1 na fonte de alimentação e a tensão elétrica V2 sobre o resistor R1 são, respectivamente,
Provas
Questão presente nas seguintes provas
Cadernos
Caderno Container