Foram encontradas 600 questões.
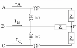
Para o sistema trifásico da figura, o método dos dois wattímetros permite as seguintes leituras: W1 = 1.130 W e W2 = 2.540 W, quando estão conectados a uma carga equilibrada conectada em estrela. Sendo Vef-AN= 220 V (tensão de fase eficaz), o valor da impedância de fase em Ω é

Provas
Uma instalação elétrica consome uma potência de 6kW, sabendo-se que a potência reativa é de 4kVAr e a tensão é de 220 V, o valor do fator de potência será
Provas
Para um circuito com tensão igual a 30 V, sabendo-se que as resistências de quatro faixas R1 e R2 estão em paralelo com os valores expressos em amarelo-violeta-marrom-ouro e vermelho-amarelo-preto-prata, respectivamente, o valor da máxima corrente em ampere será
Provas
Dois resistores R1 = 7Ω e R2 = 8Ω estão ligados em série e, sabendo-se que a tensão em R2 é igual a 24 V, a potência em watt dissipada no circuito é
Provas
A tensão elétrica pode ser definida como:
I. a capacidade que a carga elétrica tem de realizar trabalho;
II. a pressão exercida sobre os elétrons para que estes se movimentem;
III. a diferença de potencial elétrico entre dois corpos eletrizados.
Pode-se afirmar que
Provas
Para tolerâncias dimensionais com o sistema eixo/furo que tem um acoplamento H7/j6 para um diâmetro 55 mm, o acoplamento seria considerado
Provas
Os ingredientes básicos de um sistema de controle podem ser descritos por
Provas
Em um sistema de controle, o corpo humano é considerado:
I. com retroalimentação;
II. de malha aberta;
III. de malha fechada;
IV. de aquecimento de malha semifechada;
V. de aquecimento de malha semiaberta.
Estão corretos os itens
Provas
- Banco de Dados RelacionalTipos de ChavesChave Estrangeira
- Banco de Dados RelacionalTipos de ChavesChave Primária
Provas
I. Uma chave estrangeira é um campo, que faz referência para a chave primária de outra tabela ou da mesma tabela. II. Especialização é uma abstração em que os conjuntos de relacionamentos são tratados como conjuntos de entidades de nível superior e podem participar de relacionamentos. III. No relacionamento 1-para-N (um-para-muitos), a chave estrangeira situa-se na entidade de cardinalidade muitos. IV. Relacionamentos N-para-M (muitos-para-muitos) são mapeados em relações extras contendo uma chave primária criada artificialmente e as chaves primárias das relações envolvidas.
É correto afirmar que as afirmativas
Provas
Caderno Container