Foram encontradas 1.168 questões.
A primeira Figura abaixo mostra um circuito resistivo de corrente contínua, onde todos os componentes são considerados ideais e, a segunda Figura mostra o Equivalente Thevenin desse circuito, calculado entre os pontos X e Y, onde RTH e VTH são os equivalentes, respectivamente, da Resistência e da Tensão entre X e Y.

Qual o valor, em Ohms, da Resistência Equivalente RTH?
Provas
A instalação de transformadores monofásicos em paralelo implica o conhecimento da polaridade dos transformadores para adequada conexão dos seus terminais.
Se necessária a verificação da polaridade de um transformador monofásico, pode ser usado o
Provas
Considere um sistema elétrico composto por uma carga trifásica, alimentada por uma fonte trifásica ideal, nas seguintes condições:
- Tensão de linha da fonte: 200V;
- Característica da carga: impedância constante, conectada em !$ \Delta !$;
- Impedância da carga: 32+j24 !$ \Omega !$
Nessas condições, a potência dissipada pela carga, em W, é
Provas
Considere o circuito RLC da Figura abaixo, o qual é alimentado por uma fonte senoidal VF.

Esse circuito foi implementado e testado numa bancada, de forma que os registros temporais das tensões VF, VR e VX são mostrados na Figura abaixo.

Nessas condições, com referência à relação entre os valores de R, XL e XC, tem-se que
Provas
A unidade da diferença de potencial elétrico, em termos de unidades de base do Sistema Internacional de Unidades, é expressa por:
kg . m2 . s-3 . A-1
A unidade da Condutância, quando escrita em termos de unidades de base do Sistema Internacional de Unidades, é
Provas
Os transformadores para instrumentos, que têm o objetivo de reduzir as correntes que circulam no seu primário, fornecendo, assim, no secundário, correntes reduzidas que alimentam instrumentos de medidas, medidores de energia, dispositivos de proteção e controle com correntes compatíveis a esses equipamentos são denominados transformadores de
Provas
O elemento de um sistema de controle, que recebe um sinal de controle e atua fisicamente no processo, modificando sua entrada, é o
Provas
Um sistema de alimentação fornece energia a um equipamento de 100 kVA e fator de potência igual a 0,8 indutivo.
Para que esse equipamento opere com um fator de potência igual a 0,867, a potência reativa do banco de capacitores, em kvar, é, aproximadamente:
Dado
cos-1 (0,867) = 30º
sen 30º = 0,5
tg 30º = 0,57
Provas
Um motor de indução possui a seguinte relação:
Ns = (120.f)/p, onde:
Ns: velocidade do campo girante, em rpm.
f: frequência da rede de alimentação em Hz.
p: número de polos.
Para Ns, em hertz, a expressão passa a ser
Provas
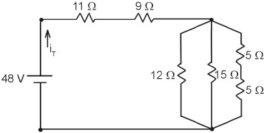
Leve em conta que uma bateria de f.e.m. de 48 V, considerada ideal, alimenta um circuito formado por vários resistores em associação mista, conforme indicado na Figura abaixo.

Nessas condições, a corrente elétrica iT, em ampère, fornecida ao circuito pela fonte é igual a
Provas
Caderno Container