Foram encontradas 50 questões.
Em termos de demanda, a carga elétrica industrial é composta majoritariamente por motores elétricos. Esses motores se dividem numa imensa gama de padrões construtivos e características operativas, sendo capazes de prover soluções eficientes para as mais variadas aplicações.
Com relação aos demais tipos de motores elétricos, os motores trifásicos de indução com rotor em gaiola se destacam por
Provas
Circuitos elétricos empregando resistores, indutores e capacitores consistem numa das formas mais simplificadas de representar os principais fenômenos físicos envolvidos na operação e no dimensionamento de diversos sistemas e equipamentos elétricos.
Nesse contexto, o indutor
Provas
O dimensionamento dos condutores que alimentam cargas elétricas industriais de baixa tensão nem sempre possui uma solução direta, envolvendo a análise de diversos critérios de dimensionamento, o que pode resultar num processo iterativo. Um dos critérios utilizados é o de suportabilidade ao curto-circuito, que pode ser verificado com o auxílio do gráfico a seguir.

Adaptado de MAMEDE FILHO, João. Instalações Elétricas Industriais, 9 ed. LTC, 2017.
Considere que se deseja dimensionar o ramal que alimenta uma determinada carga, sob as seguintes condições:
- verificar apenas o critério de suportabilidade ao curto-circuito;
- ramal é composto por um único condutor por fase;
- corrente de curto-circuito simétrica presumida: 7 kA;
- tempo de abertura do disjuntor: 0,5 s;
- frequência nominal da rede: 60 Hz.
Nessas condições, a bitola nominal mínima do condutor, em mm2, é
Provas

O circuito da Figura apresenta a configuração clássica de um conversor CC-CC abaixador (conversor Buck) alimentando uma carga. Considere esse conversor operando em regime permanente e em modo de condução contínua.
Qual a funcionalidade do diodo nesse conversor?
Provas
A Figura abaixo apresenta as vistas de um para-raios do tipo Franklin.

Para que o para-raios proteja toda a edificação, a distância L deve ser
Provas

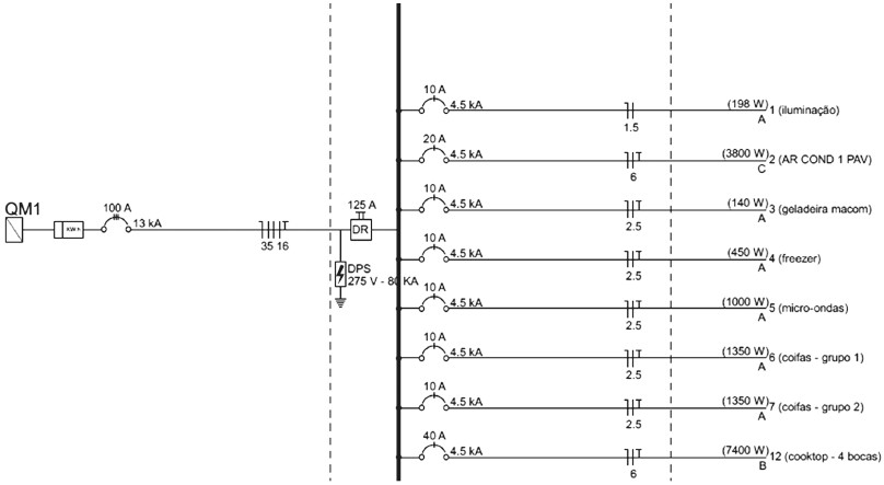
A Figura acima mostra parte do diagrama unifilar de uma instalação elétrica de um consumidor hipotético.
A análise desse diagrama permite a seguinte conclusão:
Provas
Uma fonte de Tensão Contínua (DC) de 24 volts alimenta uma carga resistiva com 4 resistores, todos com valores iguais. Todos esses resistores estão associados em série, e essa fonte de 24 V fornece à carga uma certa potência P, em watts.
Uma segunda configuração pretende alimentar esses mesmos 4 resistores, fornecendo a mesma potência P, mas, dessa vez, todos associados em paralelo. Para que nessa segunda configuração seja fornecida a mesma potência P, será necessária uma outra fonte de alimentação (DC).
Qual o valor, em volts, da fonte de Tensão DC para essa segunda configuração?
Provas
Numa experiência de bancada, associa-se um capacitor de 100 mF em série com um resistor de 40 k!$ \Omega !$. Esta associação é alimentada por uma fonte de tensão contínua de 12 volts, através de uma chave liga-desliga.
Sabe-se que, quando a chave é fechada, em t=0, o capacitor, que estava inicialmente descarregado, começa a acumular tensão em seus bornes. Sabe-se, também, que depois de um tempo igual a uma Constante de Tempo do circuito, a tensão no capacitor atinge 63% de sua tensão final, em regime permanente.
Quanto tempo, medido em segundos, após o fechamento da chave, esse capacitor da experiência atingirá 63% do seu valor final?
Provas
A primeira Figura abaixo mostra um circuito resistivo de corrente contínua, onde todos os componentes são considerados ideais e, a segunda Figura mostra o Equivalente Thevenin desse circuito, calculado entre os pontos X e Y, onde RTH e VTH são os equivalentes, respectivamente, da Resistência e da Tensão entre X e Y.

Qual o valor, em Ohms, da Resistência Equivalente RTH?
Provas
A instalação de transformadores monofásicos em paralelo implica o conhecimento da polaridade dos transformadores para adequada conexão dos seus terminais.
Se necessária a verificação da polaridade de um transformador monofásico, pode ser usado o
Provas
Caderno Container