Foram encontradas 621 questões.
Disciplina: Engenharia de Telecomunicações
Banca: NCE-UFRJ
Orgão: Eletrobrás
Um transmissor de AM apresenta uma potência de 100 W quando não modulado. Quando modulado com m=1 (100% de modulação), a potência de saída será de:
Provas

Concluiu que o circuito é um:
Provas
Em uma função lógica F as variáveis lógicas são A, B e C. A', B' e C' são os complementos dessas variáveis.
A função
F = A'B'C' + A'B'C A'B C A'B C' A B'C' A B,
pode ser simplificada para:
Provas
O transformador é ideal e tem relação de espiras Np/Ns=1 (Ns é o número de espiras entre cada um dos terminais e a tomada central). A entrada no ponto E, em relação à terra, é um sinal senoidal de 16 V de pico.

Provas

Provas
O diagrama funcional abaixo representa uma parte de um Conversor Analógico Digital. A saída S é acoplada a um contador e o contador a um conversor BCD/Sete segmentos. Os circuitos são comandados por uma Lógica de Controle.

Essa parte se refere a um Conversor A/D do tipo:
Provas
Dispomos de um miliamperímetro que apresenta uma resistência de 100
e que pode medir de 0,0 a 1,0 mA, isto é, que o fundo de escala seja de 1,0 mA. Deseja-se construir um miliamperímetro que possa medir de 0 a 100 mA, usando o miliamperímetro de 1,0 mA. Para isso devemos colocar um resistor de:
Provas
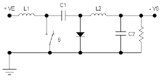
O diagrama abaixo é de uma topologia usada em fontes chaveadas onde, através de uma tensão positiva e contínua de entrada, obtemos uma tensão negativa na saída.

Essa topologia é conhecida por:
Provas
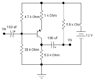
No circuito abaixo o transistor apresenta hfe muito grande e os capacitores têm reatâncias desprezíveis na freqüência de operação.

O ganho de tensão Vs/Ve é próximo de:
Provas
O circuito abaixo é um temporizador acionado pela chave S.

Provas
Caderno Container