Foram encontradas 395 questões.
O balanceamento de carga por DNS é uma abordagem popular e simples para as solicitações de balanceamento de servidores. Considere a figura abaixo.

De acordo com a figura, geralmente são estes os passos que ocorrem assim que é feita uma consulta DNS:
1. Quando um cliente tenta acessar o site, é realizada uma pesquisa no DNS local para determinar qual é o endereço ...I... correspondente;
2. O pedido de endereço chega ao servidor de DNS ...II... do domínio;
3. A primeira vez que esta consulta é feita, o servidor DNS remoto pode retornar todos os registros de endereços que ele tem para o site;
4. O servidor DNS ...III..., em seguida, determina o endereço de registro para retornar ao cliente;
5. Se todos os registros são retornados, o cliente utilizará o primeiro que lhe é atribuído;
6. O servidor responde ao cliente e atende ao pedido;
7. A cada pedido, o algoritmo Round Robin roda os endereços e retorna pela ordem em que eles estão;
8. Cada consulta DNS irá resultar em um cliente usando um endereço ...IV...;
9. Esta rotação de endereços irá distribuir pedidos para os servidores.
As lacunas de I a IV são, correta e respectivamente, preenchidas com:
Provas
Considere o fragmento de código a seguir, retirado de uma classe contida em uma aplicação Java.
private EntityManagerFactory emf;
private EntityManager em;
private EntityTransaction et;
public void operation(){
emf=Persistence.createEntityManagerFactory("Teste");
em=emf.createEntityManager();
et = em.getTransaction ();
et.begin();
}
Pode-se concluir corretamente que este fragmento
Provas
Provas
Provas
- MacroeconomiaBalanço de PagamentosContabilização de Transações
- MacroeconomiaEconomia Internacional na Macroeconomia
Um país que utiliza a metodologia do Fundo Monetário Internacional para divulgação do Balanço de Pagamentos, apresentou os seguintes dados:
Exportações .............................800
Importações ............................ 700
Serviços ........................... (−) 400
Conta Capital ...................... (−) 200
Conta Financeira ....................... 750
O saldo de Transações Correntes atingiu
Provas
Considere a figura abaixo

Considerando a perspectiva Isométrica acima, e assumindo os furos e rasgos retangulares como passantes, a vista de planta (como indicado pela seta) desta peça será representada pela figura:
Provas
Provas
Provas
Provas

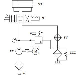
O componente III, ilustrado na figura refere-se a
Provas
Caderno Container