Magna Concursos

Foram encontradas 100 questões.

3241148 Ano: 2024
Disciplina: Engenharia Eletrônica
Banca: DIRENS Aeronáutica
Orgão: EEAr
Provas:

Avalie as informações abaixo sobre o código ASCII.

I- É um código de 6 bits.

II- Tem 128 representações codificadas.

III- É usado para transferência de informação alfanumérica entre um computador e dispositivos externos.

IV- ASCII é o acrônimo para “Código Padrão Americano para Geração Internacional de Dados”.

Está correto o que se afirma em

 

Provas

Questão presente nas seguintes provas
3241147 Ano: 2024
Disciplina: Engenharia Elétrica
Banca: DIRENS Aeronáutica
Orgão: EEAr
Provas:

Assinale a alternativa correta com relação às fontes de eletricidade.

 

Provas

Questão presente nas seguintes provas
3241146 Ano: 2024
Disciplina: Engenharia Eletrônica
Banca: DIRENS Aeronáutica
Orgão: EEAr
Provas:

Um amplificador possui um ganho de tensão de 60dB. Indique a alternativa que apresenta o valor da razão entre a tensão de saída e entrada.

 

Provas

Questão presente nas seguintes provas
3241145 Ano: 2024
Disciplina: Engenharia Elétrica
Banca: DIRENS Aeronáutica
Orgão: EEAr
Provas:

Relacione as colunas quanto às definições de pilhas primárias e pilhas secundárias. Em seguida, assinale a alternativa com a sequência correta.

1 – Pilhas primárias

2 – Pilhas secundárias

( ) São recarregáveis.

( ) Não podem ser recarregadas.

( ) As pilhas secas usadas em lanternas e em rádios transistorizados são exemplos.

( ) São usadas pilhas menores e blindadas na alimentação de equipamentos portáteis como barbeadores, calculadoras eletrônicas, rádios e televisores.

 

Provas

Questão presente nas seguintes provas
3241144 Ano: 2024
Disciplina: Engenharia Eletrônica
Banca: DIRENS Aeronáutica
Orgão: EEAr
Provas:

Como é denominado um conjunto de 4 bits no sistema binário de numeração?

 

Provas

Questão presente nas seguintes provas
3241143 Ano: 2024
Disciplina: Engenharia Elétrica
Banca: DIRENS Aeronáutica
Orgão: EEAr
Provas:

Qual o fenômeno de propagação das ondas de rádio que é explicado pelo “Princípio de Huygens”?

 

Provas

Questão presente nas seguintes provas
3241142 Ano: 2024
Disciplina: Engenharia Elétrica
Banca: DIRENS Aeronáutica
Orgão: EEAr
Provas:

Assinale a alternativa que apresenta uma das características da fibra óptica.

 

Provas

Questão presente nas seguintes provas
3241141 Ano: 2024
Disciplina: Engenharia Eletrônica
Banca: DIRENS Aeronáutica
Orgão: EEAr
Provas:

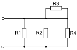
No circuito a seguir, todos os resistores são iguais a X. Indique a alternativa com o valor da resistência equivalente.

Enunciado 3545626-1

 

Provas

Questão presente nas seguintes provas
3241140 Ano: 2024
Disciplina: Engenharia Eletrônica
Banca: DIRENS Aeronáutica
Orgão: EEAr
Provas:

Qual é o tipo da antena que possui o diagrama de irradiação abaixo?

Enunciado 3545625-1

 

Provas

Questão presente nas seguintes provas
3241139 Ano: 2024
Disciplina: Engenharia Eletrônica
Banca: DIRENS Aeronáutica
Orgão: EEAr
Provas:

Relacione as colunas considerando a simbologia com o dispositivo correspondente e assinale a alternativa com a sequência correta.

1 – DIAC

2 – SCR

3 – TRIAC

( )

Enunciado 3545624-1

( )

Enunciado 3545624-2

( )

Enunciado 3545624-3

 

Provas

Questão presente nas seguintes provas