Magna Concursos

Foram encontradas 100 questões.

3241168 Ano: 2024
Disciplina: Engenharia Eletrônica
Banca: DIRENS Aeronáutica
Orgão: EEAr
Provas:

Considerando o circuito abaixo, assinale a alternativa que corresponde ao valor da tensão Vce. Considerar Vbe = 0,7V e Ic = Ie.

Enunciado 3545658-1

 

Provas

Questão presente nas seguintes provas
3241167 Ano: 2024
Disciplina: Engenharia Elétrica
Banca: DIRENS Aeronáutica
Orgão: EEAr
Provas:

Assinale a alternativa que completa a frase abaixo. Um determinado sistema de comunicação possui uma relação sinal-ruído igual a 30dB. Isso equivale a dizer que a potência do sinal é vezes que a potência do ruído.

 

Provas

Questão presente nas seguintes provas
3241166 Ano: 2024
Disciplina: Engenharia Elétrica
Banca: DIRENS Aeronáutica
Orgão: EEAr
Provas:

Assinale a alternativa que indica a faixa de frequência que compreende as ondas médias.

 

Provas

Questão presente nas seguintes provas
3241165 Ano: 2024
Disciplina: Engenharia Elétrica
Banca: DIRENS Aeronáutica
Orgão: EEAr
Provas:

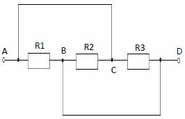
Determine a resistência total (Rt) para o circuito abaixo.

Dados: R1= 10\( \Omega \), R2= 20\( \Omega \) e R3= 30\( \Omega \).

Enunciado 3545655-1

 

Provas

Questão presente nas seguintes provas
3241164 Ano: 2024
Disciplina: Engenharia Eletrônica
Banca: DIRENS Aeronáutica
Orgão: EEAr
Provas:

Qual é a menor frequência que pode se propagar no modo dominante, no interior de um guia de onda com dimensões de 1,5cm x 3,0cm?

 

Provas

Questão presente nas seguintes provas
3241163 Ano: 2024
Disciplina: Engenharia Eletrônica
Banca: DIRENS Aeronáutica
Orgão: EEAr
Provas:

Qual é o componente que se deseja suprimir na saída de um modulador balanceador?

 

Provas

Questão presente nas seguintes provas
3241162 Ano: 2024
Disciplina: Engenharia Elétrica
Banca: DIRENS Aeronáutica
Orgão: EEAr
Provas:

Assinale a alternativa que completa a frase abaixo.

Um semicondutor dopado é chamado de semicondutor . No semicondutor tipo p, as lacunas são chamadas de portadores e os elétrons livres são chamados de portadores .

 

Provas

Questão presente nas seguintes provas
3241161 Ano: 2024
Disciplina: Engenharia Eletrônica
Banca: DIRENS Aeronáutica
Orgão: EEAr
Provas:

Considerando o espectro AM-DSB, calcule o índice de modulação.

Enunciado 3545646-1

 

Provas

Questão presente nas seguintes provas
3241160 Ano: 2024
Disciplina: Engenharia Elétrica
Banca: DIRENS Aeronáutica
Orgão: EEAr
Provas:

Em um receptor, qual circuito possui a função de efetuar o batimento entre duas frequências, gerando a frequência intermediária?

 

Provas

Questão presente nas seguintes provas
3241159 Ano: 2024
Disciplina: Engenharia Eletrônica
Banca: DIRENS Aeronáutica
Orgão: EEAr
Provas:

Analise o circuito abaixo e assinale a alternativa que corresponde à função lógica.

Enunciado 3545644-1

 

Provas

Questão presente nas seguintes provas