Foram encontradas 700 questões.
Assinale a alternativa que não apresenta uma aplicação comum da eletroforese?
Provas
Questão presente nas seguintes provas
2479288
Ano: 2014
Disciplina: TI - Organização e Arquitetura dos Computadores
Banca: DIRENS Aeronáutica
Orgão: EEAr
Disciplina: TI - Organização e Arquitetura dos Computadores
Banca: DIRENS Aeronáutica
Orgão: EEAr
Provas:
As trilhas de um HD (Hard Disk) são divididas em
Provas
Questão presente nas seguintes provas
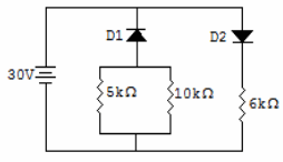
No circuito abaixo, qual o valor da corrente elétrica que circula pelo resistor de 10 k!$ Ω !$, quando o diodo conduz, !$ V_D = 0,8V !$?

Provas
Questão presente nas seguintes provas
2479276
Ano: 2014
Disciplina: TI - Desenvolvimento de Sistemas
Banca: DIRENS Aeronáutica
Orgão: EEAr
Disciplina: TI - Desenvolvimento de Sistemas
Banca: DIRENS Aeronáutica
Orgão: EEAr
Provas:
- Paradigmas de ProgramaçãoOrientação a ObjetosAnálise e Projeto Orientado a Objetos
- Paradigmas de ProgramaçãoOrientação a ObjetosDefinição Técnica: Orientação a Objetos
- Paradigmas de ProgramaçãoOrientação a ObjetosOrientação a Objetos: Abstração
- Paradigmas de ProgramaçãoOrientação a ObjetosOrientação a Objetos: Encapsulamento
Considerando o “Encapsulamento” em Programação Orientada a Objetos (POO), relacione a coluna da esquerda com a da direita e, em seguida, assinale a alternativa que contém a sequência correta.
(1) - Abstração
(2) - Interface
(3) - Implementação
(4) - Encapsulamento
( ) É o processo de simplificar um problema difícil.
( ) Define como um componente realmente fornece um serviço.
( ) Lista os serviços fornecidos por um componente.
( ) Permite que se construam partes ocultas da implementação do software, que atinjam uma funcionalidade e ocultam os detalhes de implementação do mundo exterior.
Provas
Questão presente nas seguintes provas
São sinais e sintomas do trauma raquimedular:
Provas
Questão presente nas seguintes provas
Qual dos analitos abaixo pode ser dosado por titulometria utilizando-se difenilcarbazona como indicador?
Provas
Questão presente nas seguintes provas
Quanto ao sistema digestivo, marque (V) para verdadeiro ou (F) para falso e assinale a alternativa com a sequência correta.
( ) As enzimas digestivas secretadas pelo pâncreas são a tripsina, a amilase e a lipase.
( ) Quando o bolo alimentar é deglutido, a epiglote move-se para cobrir a abertura traqueal.
( ) O pâncreas secreta um líquido altamente ácido em resposta à ingestão antecipada do alimento.
( ) Os carboidratos são clivados em aminoácidos e peptídeos, e as proteínas são clivadas em glicose e frutose.
Provas
Questão presente nas seguintes provas
Assinale a alternativa que não apresenta um objetivo que se pretende alcançar com o uso de uso de aditivos no concreto.
Provas
Questão presente nas seguintes provas
2479117
Ano: 2014
Disciplina: TI - Desenvolvimento de Sistemas
Banca: DIRENS Aeronáutica
Orgão: EEAr
Disciplina: TI - Desenvolvimento de Sistemas
Banca: DIRENS Aeronáutica
Orgão: EEAr
Provas:
- Paradigmas de ProgramaçãoOrientação a ObjetosAnálise e Projeto Orientado a Objetos
- Paradigmas de ProgramaçãoOrientação a ObjetosOrientação a Objetos: Classes e Objetos
- Paradigmas de ProgramaçãoOrientação a ObjetosOrientação a Objetos: Construtores
Considerando a Programação Orientada a Objetos (POO), relacione a coluna da esquerda com a da direita e, em seguida, assinale a alternativa que contém a sequência correta.
(1) - Atributos
(2) - Domínio
(3) - Construtores
(4) - Classe
( ) São métodos usados para inicializar objetos durante sua instanciação.
( ) É o espaço onde um problema reside.
( ) São as características de uma classe visíveis externamente.
( ) Define os atributos e comportamentos comuns compartilhados por um tipo de objeto.
Provas
Questão presente nas seguintes provas
Assinale a alternativa que contém, na sequência, o pronome oblíquo átono devidamente colocado junto à forma verbal, conforme rege a norma culta da língua.
Quanto aos políticos corruptos, não meu voto, pois sempre de ter colocado no poder um governante que inocente quando há inúmeras provas contra ele.
Provas
Questão presente nas seguintes provas
Cadernos
Caderno Container