Foram encontradas 700 questões.
2479730
Ano: 2014
Disciplina: TI - Desenvolvimento de Sistemas
Banca: DIRENS Aeronáutica
Orgão: EEAr
Disciplina: TI - Desenvolvimento de Sistemas
Banca: DIRENS Aeronáutica
Orgão: EEAr
Provas:
Considerando os conceitos relacionados à Programação Orientada a Objetos, observe a figura abaixo e assinale a afirmativa correta a respeito das classes representadas.

Provas
Questão presente nas seguintes provas
Para garantir o bom funcionamento de uma usina de concreto, são necessárias algumas ações. Marque a alternativa que não corresponde a uma dessas ações.
Provas
Questão presente nas seguintes provas
Qual dos protozoários abaixo possui forma vegetativa piriforme?
Provas
Questão presente nas seguintes provas
Um topógrafo ao fazer um levantamento utilizando uma poligonal fechada com 6 lados, verificou que o somatório dos ângulos internos era de 719°59’45”. Com base nessas informações, é correto afirmar que o erro de fechamento foi de
Provas
Questão presente nas seguintes provas
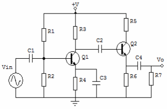
Analise o circuito abaixo e assinale a alternativa correta.

Provas
Questão presente nas seguintes provas
2479592
Ano: 2014
Disciplina: TI - Redes de Computadores
Banca: DIRENS Aeronáutica
Orgão: EEAr
Disciplina: TI - Redes de Computadores
Banca: DIRENS Aeronáutica
Orgão: EEAr
Provas:
O principal objetivo do modelo de referência OSI foi oferecer uma padronização para permitir que os fabricantes pudessem criar protocolos e componentes a partir desse modelo. Assinale a alternativa que apresenta corretamente as camadas do modelo de referência OSI.
Provas
Questão presente nas seguintes provas
No dimensionamento de dispositivos de proteção contra corrente de sobrecarga, qual parâmetro deve ser utilizado?
Provas
Questão presente nas seguintes provas
Assinale a alternativa que completa corretamente a lacuna do texto abaixo.
é a estrutura que conecta os dois hemisférios cerebrais.
Provas
Questão presente nas seguintes provas
Assinale a alternativa que completa corretamente a lacuna. Um sistema constitui-se de um grupo ou uma associação de órgãos que têm uma função semelhante ou comum. Assim, pode-se afirmar que o corpo humano é formado por sistemas individuais.
Provas
Questão presente nas seguintes provas
Em relação à relutância de um circuito magnético, assinale a alternativa correta.
Provas
Questão presente nas seguintes provas
Cadernos
Caderno Container