Foram encontradas 640 questões.
Assinale a opção que indica o osso mais longo do membro superior.
Provas
Questão presente nas seguintes provas
Marque F (Falso) ou V (Verdadeiro) segundo as afirmações de McCormac (2007) sobre curvas horizontais. A seguir, indique a opção correta.
( ) As curvas são estaqueadas usando-se comprimento de cordas retas.
( ) O teodolito é instalado no PI (ponto de inspeção), e a curva é estaqueada.
( ) As curvas circulares são locadas usando- se azimutes astronômicos.
( ) O teodolito não pode ser instalado em pontos intermediários à curva para prosseguir com estaqueamento.
Provas
Questão presente nas seguintes provas
Qual alternativa completa correta e respectivamente as lacunas no texto abaixo?
com os primeiros raios de sol, as mulheres chegaram à loja, pois todas queriam aproveitar os preços convidativos, e puderam comprar o maior número de vestidos .
Provas
Questão presente nas seguintes provas
Quais são os dois procedimentos mais comuns da TC intervencionista?
Provas
Questão presente nas seguintes provas
Dado o exemplo de leitura de mira abaixo, calcule o desnível da visada de ré, leitura AB, para a visada de vante, leitura CD, e, em seguida, assinale a alternativa que contém a resposta correta.

Provas
Questão presente nas seguintes provas
O Livro que permite o controle do movimento de cada Conta do Plano de Contas, separadamente, é o
Provas
Questão presente nas seguintes provas
É usual, em edifícios residenciais, o emprego de interruptores que apagam automaticamente o circuito de serviço, visando a maior economia para o condomínio. Como se denomina esse dispositivo?
Provas
Questão presente nas seguintes provas
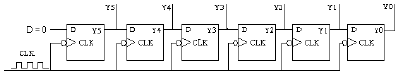
Considere que o registrador de deslocamento abaixo esteja inicialmente com todas as saídas Y0 a Y5 em nível 1. Quais serão os níveis, respectivamente, das saídas Y5 a Y0 após seis pulsos de clock ?

Provas
Questão presente nas seguintes provas
A água do Tipo I é a mais indicada para procedimentos laboratoriais, tais como
Provas
Questão presente nas seguintes provas
Com relação a instalações de água quente, assinale a alternativa que completa corretamente a afirmação a seguir:
“Em tubulações embutidas, o isolamento térmico, além de consideravelmente de calor, tem como função a movimentação da tubulação devido a dilatação térmica, impedindo com isso danos ao revestimento da parede”.
Provas
Questão presente nas seguintes provas
Cadernos
Caderno Container