Foram encontradas 640 questões.
Quanto ao procedimento de injeção intravenosa (IV) em bolo, enumere de 1 a 6 a seqüência dos passos de tal procedimento e marque a alternativa com a seqüência correta.
( ) Aplique a bandagem adesiva no local.
( ) Limpe o sítio de injeção com uma bola de algodão com álcool.
( ) Remova o torniquete e injete o medicamento na velocidade apropriada.
( ) Confirme a identidade do paciente, lave as mãos, calce as luvas e explique o procedimento.
( ) Selecione a veia mais calibrosa apropriada para uma injeção e aplique um torniquete acima do sítio de punção para distender a veia.
( ) Se estiver usando um escalpe, introduza a agulha (com o bisel para cima), prenda as aletas do escalpe com esparadrapo na posição quando observar o refluxo de sangue para dentro do equipo.
Provas
Questão presente nas seguintes provas
- PODC: Processo OrganizacionalProcesso Administrativo: PlanejamentoPlanejamento Estratégico, Tático e OperacionalPlanejamento Operacional
Qual das alternativas abaixo não está relacionada às principais técnicas da Pesquisa Operacional (P.O.)?
Provas
Questão presente nas seguintes provas
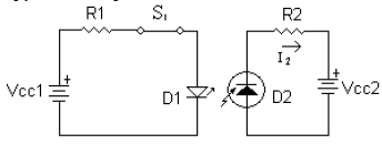
Informe se falso (F) ou se verdadeiro (V) o que se afirma abaixo sobre o dispositivo opto – eletrônico a seguir e indique a opção com a seqüência correta.

( ) Se !$ S_1 !$ for aberta, a corrente !$ I_2 !$ aumentará.
( ) Se !$ S_1 !$ estiver fechada, não haverá corrente !$ I_2 !$ .
( ) Se !$ S_1 !$ estiver fechada, haverá corrente !$ I_2 !$ e, se for aberta, decrescerá para o valor da chamada “corrente escura”.
Provas
Questão presente nas seguintes provas
Vários critérios poderão ser utilizados para avaliação do estoque. O critério que atribui ao estoque os custos mais recentes recebe a expressão:
Provas
Questão presente nas seguintes provas
Complete as lacunas da sentença abaixo e marque a alternativa com a seqüência correta.
A refere-se a uma intermitente na pressão diastólica ou sistólica. Ela representa uma causa importante de acidente vascular cerebral, cardiopatia e insuficiência renal. Detectá-la e tratá-la que se desenvolvam as complicações melhora muito o prognóstico do paciente. A gravemente pode tornar-se fatal.
Provas
Questão presente nas seguintes provas
São sinais de envenenamento, exceto
Provas
Questão presente nas seguintes provas
O corresponde ao eixo central do feixe de radiação e é perpendicular ao maior eixo do tubo.
Provas
Questão presente nas seguintes provas
A razão de recepção/transmissão de dados na comunicação serial é chamada de:
Provas
Questão presente nas seguintes provas
Com fulcro nos principais conceitos de Sistemas, o mecanismo pelo qual parte da energia de saída retorna ou volta à entrada, servindo para comparar a maneira como um sistema funciona em relação ao padrão estabelecido para funcionar recebe o nome de
Provas
Questão presente nas seguintes provas
O câncer de mama é uma das importantes causas de mortes entre as mulheres. Em relação a essa patologia, marque a opção incorreta.
Provas
Questão presente nas seguintes provas
Cadernos
Caderno Container