Foram encontradas 50 questões.
Com base no tema: Proteção de instalações elétricas assinale a alternativa correta que indica, no jargão técnico o que se descreve no texto que segue. Representa a possibilidade de uma escolha adequada de fusíveis e disjuntores, de tal modo que, ao ocorrer um defeito em um ponto da instalação, o desligamento deve afetar uma parte mínima do sistema.
Provas
Questão presente nas seguintes provas
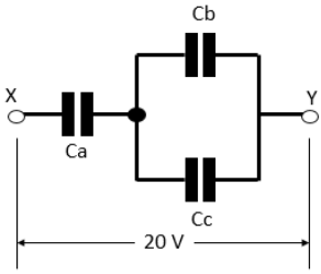
Você está construindo um banco de capacitores, conforme a figura que segue. Com base na figura assinale a alternativa que apresenta a carga e a diferença de potencial elétrico do capacitor Ca.
Dados: Ca = 3x10-6 F; Cb = 4x10-6 F; Cc = 2x10-6 F

Provas
Questão presente nas seguintes provas
Assinale a alternativa que completa corretamente a lacuna. A proteção contra choque elétrico é imperativo em instalações elétricas residenciais e comerciais, se estas forem construídas levando-se em consideração as boas práticas da área (Segundo a NBR). Para este fim, faz-se necessário o uso de um dispositivo chamado de interruptor diferencial residual, que é capaz de detectar fugas de correntes, conhecidos(as) por _____________.
A diferença entre a corrente que entra e a corrente que sai do dispositivo é o gatilho para que o IDR desarme.
Provas
Questão presente nas seguintes provas
A propriedade elétrica conhecida como Condutividade Elétrica, na unidade (Ω.m)-1, do material grafite tem seu valor aproximado indicado na alternativa:
Provas
Questão presente nas seguintes provas
Analise as afirmativas abaixo, dê valores Verdadeiro (V) ou Falso (F) e assinale a alternativa que apresenta a sequência correta de cima para baixo. tendo como base o tema Seccionamento Automático de Alimentação (5410), em específico o esquema conhecido por TN.
( ) A equipotencialização via condutores de proteção, deve ser única e geral, envolvendo todas as massas da instalação, e deve ser interligada com o ponto da alimentação aterrado, geralmente o ponto neutro.
( ) Recomenda-se o aterramento dos condutores de proteção em tantos pontos quanto possível. Em construções de porte, tais como edifícios de grande altura, a realização de equipotencializações locais, entre condutores de proteção e elementos condutivos da edificação, cumpre o papel de aterramento múltiplo do condutor de proteção.
( ) O uso de um mesmo e único condutor para as funções de condutor de proteção e de condutor neutro (condutor PEN) está sujeito ao tipo de solo de aterramento, uma vez que nem sempre se consegue uma resistência de solo inferior a 0,05 Ω.
Provas
Questão presente nas seguintes provas
O Contrato Organizativo da Ação Pública da Saúde é previsto no decreto presidencial 7508/12. Acerca desse contrato, assinale a alternativa incorreta:
Provas
Questão presente nas seguintes provas
Sobre o sistema SISAIH - Sistema Gerador do Movimento das Unidades Hospitalares, assinale a alternativa incorreta:
Provas
Questão presente nas seguintes provas
Analise as representações abaixo e assinale a alternativa que contempla aquelas que são permitidas no Conselho de Saúde.
I. Poder Judiciário.
II. Poder Legislativo.
III. Poder Executivo.
II. Poder Legislativo.
III. Poder Executivo.
Provas
Questão presente nas seguintes provas
Promoção da saúde foi um dos eixos do Pacto pela Vida, componente do pacto pela Saúde (2006), um dos marcos da construção do SUS. Analise os objetivos desse eixo abaixo e assinale o incorreto.
Provas
Questão presente nas seguintes provas
O Regimento Interno da EBSERH - Empresa Brasileira de Serviços Hospitalares – determina as competências da Corregedoria-Geral. No que diz respeito a essas atribuições, analise as afirmativas abaixo, dê valores Verdadeiro (V) ou Falso (F).
( ) Determinar, quando comprovada a necessidade, a realização de inspeções preventivas e a requisição de perícias e laudos periciais
( ) Coordenar, orientar, controlar e avaliar as atividades de correição no âmbito da Sede, filiais e unidades descentralizadas, inclusive no que se refere às ações preventivas, objetivando a melhoria do padrão de qualidade no processo de gestão e, como consequência, na prestação de serviços à sociedade
( ) Estudar e propor a revisão de normas e procedimentos administrativos, quando constatadas fragilidades nas metodologias de fiscalização que poderiam possibilitar eventuais riscos e desvios de conduta funcional e irregularidades
( ) Receber denúncias envolvendo desvio de conduta de empregados, lesão ou ameaça de lesão ao patrimônio público e adotar os procedimentos correcionais cabíveis, dando ciência das medidas adotadas aos agentes que as formularam.
Assinale a alternativa que apresenta a sequência correta de cima para baixo.
Provas
Questão presente nas seguintes provas
Cadernos
Caderno Container