Foram encontradas 524 questões.
Um gerador e transformador, mostrados na figura a seguir, estão para ser combinados em uma única reatância equivalente em uma base de 100 MVA, 110 kV. Com o banco transformador operando em seu tap de 3,9 kV, a tensão de base do lado de baixa correspondente à base de 110 kV do lado de alta é, aproximadamente, igual a

Provas
Questão presente nas seguintes provas
Durante o tratamento térmico de aços, as trincas são as falhas mais graves no processo. Dentre as principais razões de causa das trincas, podemos citar projeto das peças, tipos de aços, defeitos das próprias peças sob tratamento, a prática do tratamento térmico e a prática do revenido. Sobre o assunto, informe se é verdadeiro (V) ou falso (F) o que se afirma a seguir e assinale a alternativa com a sequencia correta.
( ) Quanto ao projeto, as causas que podem provocar estes defeitos podem ser cantos vivos, o número, tamanho e localização de orifícios, rasgos de chavetas profundos.
( ) Temperaturas muito elevadas de austenitização podem causar trincas.
( ) Aquecimentos fora do estabelecido podem ocasionar excessivo crescimento dos grãos.
( ) Temperaturas abaixo do estabelecido, na cementação, levam à camadas mais espessas que propiciam as trincas.
( ) quando as temperaturas forem inferiores ao estabelecido a austenitização pode ser incompleta e as estruturas finais diferentes das previstas.
Provas
Questão presente nas seguintes provas
Uma epidemia silenciosa
No Brasil, estima-se que 25 pessoas cometam suicídio por
dia e a tendência é de crescimento entre jovens
No Brasil, estima-se que 25 pessoas cometam suicídio por
dia e a tendência é de crescimento entre jovens
Mônica Tarantino
A morte do músico Champignon (Luiz Carlos Leão Duarte Junior, 35), ex-baixista da banda Charlie Brown Jr, registrada pela polícia como suicídio, abriu espaço para o tema nas primeiras páginas dos jornais, no noticiário da tevê, nas redes sociais.
O interesse no caso de Champignon, entretanto, está muito aquém da mobilização e das providências urgentes que o tema suscita. Suicídio é um problema de saúde pública a ser encarado como tal.
No Brasil, estima-se que 25 pessoas cometam suicídio por dia. Segundo a Organização Mundial de Saúde, a tendência é de crescimento dessas mortes entre os jovens, especialmente nos países em desenvolvimento. Nos últimos vinte anos, o suicídio cresceu 30% entre os brasileiros com idades de 15 a 29 anos, tornando-se a terceira principal causa de morte de pessoas em plena vida produtiva no País (acidentes e homicídios precedem). No mundo, cerca de um milhão de pessoas morrem anualmente por essa causa. A OMS estima que haverá 1,5 milhão de vidas perdidas por suicídio em 2020, representando 2,4% de todas as mortes.
Em muitos países, programas de prevenção do suicídio passaram a fazer parte das políticas de saúde pública. Na Inglaterra, o número de mortes por suicídio está caindo em consequência de um amplo programa de tratamento de depressão. Ações semelhantes protegem vidas nos Estados Unidos. Um dos focos desses programas é diagnosticar precocemente doenças mentais. De acordo com uma recente revisão de 31 artigos científicos sobre suicídio, mais de 90% das pessoas que se mataram tinham algum transtorno mental como depressão, esquizofrenia, transtorno bipolar e dependência de álcool ou outras drogas.
No Brasil, porém, persiste a falta de políticas públicas para prevenção do suicídio, com o agravo da passagem do tempo e do aumento populacional. Em 2006, o governo formou um grupo de estudos para traçar as diretrizes de um plano nacional de prevenção do suicídio, prometido para este ano. O que temos até então é um manual destinado a profissionais da saúde. O nome do documento é Prevenção do Suicídio - Manual dirigido a profissionais das equipes de saúde mental.
Reduzir o suicídio é um desafio coletivo que precisa ser colocado em debate. “Nossa resposta não pode ser o silêncio. Nossas chances de chegar às pessoas que precisam de ajuda dependem da visibilidade”, disse-me o psiquiatra Humberto Corrêa para um artigo sobre suicídio publicado pela corajosa revista Planeta (Suicídio aumenta no Brasil, mas isso poderia ser evitado, edição 421, Outubro de 2007). “Uma das nossas tarefas é convencer donas de casa, pais, educadores, jornalistas, publicitários, líderes comunitários e formadores de opinião de que o debate sobre o suicídio não é uma questão moral ou religiosa, mas um assunto de saúde pública e que pode ser prevenido.
Aceitar essa ideia é o primeiro passo para poupar milhares de vidas”, alertava o especialista.
Penso nos casos ocorridos no meu círculo de relações e de que nunca esqueci. No primeiro ano da escola de jornalismo, um colega de sala, Zé Luiz, se matou bebendo querosene. Tinha 18 anos, era inteligente, crítico, um tanto irônico. Há alguns anos, o filho adolescente de um amigo pulou pela janela, deixando-o perplexo por nunca ter visto qualquer sinal de que isso poderia acontecer. Também se matou, aos 20 anos, a filha de uma jornalista e socióloga com quem trabalhei. A história virou filme pelas mãos de sua irmã Petra Costa. Lançado em 2012, “Elena” é um mergulho profundo nas memórias, sentimentos e questionamentos, enfim, em toda complexidade e perpetuidade do suicídio de uma pessoa amada. Mais recentemente, me admiro com a coragem de uma amiga próxima em busca do equilíbrio após o suicídio inesperado do companheiro. Sim, prevenir o suicídio é um assunto que interessa. Danem-se os tabus.
http://www.istoe.com.br/colunas-e-blogs/coluna/324253_UMA+EPIDEMIA+ SILENCIOSA. (Adaptado)
Em “Há alguns anos, o filho adolescente de um amigo pulou pela janela...”, a expressão destacada funciona sintaticamente como
Provas
Questão presente nas seguintes provas
Uma epidemia silenciosa
No Brasil, estima-se que 25 pessoas cometam suicídio por
dia e a tendência é de crescimento entre jovens
No Brasil, estima-se que 25 pessoas cometam suicídio por
dia e a tendência é de crescimento entre jovens
Mônica Tarantino
A morte do músico Champignon (Luiz Carlos Leão Duarte Junior, 35), ex-baixista da banda Charlie Brown Jr, registrada pela polícia como suicídio, abriu espaço para o tema nas primeiras páginas dos jornais, no noticiário da tevê, nas redes sociais.
O interesse no caso de Champignon, entretanto, está muito aquém da mobilização e das providências urgentes que o tema suscita. Suicídio é um problema de saúde pública a ser encarado como tal.
No Brasil, estima-se que 25 pessoas cometam suicídio por dia. Segundo a Organização Mundial de Saúde, a tendência é de crescimento dessas mortes entre os jovens, especialmente nos países em desenvolvimento. Nos últimos vinte anos, o suicídio cresceu 30% entre os brasileiros com idades de 15 a 29 anos, tornando-se a terceira principal causa de morte de pessoas em plena vida produtiva no País (acidentes e homicídios precedem). No mundo, cerca de um milhão de pessoas morrem anualmente por essa causa. A OMS estima que haverá 1,5 milhão de vidas perdidas por suicídio em 2020, representando 2,4% de todas as mortes.
Em muitos países, programas de prevenção do suicídio passaram a fazer parte das políticas de saúde pública. Na Inglaterra, o número de mortes por suicídio está caindo em consequência de um amplo programa de tratamento de depressão. Ações semelhantes protegem vidas nos Estados Unidos. Um dos focos desses programas é diagnosticar precocemente doenças mentais. De acordo com uma recente revisão de 31 artigos científicos sobre suicídio, mais de 90% das pessoas que se mataram tinham algum transtorno mental(A) como depressão, esquizofrenia, transtorno bipolar e dependência de álcool ou outras drogas.
No Brasil, porém, persiste a falta de políticas públicas para prevenção do suicídio, com o agravo da passagem do tempo e do aumento populacional. Em 2006, o governo formou um grupo de estudos para traçar as diretrizes de um plano nacional de prevenção do suicídio, prometido para este ano(E). O que temos até então é um manual destinado a profissionais da saúde. O nome do documento é Prevenção do Suicídio - Manual dirigido a profissionais das equipes de saúde mental.
Reduzir o suicídio é um desafio coletivo que precisa ser colocado em debate. “Nossa resposta não pode ser o silêncio. Nossas chances de chegar às pessoas que precisam de ajuda dependem da visibilidade”, disse-me o psiquiatra Humberto Corrêa para um artigo sobre suicídio publicado pela corajosa revista Planeta (Suicídio aumenta no Brasil, mas isso poderia ser evitado(C), edição 421, Outubro de 2007). “Uma das nossas tarefas é convencer donas de casa, pais, educadores, jornalistas, publicitários, líderes comunitários e formadores de opinião de que o debate sobre o suicídio não é uma questão moral ou religiosa, mas um assunto de saúde pública e que pode ser prevenido.
Aceitar essa ideia é o primeiro passo (B) para poupar milhares de vidas”, alertava o especialista.
Penso nos casos ocorridos no meu círculo de relações(C) e de que nunca esqueci. No primeiro ano da escola de jornalismo, um colega de sala, Zé Luiz, se matou bebendo querosene. Tinha 18 anos, era inteligente, crítico, um tanto irônico. Há alguns anos, o filho adolescente de um amigo pulou pela janela, deixando-o perplexo por nunca ter visto qualquer sinal de que isso poderia acontecer. Também se matou, aos 20 anos, a filha de uma jornalista e socióloga com quem trabalhei. A história virou filme pelas mãos de sua irmã Petra Costa. Lançado em 2012, “Elena” é um mergulho profundo nas memórias, sentimentos e questionamentos, enfim, em toda complexidade e perpetuidade do suicídio de uma pessoa amada. Mais recentemente, me admiro com a coragem de uma amiga próxima em busca do equilíbrio após o suicídio inesperado do companheiro. Sim, prevenir o suicídio é um assunto que interessa. Danem-se os tabus.
http://www.istoe.com.br/colunas-e-blogs/coluna/324253_UMA+EPIDEMIA+ SILENCIOSA. (Adaptado)
A alternativa em que há o emprego de pronome indefinido é
Provas
Questão presente nas seguintes provas
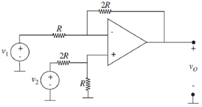
Assumindo que o amplificador operacional da figura a seguir tenha características ideais, bem como que não haja saturação do mesmo, o valor do ganho !$ { \large v_0 \over v_1} !$, sendo !$ v_2 = 0 !$, é igual a

Provas
Questão presente nas seguintes provas
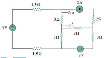
Para o circuito da figura a seguir, a tensão de Thevenin, VTh,, entre os pontos a e b é, aproximadamente, igual a:

Provas
Questão presente nas seguintes provas
Para localizar um determinado ponto no espaço na projeção cilíndrica ortogonal são necessárias duas projeções ortogonais. Os planos ortogonais de projeções determinam quatro porções iguais denominadas diedros. No desenho técnico, as representações gráficas obtidas pela projeção ortogonal do objeto nos planos de projeção corresponderão às três vistas principais. Assinale a alternativa correta avaliando uma figura plana no primeiro diedro cuja representação no plano vertical apresenta-se no plano π’, a representação no plano horizontal apresenta-se no plano π e a representação no plano de perfil apresenta-se no plano π”.
Provas
Questão presente nas seguintes provas
A respeito dos principais cuidados a tomar durante a montagem dos acoplamentos, informe se é verdadeiro (V) ou falso (F) o que se afirma a seguir e assinale a alternativa com a sequência correta.
( ) Obrigatoriamente qualquer tipo de flange deve ser montado a quente; além disto deve-se evitar a colocação dos flanges por meio de golpes.
( ) É necessário fazer a verificação da folga entre flanges e do alinhamento e concentricidade do flange com a árvore.
( ) O alinhamento das árvores deve ser o melhor possível mesmo que sejam usados acoplamentos elásticos, pois durante o serviço ocorrerão os desalinhamentos a serem compensados.
( ) Para uma boa montagem certificar-se de que todos os elementos de ligação estejam bem instalados somente depois de aplicar a carga.
( ) Acoplamentos elásticos tornam mais suave a transmissão do movimento em árvores que tenham movimentos bruscos, e permitem o funcionamento do conjunto com desalinhamento paralelo, angular e axial entre as árvores, e por isso sua montagem pode ser aleatória.
Provas
Questão presente nas seguintes provas
Na representação unifilar de uma instalação elétrica residencial, conforme ilustrado na figura a seguir, é INCORRETO afirmar que

Provas
Questão presente nas seguintes provas
Normalmente, em sistemas trifásicos, são empregados três transformadores monofásicos distintos e iguais entre si para formarem bancos trifásicos equilibrados. Nesse contexto, caso se opte pela ligação Δ / Y, a potência aparente e as tensões de linha no lado primário (rede) e no lado secundário (carga trifásica equilibrada) de cada um dos transformadores monofásicos serão dadas, respectivamente, por
Provas
Questão presente nas seguintes provas
Cadernos
Caderno Container