Foram encontradas 524 questões.
Informe se é verdadeiro (V) ou falso (F) o que se afirma a seguir e assinale a alternativa com a sequência correta.
( ) A maioria dos metais, quando puros, é macia e fácil de deformar.
( ) Os metais podem ser fortalecidos por adição de elementos de liga e por tratamentos termomecânicos, e isto não permite que sejam conformados.
( ) As cerâmicas são materiais frágeis e apresentam uma ampla dispersão para a resistência, e a resistência em si depende do volume de material sob carga e do tempo de aplicação da carga.
( ) Polímeros sofrem fluência, mesmo em temperatura ambiente.
( ) As propriedades de um polímero independem da temperatura e por isso é tenaz.
Provas
Questão presente nas seguintes provas
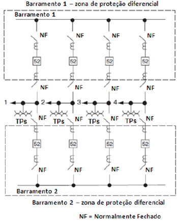
No que diz respeito aos arranjos de barramentos típicos, é correto afirmar que o arranjo da figura a seguir se refere ao

Provas
Questão presente nas seguintes provas
Uma epidemia silenciosa
No Brasil, estima-se que 25 pessoas cometam suicídio por
dia e a tendência é de crescimento entre jovens
No Brasil, estima-se que 25 pessoas cometam suicídio por
dia e a tendência é de crescimento entre jovens
Mônica Tarantino
A morte do músico Champignon (Luiz Carlos Leão Duarte Junior, 35), ex-baixista da banda Charlie Brown Jr, registrada pela polícia como suicídio, abriu espaço para o tema nas primeiras páginas dos jornais, no noticiário da tevê, nas redes sociais.
O interesse no caso de Champignon, entretanto, está muito aquém da mobilização e das providências urgentes que o tema suscita. Suicídio é um problema de saúde pública a ser encarado como tal.
No Brasil, estima-se que 25 pessoas(B) cometam suicídio por dia. Segundo a Organização Mundial de Saúde, a tendência é de crescimento dessas mortes entre os jovens, especialmente nos países em desenvolvimento. Nos últimos vinte anos, o suicídio cresceu 30% entre os brasileiros com idades de 15 a 29 anos, tornando-se a terceira principal causa de morte de pessoas em plena vida produtiva no País (acidentes e homicídios precedem). No mundo, cerca de um milhão de pessoas morrem anualmente por essa causa. A OMS estima que haverá 1,5 milhão de vidas perdidas por suicídio em 2020, representando 2,4% de todas as mortes.
Em muitos países, programas de prevenção do suicídio passaram a fazer parte das políticas de saúde pública. Na Inglaterra, o número de mortes por suicídio está caindo em consequência de um amplo programa de tratamento de depressão. Ações semelhantes protegem vidas nos Estados Unidos. Um dos focos desses programas é diagnosticar precocemente doenças mentais. De acordo com uma recente revisão de 31 artigos científicos sobre suicídio, mais de 90% das pessoas que se mataram(D) tinham algum transtorno mental como depressão, esquizofrenia, transtorno bipolar e dependência de álcool ou outras drogas.
No Brasil, porém, persiste a falta de políticas públicas para prevenção do suicídio, com o agravo da passagem do tempo e do aumento populacional. Em 2006, o governo formou um grupo de estudos para traçar as diretrizes de um plano nacional de prevenção do suicídio, prometido para este ano. O que temos até então é um manual destinado a profissionais da saúde. O nome do documento é Prevenção do Suicídio - Manual dirigido a profissionais das equipes de saúde mental.
Reduzir o suicídio é um desafio coletivo que precisa ser colocado em debate. “Nossa resposta não pode ser o silêncio. Nossas chances de chegar às pessoas que precisam de ajuda dependem da visibilidade”, disse-me o psiquiatra(C) Humberto Corrêa para um artigo sobre suicídio publicado pela corajosa revista Planeta (Suicídio aumenta no Brasil, mas isso poderia ser evitado, edição 421, Outubro de 2007). “Uma das nossas tarefas é convencer donas de casa, pais, educadores, jornalistas, publicitários, líderes comunitários e formadores de opinião de que o debate sobre o suicídio não é uma questão moral ou religiosa, mas um assunto de saúde pública e que pode ser prevenido.
Aceitar essa ideia é o primeiro passo para poupar milhares de vidas”, alertava o especialista.
Penso nos casos ocorridos no meu círculo de relações e de que nunca esqueci. No primeiro ano da escola de jornalismo, um colega de sala, Zé Luiz, se matou bebendo querosene. Tinha 18 anos, era inteligente, crítico, um tanto irônico. Há alguns anos, o filho adolescente de um amigo pulou pela janela, deixando-o perplexo por nunca ter visto qualquer sinal de que isso poderia acontecer. Também se matou, aos 20 anos, a filha de uma jornalista e socióloga com quem trabalhei. A história virou filme pelas mãos de sua irmã Petra Costa. Lançado em 2012, “Elena” é um mergulho profundo nas memórias, sentimentos e questionamentos, enfim, em toda complexidade e perpetuidade do suicídio de uma pessoa amada. Mais recentemente, me admiro(A) com a coragem de uma amiga próxima em busca do equilíbrio após o suicídio inesperado do companheiro. Sim, prevenir o suicídio é um assunto que interessa. Danem-se os tabus(E).
http://www.istoe.com.br/colunas-e-blogs/coluna/324253_UMA+EPIDEMIA+ SILENCIOSA. (Adaptado)
Assinale a alternativa cuja colocação pronominal NÃO está de acordo com a norma padrão.
Provas
Questão presente nas seguintes provas
Conforme a ABNT NBR 12176: 1999, a identificação da cor do cilindro do óxido nitroso por inteiro é
Provas
Questão presente nas seguintes provas
Uma epidemia silenciosa
No Brasil, estima-se que 25 pessoas cometam suicídio por
dia e a tendência é de crescimento entre jovens
No Brasil, estima-se que 25 pessoas cometam suicídio por
dia e a tendência é de crescimento entre jovens
Mônica Tarantino
A morte do músico Champignon (Luiz Carlos Leão Duarte Junior, 35), ex-baixista da banda Charlie Brown Jr, registrada pela polícia como suicídio, abriu espaço para o tema nas primeiras páginas dos jornais, no noticiário da tevê, nas redes sociais.
O interesse no caso de Champignon, entretanto, está muito aquém da mobilização e das providências urgentes que o tema suscita. Suicídio é um problema de saúde pública a ser encarado como tal.
No Brasil, estima-se que 25 pessoas cometam suicídio por dia. Segundo a Organização Mundial de Saúde, a tendência é de crescimento dessas mortes entre os jovens, especialmente nos países em desenvolvimento. Nos últimos vinte anos, o suicídio cresceu 30% entre os brasileiros com idades de 15 a 29 anos, tornando-se a terceira principal causa de morte de pessoas em plena vida produtiva no País (acidentes e homicídios precedem). No mundo, cerca de um milhão de pessoas morrem anualmente por essa causa. A OMS estima que haverá 1,5 milhão de vidas perdidas por suicídio em 2020, representando 2,4% de todas as mortes.
Em muitos países, programas de prevenção do suicídio passaram a fazer parte das políticas de saúde pública. Na Inglaterra, o número de mortes por suicídio está caindo em consequência de um amplo programa de tratamento de depressão. Ações semelhantes protegem vidas nos Estados Unidos. Um dos focos desses programas é diagnosticar precocemente doenças mentais. De acordo com uma recente revisão de 31 artigos científicos sobre suicídio, mais de 90% das pessoas que se mataram tinham algum transtorno mental como depressão, esquizofrenia, transtorno bipolar e dependência de álcool ou outras drogas.
No Brasil, porém, persiste a falta de políticas públicas para prevenção do suicídio, com o agravo da passagem do tempo e do aumento populacional. Em 2006, o governo formou um grupo de estudos para traçar as diretrizes de um plano nacional de prevenção do suicídio, prometido para este ano. O que temos até então é um manual destinado a profissionais da saúde. O nome do documento é Prevenção do Suicídio - Manual dirigido a profissionais das equipes de saúde mental.
Reduzir o suicídio é um desafio coletivo que precisa ser colocado em debate. “Nossa resposta não pode ser o silêncio. Nossas chances de chegar às pessoas que precisam de ajuda dependem da visibilidade”, disse-me o psiquiatra Humberto Corrêa para um artigo sobre suicídio publicado pela corajosa revista Planeta (Suicídio aumenta no Brasil, mas isso poderia ser evitado, edição 421, Outubro de 2007). “Uma das nossas tarefas é convencer donas de casa, pais, educadores, jornalistas, publicitários, líderes comunitários e formadores de opinião de que o debate sobre o suicídio não é uma questão moral ou religiosa, mas um assunto de saúde pública e que pode ser prevenido.
Aceitar essa ideia é o primeiro passo para poupar milhares de vidas”, alertava o especialista.
Penso nos casos ocorridos no meu círculo de relações e de que nunca esqueci. No primeiro ano da escola de jornalismo, um colega de sala, Zé Luiz, se matou bebendo querosene. Tinha 18 anos, era inteligente, crítico, um tanto irônico. Há alguns anos, o filho adolescente de um amigo pulou pela janela, deixando-o perplexo por nunca ter visto qualquer sinal de que isso poderia acontecer. Também se matou, aos 20 anos, a filha de uma jornalista e socióloga com quem trabalhei. A história virou filme pelas mãos de sua irmã Petra Costa. Lançado em 2012, “Elena” é um mergulho profundo nas memórias, sentimentos e questionamentos, enfim, em toda complexidade e perpetuidade do suicídio de uma pessoa amada. Mais recentemente, me admiro com a coragem de uma amiga próxima em busca do equilíbrio após o suicídio inesperado do companheiro. Sim, prevenir o suicídio é um assunto que interessa. Danem-se os tabus.
http://www.istoe.com.br/colunas-e-blogs/coluna/324253_UMA+EPIDEMIA+ SILENCIOSA. (Adaptado)
“No primeiro ano da escola de jornalismo, um colega de sala, Zé Luiz, se matou bebendo querosene.”
A oração destacada expressa relação semântica de
Provas
Questão presente nas seguintes provas
Segundo a norma NBR 5419-2001, há a necessidade de proteção utilizando o SPDA nos seguintes casos, EXCETO
Provas
Questão presente nas seguintes provas
De acordo com a NBR6158 pela inevitável imprecisão dos processos de fabricação, uma peça, rigorosamente, não pode ser executada a uma dimensão fixa, mas, para que ela cumpra a sua função, é suficiente que ela esteja entre dois limites admissíveis, e a diferença entre eles constitui a tolerância. Se dados dois acoplamentos para montagens distintas, um denominado 22E6/k5 para este o Furo apresenta-se com grau de tolerância padrão IT6=0,013mm, afastamento inferior 0,040mm e afastamento superior 0,053mm e Eixo com grau de tolerância padrão IT5=0,009mm, afastamento inferior 0,002mm e afastamento superior 0,011mm e outro denominado 850H8/g7 com dimensão nominal D=d= 850mm apresentando Furo com grau de tolerância padrão IT8=0,140mm, afastamento inferior 0,000mm e afastamento superior 0,140mm e Eixo com grau de tolerância padrão IT7=0,090mm, afastamento inferior - 0,116mm e afastamento superior -0,026mm, o ajuste com folga máxima e mínima de cada um em mm, respectivamente é
Provas
Questão presente nas seguintes provas
Uma epidemia silenciosa
No Brasil, estima-se que 25 pessoas cometam suicídio por
dia e a tendência é de crescimento entre jovens
No Brasil, estima-se que 25 pessoas cometam suicídio por
dia e a tendência é de crescimento entre jovens
Mônica Tarantino
A morte do músico Champignon (Luiz Carlos Leão Duarte Junior, 35), ex-baixista da banda Charlie Brown Jr, registrada pela polícia como suicídio, abriu espaço para o tema nas primeiras páginas dos jornais, no noticiário da tevê, nas redes sociais.
O interesse no caso de Champignon, entretanto, está muito aquém da mobilização(A) e (B) e das providências urgentes que o tema suscita. Suicídio é um problema de saúde pública a ser encarado como tal(D).
No Brasil, estima-se que 25 pessoas cometam suicídio por dia. Segundo a Organização Mundial de Saúde, a tendência é de crescimento dessas mortes entre os jovens, especialmente nos países em desenvolvimento. Nos últimos vinte anos, o suicídio cresceu 30%(E) entre os brasileiros com idades de 15 a 29 anos, tornando-se a terceira principal causa de morte de pessoas em plena vida produtiva no País (acidentes e homicídios precedem). No mundo, cerca de um milhão de pessoas morrem anualmente por essa causa. A OMS estima que haverá 1,5 milhão de vidas perdidas por suicídio em 2020, representando 2,4% de todas as mortes.
Em muitos países, programas de prevenção(C) do suicídio passaram a fazer parte das políticas de saúde pública. Na Inglaterra, o número de mortes por suicídio está caindo em consequência de um amplo programa de tratamento de depressão. Ações semelhantes protegem vidas nos Estados Unidos. Um dos focos desses programas é diagnosticar precocemente doenças mentais. De acordo com uma recente revisão de 31 artigos científicos sobre suicídio, mais de 90% das pessoas que se mataram tinham algum transtorno mental como depressão, esquizofrenia, transtorno bipolar e dependência de álcool ou outras drogas.
No Brasil, porém, persiste a falta de políticas públicas para prevenção do suicídio, com o agravo da passagem do tempo e do aumento populacional. Em 2006, o governo formou um grupo de estudos para traçar as diretrizes de um plano nacional de prevenção do suicídio, prometido para este ano. O que temos até então é um manual destinado a profissionais da saúde. O nome do documento é Prevenção do Suicídio - Manual dirigido a profissionais das equipes de saúde mental.
Reduzir o suicídio é um desafio coletivo que precisa ser colocado em debate. “Nossa resposta não pode ser o silêncio. Nossas chances de chegar às pessoas que precisam de ajuda dependem da visibilidade”, disse-me o psiquiatra Humberto Corrêa para um artigo sobre suicídio publicado pela corajosa revista Planeta (Suicídio aumenta no Brasil, mas isso poderia ser evitado, edição 421, Outubro de 2007). “Uma das nossas tarefas é convencer donas de casa, pais, educadores, jornalistas, publicitários, líderes comunitários e formadores de opinião de que o debate sobre o suicídio não é uma questão moral ou religiosa, mas um assunto de saúde pública e que pode ser prevenido.
Aceitar essa ideia é o primeiro passo para poupar milhares de vidas”, alertava o especialista.
Penso nos casos ocorridos no meu círculo de relações e de que nunca esqueci. No primeiro ano da escola de jornalismo, um colega de sala, Zé Luiz, se matou bebendo querosene. Tinha 18 anos, era inteligente, crítico, um tanto irônico. Há alguns anos, o filho adolescente de um amigo pulou pela janela, deixando-o perplexo por nunca ter visto qualquer sinal de que isso poderia acontecer. Também se matou, aos 20 anos, a filha de uma jornalista e socióloga com quem trabalhei. A história virou filme pelas mãos de sua irmã Petra Costa. Lançado em 2012, “Elena” é um mergulho profundo nas memórias, sentimentos e questionamentos, enfim, em toda complexidade e perpetuidade do suicídio de uma pessoa amada. Mais recentemente, me admiro com a coragem de uma amiga próxima em busca do equilíbrio após o suicídio inesperado do companheiro. Sim, prevenir o suicídio é um assunto que interessa. Danem-se os tabus.
http://www.istoe.com.br/colunas-e-blogs/coluna/324253_UMA+EPIDEMIA+ SILENCIOSA. (Adaptado)
Assinale a alternativa cuja expressão destacada NÃO funciona como adjunto adverbial.
Provas
Questão presente nas seguintes provas
A tabela a seguir (extraída da Carta de Conjuntura do IPEA, de Junho de 2013) apresenta o comportamento das receitas primárias federais. De acordo com a tabela, é possível inferir, EXCETO
Taxas de crescimento reais (deflacionadas pelo IPCA) de componentes selecionados das receitas primárias federais em relação ao mesmo trimestre do ano anterior.
| Período |
Receita primária
federal total
|
Salários (IRRF' trabalho + salário
educação +
previdência)
|
Lucros
(CSLL2+IRPJ3)
|
Produção
(Cofins4 + PIS5/PASEP6+ IPI7)
|
Importação |
Operações
financeiras
(CPMF8 + IOF9)
|
Dividendos, concessões,
FSB e Petrobras
|
Outras |
|
2011/1
2011/2
2011/3
2011/4
2012/1
2012/2
2012/3
2012/4
2013/1
Memo: 2012/11
|
12,69
13,47
-3,07
2,92
7,55
-0,99
-1,90
6,89
-2,30
2,91%
|
11,16
9,33
8,51
6,53
7,32
7,18
4,71
4,40
0,85
5,81%
|
19,87
12,26
21,78
-2,10
13,49
-6,84
-19,48
-0,11
-1,00
-2,68%
|
13,63
7,80
8,99
-6,64
0,96
4,07
1,17
3,62
2,11
2,46%
|
21,71
17,31
14,35
21,66
11,24
16,84
10,66
4,50
11,23
10,48%
|
7,11
21,53
18,90
2,24
15,04
-7,80
-18,25
-16,00
-17,61
-7,91%
|
-6,17
32,91
-83,29
-27,91
46,04
-61,61
61,20
330,52
-81,09
67,70%
|
7,79
23,85
21,60
18,90
5,50
-5,83
-12,06
-6,42
-6,58
-4,88%
|
Provas
Questão presente nas seguintes provas
Carregamento cíclico pode fazer com que uma trinca se nucleie e cresça em um material, culminando em falha por fadiga. Para metais, a função escoamento de Von Misses é representada por: (σ1 – σ2)2 + (σ2 – σ3)2 + (σ3 – σ1)2 = 2 σf2.
As tensões são positivas quando de tração sendo que σ1 é a maior e σ3 a menor. A máxima tensão superficial em uma viga flexionada no instante da fratura denomina-se σf igual a σy . Desta forma, se um tubo de metal de raio r e espessura de parede t suportar uma pressão interna p, e se esta gerar uma tensão circunferencial na parede igual a σ1=pr/t e uma tensão axial na parede (σ2) igual a metade de σ1, assinale a alternativa correta do valor da pressão p’ quando o tubo começar a escoar.
Provas
Questão presente nas seguintes provas
Cadernos
Caderno Container