Foram encontradas 1.493 questões.

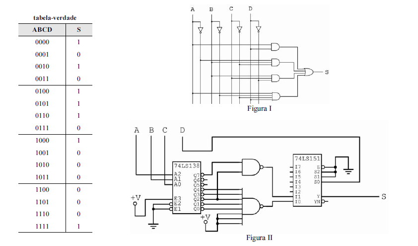
O circuito da figura II acima tem as características a seguir.
< O circuito integrado 74LS138 é um decodificador: A2, A1 e A0 são entradas e Q7, Q6, Q5, Q4, Q3, Q2, Q1 e Q0 são saídas, listadas aqui em ordem de significância, do mais significativo para o menos significativo — essas saídas são ativas em nível baixo, conforme indicado no diagrama.
< O circuito integrado 74LS151 é um multiplexador: S2, S1 e S0 são as entradas de seleção e I7, I6, I5, I4, I3, I2, I1 e I0 são as entradas de dados, listadas aqui em ordem de significância, do mais significativo para o menos significativo; Y é a saída do multiplexador — YN é a saída invertida.
< As entradas E3, E2 e E1 do decodificador e a entrada E do multiplexador são terminais de habilitação; E3 é ativa em nível alto (+V), enquanto E2, E1 e E são ativas em nível baixo (terra), conforme indicado no diagrama.
A partir dessas informações e considerando a tabela-verdade e os circuitos mostrados nas figuras I e II, julgue os itens que se seguem.
Provas
Considere que as retas r e s sejam paralelas e que a distância entre elas é de 2 cm; que, na reta r, sejam marcados 4 pontos, de forma que a distância de qualquer um deles ao mais próximo seja de 5 cm; que, na reta s, sejam marcados 5 pontos, de forma que a distância de qualquer um deles ao mais próximo seja de 3 cm. Com base nessas informações e considerando, ainda, as áreas dos triângulos de vértices nos pontos marcados nas retas r e s, é correto afirmar que
a maior área é igual a 15 cm2.
Provas
Entre os 6 analistas de uma empresa, 3 serão escolhidos para formar uma equipe que elaborará um projeto de melhoria da qualidade de vida para os empregados da empresa. Desses 6 analistas, 2 desenvolvem atividades na área de ciências sociais e os demais, na área de assistência social.
Julgue os itens que se seguem, relativos à composição da equipe acima mencionada.
Se os 2 analistas que desenvolvem atividades na área de ciências sociais fizerem parte da equipe, então a quantidade de maneiras distintas de se compor essa equipe será superior a 6.
Provas

Nessa situação hipotética, a probabilidade de
os dois candidatos serem contratados é igual a ![]()
Provas

Sabendo que, em cada um desses 4 dias, dos presentes, 1 era analista de contabilidade e 3, de arquivologia; que cada um dos analistas de contabilidade esteve presente em apenas 2 dias; e que Fernando é analista de arquivologia, julgue os itens seguintes.
Hélio é analista de contabilidade.
Provas

Sabendo que, em cada um desses 4 dias, dos presentes, 1 era analista de contabilidade e 3, de arquivologia; que cada um dos analistas de contabilidade esteve presente em apenas 2 dias; e que Fernando é analista de arquivologia, julgue os itens seguintes.
Todas as mulheres são analistas de arquivologia.
Provas

Em relação às ideias e estruturas linguísticas do texto acima, julgue os itens que se seguem.
Prejudicam-se a correção gramatical e o sentido original do período ao se substituir o pronome “aquela” (l.7) por a.
Provas
Com relação aos requisitos dos transmissores e estações de transmissão de TV analógica, julgue os itens de 114 a 120.
Estações que possuam transmissores redundantes ou instalados em paralelo não estarão obrigadas a dispor de transmissor auxiliar.
Provas
Acerca de aparelhos eletrônicos de controle e medição, julgue os itens a seguir.
O uso do equipamento potenciômetro, acoplado à saída do transmissor, permite a medida da potência de operação do transmissor pelo método direto.
Provas
Com relação ao sistema brasileiro de TV digital (SBTVD), julgue os itens subsecutivos.
As medidas da máscara do espectro de um transmissor digital são necessárias para garantir que não haja transmissão de sinal fora do canal.
Provas
Caderno Container