Foram encontradas 550 questões.
O ensaio de tração é, possivelmente, o ensaio destrutivo mais usado pelas indústrias na qualificação dos materiais. Observe os gráficos tensão x deformação para dois diferentes materiais. A partir da observação, assinale a afirmativa correta.
Provas
No diagrama transformação-tempo-temperatura esquemático abaixo, típico de um aço 1080, estão representadas as curvas de resfriamento para diferentes tratamentos térmicos (curvas T1, T2, T3, T4 e T5). Cada um desses tratamentos produz uma microestrutura típica.

O tratamento que levaria esse aço ser totalmente martensítico é o relativo à curva
Provas
A conformação mecânica compreende diferentes operações de largo uso industrial, em que se pode destacar: a laminação; o forjamento; a trefilação; a extrusão; a conformação de chapas, entre outras, e podem ser feitas a quente, a frio ou mesmo a morno. Neste contexto, assinale a afimativa INCORRETA.
Provas
Observe a porção do diagrama de equilíbrio de fases ferro-carbono esquemático mostrada na figura abaixo. Trata-se da parte do sistema Ferro – Carbono relativo aos aços onde ocorrem as principais reações no estado sólido, dentre as quais se observa a transformação eutética.

As fases que se encontram em equilíbrio nas regiões 1, 2, 3 e 4 são, respectivamente,
Provas
Disciplina: TI - Organização e Arquitetura dos Computadores
Banca: CESGRANRIO
Orgão: DECEA
A figura abaixo mostra a arquitetura de um computador com processador dual core.

A respeito desta arquitetura, é INCORRETO afirmar que
Provas
- Gerenciamento de MemóriaAlgoritmos de Substituição de Páginas
- Gerenciamento de MemóriaFalha de Página (Page Fault)
- Gerenciamento de MemóriaMemória Virtual (Conceito)
- Gerenciamento de Processos
Considerando que um sistema operacional implementa o recurso de memória virtual, analise as afirmativas a seguir.
I – Quando o processador encontra uma instrução ausente na memória RAM, este gera internamente uma exceção do tipo armadilha.
II – Cabe ao aplicativo implementar o manipulador de exceção que comuta as páginas entre memória RAM e memória virtual.
III – Geralmente, o algoritmo usado para a comutação de páginas é o LRU (Least Recently Used).
É(São) correta(s), APENAS, a(s) afirmativa(s)
Provas
entity CONTADOR is
port (CLK, EN, CLR, LOAD, UP: in std_logic;
D: in std_logic_vector (3 downto 0);
Q: out std_logic_vector (3 downto 0));
end CONTADOR;
architecture comportamento of CONTADOR is
signal CONT: std_logic_vector (3 downto 0);
begin
process (CLK)
begin
— — linha L1
if (CLK’event and CLK = ‘1’) then
— — linha L2
if (LOAD = ‘1’) then CONT <= D;
— — linha L3
elsif (EN = ‘1’ and UP = ‘1’) then
CONT <= CONT + “0001”;
elsif (EN = ‘1’ and UP = ‘0’) then
CONT <= CONT - “0001”;
end if;
end if;
end process;
Q <= CONT;
end comportamento;
A arquitetura implementada refere-se a um contador crescente ou decrescente com clear síncrono. No código em VHDL, a linha
if (CLR = ‘1’) then CONT <= “0000”; end if;
deve ser inserida no lugar da linha
Provas
Um programador dispõe de uma matriz H quadrada, de dimensão N par, contendo números reais, de acordo com
\( H=\begin{bmatrix} h_{11}&h_{12}&...&h_{1N}\\h_{21}&h_{22}&...&h_{2N}\\\vdots&\vdots&...&\vdots\\h_{N1}&h_{N2}&...&h_{NN}\end{bmatrix} \)
Deseja-se reordenar esses números na matriz H, utilizando apenas uma variável real P. O novo conteúdo da matriz H deverá ser
\( H=\begin{bmatrix} h_{NN}&h_{N(N-1)}&...&h_{N1}\\h_{(N-1)N}&h_{(N-1)(N-1)}&...&h_{(N-1)1}\\\vdots&\vdots&...&\vdots\\h_{1N}&h_{1(N-1)}&...&h_{11}\end{bmatrix} \)
Para isso, o programador escreveu em pseudocódigo o seguinte algoritmo:
Para I de 1 até (N/2)
Para J de 1 até N
![]()
Fim do para
Fim do para
As linhas do algoritmo que estão faltando são:
Provas
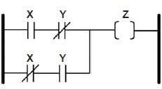
| X | Y | Z |
|---|---|---|
| 0 | 0 | 0 |
| 0 | 1 | 1 |
| 1 | 0 | 1 |
| 1 | 1 | 0 |
A tabela verdade de uma função lógica é mostrada acima, onde X e Y são variáveis lógica de entrada, e Z é a variável de saída. Deseja-se reproduzir essa função em um controlador lógico programável (CLP). O diagrama LADDER que possui a mesma tabela verdade é
Provas
- Modelo TCP/IPIntrodução ao Modelo TCP/IP
- Modelo TCP/IPModelo TCP/IP: Camada de Rede
- Modelo TCP/IPModelo TCP/IP: Camada de Transporte
- Modelo TCP/IPModelo TCP/IP: Camada de Aplicação
Considere as afirmativas a seguir, sobre a arquitetura TCP/IP, que é, atualmente, a que tem maior utilização nas redes de dados.
I – O Internet Protocol (IP), um dos principais protocolos em uma rede TCP/IP, é responsável pelo transporte de datagramas entre a máquina de origem e a máquina de destino, utilizando os endereços lógicos para determinar o melhor caminho, sendo cada datagrama independente dos demais trafegando na rede, não havendo necessidade de estabelecer conexão para o envio de informações.
II – A camada de transporte tem como uma de suas responsabilidades rotear, com confiabilidade, os dados entre a máquina de origem e a máquina de destino, quando é utilizada uma arquitetura cliente servidor.
III – A camada de aplicação é responsável por oferecer os serviços de rede aos usuários, como por exemplo, Web, correio eletrônico, acesso remoto entre outros.
É(São) correta(s), APENAS, a(s) afirmativa(s)
Provas
Caderno Container