Foram encontradas 50 questões.
Assinale a alternativa que associa corretamente o símbolo gráfico da tomada de luz alta (2000mm do piso acabado) conforme estabelece a norma técnica para instalações elétricas.
Provas
Questão presente nas seguintes provas
Identifique e assinale a alternativa que associa corretamente o símbolo gráfico dos quadros para instalações elétricas com o seu respectivo significado.
Provas
Questão presente nas seguintes provas
Um medidor de demanda aferiu a potência média de uma indústria durante 20 minutos. Calcule a demanda aferida, considerando que durante este tempo entraram em operação as seguintes cargas:
a. Um motor de 15kW durante 20 minutos.
b. Dois motores de 10kW durante 15 minutos.
c. Uma carga de iluminação de 20kW durante 20 minutos.
b. Dois motores de 10kW durante 15 minutos.
c. Uma carga de iluminação de 20kW durante 20 minutos.
Provas
Questão presente nas seguintes provas
Um cilindro hidráulico aplica uma força de 100 toneladas em uma área de 500 centímetros quadrados. Encontre a pressão exercida por este pistão em kgf por centímetro quadrado.
Provas
Questão presente nas seguintes provas
O gráfico de i x t que passa através de uma carga de 50!$ \Omega !$ é representado abaixo. Calcule a potência transformada em calor, por efeito Joule, no instante t=17s.

Provas
Questão presente nas seguintes provas
A norma NBR 7094 classifica os motores de indução trifásicos em categorias conforme o tipo de carga. Qual categoria se aplica a uma partida com conjugado alto, baixo escorregamento, corrente de partida normal tais como moinhos e britadores?
Provas
Questão presente nas seguintes provas
CATÁLOGO NACIONAL DE CURSOS TÉCNICOS – APRESENTAÇÃO
Como parte da política de desenvolvimento e valorização da educação profissional e tecnológica de nível médio, apresentamos o Catálogo Nacional de Cursos Técnicos. Este Catálogo configura-se como importante mecanismo de organização e orientação da oferta nacional dos cursos técnicos de nível médio. Cumpre também, subsidiariamente, uma função indutora ao destacar novas ofertas em nichos tecnológicos, culturais, ambientais e produtivos, propiciando uma formação técnica contextualizada com os arranjos socio-produtivos locais, gerando novo significado para formação, em nível médio, do jovem brasileiro.
Convencidos da importância estratégica da educação profissional e tecnológica para o desenvolvimento socioeconômico sustentável do país, temos trabalhado arduamente em sua reconfiguração e expansão qualificada. A expansão da rede federal, o fomento à articulação entre educação científica e educação profissional, por meio do ensino médio integrado ou do Proeja, encontram no Catálogo uma poderosa ferramenta de orientação e indução que lista 185 possibilidades de formação para o trabalho.
Fonte: MEC-http://catalogonct.mec.gov.br/apresentacao.php. Acesso 13.04.10.
Observe no texto as palavras subsidiariamente, indutora e fomento.
No texto, elas significam, respectivamente:
Provas
Questão presente nas seguintes provas
A NBR 5410 estabelece critério para a distribuição de cargas por metro quadrado. Aplicando o critério parauma dependência com área igual a 150 metros quadrados, determine a carga.
Provas
Questão presente nas seguintes provas
CATÁLOGO NACIONAL DE CURSOS TÉCNICOS – APRESENTAÇÃO
Como parte da política de desenvolvimento e valorização da educação profissional e tecnológica de nível médio, apresentamos o Catálogo Nacional de Cursos Técnicos. Este Catálogo configura-se como importante mecanismo de organização e orientação da oferta nacional dos cursos técnicos de nível médio. Cumpre também, subsidiariamente, uma função indutora ao destacar novas ofertas em nichos tecnológicos, culturais, ambientais e produtivos, propiciando uma formação técnica contextualizada com os arranjos socio-produtivos locais, gerando novo significado para formação, em nível médio, do jovem brasileiro.
Convencidos da importância estratégica da educação profissional e tecnológica para o desenvolvimento socioeconômico sustentável do país, temos trabalhado arduamente em sua reconfiguração e expansão qualificada. A expansão da rede federal, o fomento à articulação entre educação científica e educação profissional, por meio do ensino médio integrado ou do Proeja, encontram no Catálogo uma poderosa ferramenta de orientação e indução que lista 185 possibilidades de formação para o trabalho.
Fonte: MEC-http://catalogonct.mec.gov.br/apresentacao.php. Acesso 13.04.10.
Quanto à acentuação gráfica, observe as seguintes palavras sublinhadas no exemplo:
“A expansão da rede federal, o fomento à articulação entre educação científica e educação profissional, por meio do ensino médio integrado ou do Proeja, encontram no Catálogo uma poderosa ferramenta de orientação e indução que lista 185 possibilidades de formação para o trabalho”.
As palavras acentuadas e sublinhadas foram à, científica e médio.
Sobre a razão de serem palavras que devem ser acentuadas, afirma-se:
I. A primeira é acentuada por tratar-se de um monossílabo tônico; a segunda, por ser palavra proparoxítona; e a terceira, pela pronúncia aberta do fonema é (representado pela letra e acentuada.)
II. A primeira é acentuada por tratar-se da forma do verbo haver, 3.ª pessoa do singular; a segunda, por ser palavra polissílaba; e a terceira, por ser uma palavra proparoxítona terminada em ditongo crescente.
III. A primeira é acentuada por tratar-se da fusão da preposição a com o artigo a (uma crase.); a segunda, por ser palavra proparoxítona; e a terceira, por ser uma palavra paroxítona terminada em ditongo crescente.
Está(ão) CORRETA(S):
Provas
Questão presente nas seguintes provas
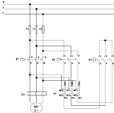
As partidas de motores elétricos aplicando dispositivos eletromagnéticos são ainda largamente utilizadas, principalmente nos casos em que, por questões econômicas e/ou técnicas, não existe justificativa para a substituição por partidas eletrônicas. Identifique o tipo de circuito representado abaixo:

Provas
Questão presente nas seguintes provas
Cadernos
Caderno Container