Foram encontradas 50 questões.
Em acordo com a norma NBR 5410 com relação à escolha da seção de um condutor e do seu dispositivo de proteção, o correto dimensionamento deve seguir várias prescrições, considerando as suas diversas aplicações. Assinale a afirmativa correta quanto à classificação dos cabos condutores de energia.
Provas
Questão presente nas seguintes provas
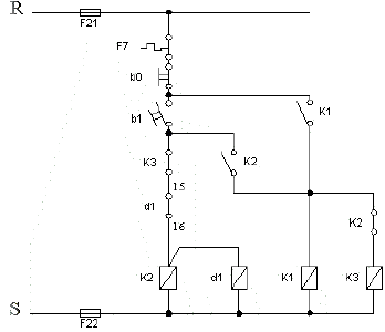
A figura abaixo representa o diagrama de comando de partida de um motor. Assinale a alternativa que está associada ao diagrama.

Fonte: Manual de tarefas – Eng. Elétrica – Pucpr
De acordo com a figura acima, pode-se afirmar:
Provas
Questão presente nas seguintes provas
Para a escolha correta de um motor elétrico, é importante considerar o conjugado nominal necessário para mover uma determinada carga a uma velocidade específica (n). As curvas representadas a seguir classificam as características de uma máquina quanto ao seu conjugado (C.) e potência (P) requeridos pela máquina. Assinale a alternativa CORRETA:

Provas
Questão presente nas seguintes provas
Analise o controle do inversor de frequência representado pelo gráfico abaixo e assinale a afirmativa correta.

Provas
Questão presente nas seguintes provas
A obrigação de que todas as instalações elétricas tenham pelo menos um condutor de aterramento e de que as partes metálicas dos equipamentos também sejam aterradas é exigência da NBR 5410. O dispositivo de fuga à terra, projetado para garantir a segurança de maneira a desligar o circuito antes que o choque elétrico seja prejudicial ao usuário ou às instalações, é definido como:
Provas
Questão presente nas seguintes provas
Determine o valor da corrente de um inversor de frequência que alimenta um motor trifásico de 1,5cv com fator de potência igual a 0,7 e rendimento de 75%. Considere que a tensão de alimentação é de 220Vca.
Provas
Questão presente nas seguintes provas
O projeto de instalação de um sistema de iluminação trifásico 380V, com fator de potência de 0,95 utiliza cabos de 6mm2 para alimentar uma carga de 10kW. Considerando uma queda de tensão admissível de 2%, utilizando cabos em eletrodutos de PVC (não magnético) e sendo a queda de tensão fornecida pela tabela igual a 6,14V/A por Km, calcule a distância máxima que o cabo poderá ser estendido.
Provas
Questão presente nas seguintes provas
Os motores trifásicos com doze terminais para serem conectados em redes de 760 Vca devem ser ligados em:
Provas
Questão presente nas seguintes provas
Como forma de estabelecer a segurança das instalações elétricas, bem como de seus usuários, dispositivos de proteção devem ser instalados. Dentre os dispositivos relacionados, assinale qual destes diz respeito à proteção contra sobretensão.
Provas
Questão presente nas seguintes provas
Um motor elétrico consome uma corrente de 5A quando ligado em 220Vca. Qual a energia consumida (E) durante 2 horas e a potência mecânica (Pm) fornecida no eixo em HP, sendo que o rendimento da máquina é de 68%?
Provas
Questão presente nas seguintes provas
Cadernos
Caderno Container