Foram encontradas 311 questões.
Considere as afirmativas:
I- O capacitor é um componente que armazena energia.
II- A capacitância equivalente de capacitores associados em série corresponde à soma das capacitâncias individuais.
III- O dielétrico de um capacitor ideal é composto de um material semi-condutor.
IV- O valor de 10 !$ \mu !$F é o mesmo que 10-5 F.
II- A capacitância equivalente de capacitores associados em série corresponde à soma das capacitâncias individuais.
III- O dielétrico de um capacitor ideal é composto de um material semi-condutor.
IV- O valor de 10 !$ \mu !$F é o mesmo que 10-5 F.
Estão CORRETAS:
Provas
Questão presente nas seguintes provas
As especificações técnicas de um dado interruptor informam que o limite permitido de corrente sem danificar o componente é de 0,8 A. Em uma determinada aplicação, é necessário ligar uma lâmpada com um único interruptor. A tensão de alimentação da lâmpada (em corrente contínua.) é de 100 V.
Em qual das alternativas a corrente não excede às especificações do interruptor?
Provas
Questão presente nas seguintes provas
Quanto à colocação pronominal, há inadequação na alternativa:
Provas
Questão presente nas seguintes provas
Considere as afirmativas relativas a um circuito RLC paralelo:
I- A frequência de ressonância é determinada pelo produto RC.
II- A ressonância ocorre quando a impedância equivalente é puramente resistiva.
III- Quando utilizado como filtro, o circuito pode atuar como passa-faixa.
IV- Quando submetido a um transitório, a resposta natural em tensão sobre o conjunto pode apresentar oscilações.
Provas
Questão presente nas seguintes provas
Em projeto hidráulico, o símbolo que aparece significa:

Provas
Questão presente nas seguintes provas
O ensaio para avaliação da consistência do concreto fresco que molda o concreto num molde de chapa metálica, com forma de tronco de cone de 20 cm de diâmetro na base, 10 cm no topo e 30 cm de altura apoiado numa superfície rígida. Após a retirada do molde é feita a medida resultante.
Este ensaio é chamado de:
Provas
Questão presente nas seguintes provas
O contrato de experiência é um contrato por prazo determinado, conforme preceitua o art. 443, parágrafo segundo, C, da CLT.
O limite máximo do contrato de experiência é de:
Provas
Questão presente nas seguintes provas
A reatualização do conservadorismo se expressou no surgimento da corrente fenomenológica na profissão.
Tal tendência era processada metodologicamente pelo diálogo, como:
Provas
Questão presente nas seguintes provas
Muitas informações são mais fáceis de visualizar em um documento se estiverem dispostas em forma de tabela.
Com relação a tabelas, é CORRETO afirmar:
I- Não é possível realizar cálculos utilizando os dados armazenados em uma tabela.
II- Uma tabela pode ser convertida para o formato texto, mas um texto não pode ser transformado automaticamente em tabela.
III- É possível formatar uma tabela de acordo com formatações pré-definidas.
IV- Os dados de uma tabela podem ser classificados em ordem ascendente ou descendente de uma ou mais colunas.
Estão CORRETAS:
Provas
Questão presente nas seguintes provas
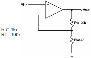
Dado o circuito inversor, calcular o ganho de tensão do mesmo.

Fazer o mesmo para o circuito não inversor.

Provas
Questão presente nas seguintes provas
Cadernos
Caderno Container