Foram encontradas 671 questões.
A resposta ao impulso de um filtro discreto é:

Um degrau unitário discreto u[n] é aplicado neste filtro. Os valores da saída y[n] serão:
Provas
A figura a seguir mostra a saída m(t) de um algoritmo PID para a entrada e(t).

Sabendo que a equação do algoritmo é:

Analise as afirmativas a seguir:
1. O algoritmo empregado é o PID ISA ou PID ideal.
2. O algoritmo empregado é o PID paralelo ou clássico.
3. Analisando a figura, conclui-se que: KP = 1, TI = 2 e TD = 1.
4. Analisando a figura, conclui-se que: KP = 2, TI = 4 e TD = 0.
São CORRETAS as afirmativas:
Provas
Considere o L.R a seguir de um sistema de controle com realimentação unitária, onde os valores do ganho K mostrados ocorrem nos pontos indicados pelas setas.

Analise as afirmativas:
1. O sistema é instável em malha aberta.
2. Existem duas faixas para o ganho K em que o sistema em malha fechada é estável, mas oscilatório.
3. A resposta ao degrau em malha fechada será instável sem oscilação para K>3,97.
4. O sistema em malha fechada será estável e oscilatório para 0,0764<K< 1,5.
5. O sistema em malha fechada é estável para 0 < K < 1.5.
São CORRETAS as afirmativas:
Provas
Filtros analógicos Sallen-Key possuem a vantagem prática de serem constituídos por componentes de igual valor.

A figura em questão representa um filtro:
Provas
Considerando a norma IEC 61131-3 e a linguagem de programação IL (Instruction List), a CORRETA interpretação do código:

é a operação:
Provas
O LADDER apresentado controla um motor, de forma que o mesmo possa girar nos dois sentidos (horário e anti-horário) através do acionamento de cada uma das saídas ilustradas. Existe um intertravamento para garantir que o acionamento de uma das saídas impeça o acionamento da outra e vice-versa.

Os seguintes comandos foram implementados:
B1 – Botoeira para girar em sentido horário
B2 – Botoeira para girar em sentido anti-horário
B3 – Botoeira Desliga Motor
Q1 – Liga Motor em sentido Horário
Q2 – Liga Motor em sentido anti-horário
A CORRETA sequência dos comandos no LADDER é:
Provas
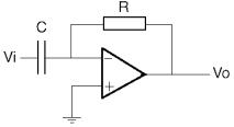
Amplificadores operacionais são dispositivos comumente empregados em malhas de controle analógico. Para tanto, podem implementar uma gama de funções matemáticas através da combinação de elementos passivos como resistores e capacitores.

Assim sendo, o circuito típico utilizando amplificadores operacionais que MELHOR representa a relação entre a entrada e a saída de sinal para o bloco é:
Provas
Segundo a norma IEC 61131, o trecho de programa em Texto Estruturado que representa o diagrama LADDER apresentado é:

Provas
A norma IEC 61131 define o sequenciamento gráfico de funções, SFC. Segundo essa norma e observando-se o diagrama, analise as afirmações:

I. A e B são passos simultâneos que serão executados em paralelo.
II. Os passos B, C e E formam uma sequência incondicional serial.
III. O passo E somente será executado depois da convergência AND entre C e D.
Está CORRETO apenas o que se afirma em:
Provas
A norma ANSI/ISA 5.1 define a simbologia a ser aplicada na confecção de diagramas P&ID (Piping and Instrumentation Diagram).
Empregando-se a norma ISA 5.1 para representar um sistema que possua controle de vasão com uma rede de campo com transmissor/controlador e uma válvula com posicionador eletrônico, as letras A, B, C e D da figura correspondem, respectivamente a:

Provas
Caderno Container